为了保障金钱、贵重物品及重要文件免遭盗窃,在房间和保险柜上都安装了各种各样的机械锁或数码锁。但实践表明,这一类锁不管设计如何巧妙,都难以防止扒窃高手“开门”而入。在防窃的斗争中,电脑密码锁以崭新的面貌进入了现代社会生活。
这种电脑密码锁的原理完全不同于过去使用的机械锁和电子锁,它是由单片机控制的,它可以由使用者自己随意编码,所以最高明的扒手也对它无可奈何。近来这种锁在国外得到了广泛的应用,不久它也会进入我国人民生活的各个领域。这种电脑锁防盗性能良好,是机场、车站、银行、旅馆、机关及家庭等保管财物必备的新一代产品。
电脑锁的功能
电脑密码锁可以安装在各种保险柜或房门上,无需钥匙,只用键盘操作。键盘上有12个按钮:数字键0~9和两个清除键。配有6位LED显示器,以显示工作状态和键临的密码数字。密码可有3\(^{18}\)种。
刚加上电源的时候,DN2608会将锁打开至定位。若门在关着,则数码管显示“P—OPEN”(请开门),即等候使用者把门拉开。如门已开,则显示“O-PEN”(开),此时可从键盘按入自己设定的6位数码。如要修改数码,可用“CL”键清除显示数码,重新键入新数码,此数码将记忆在单片机中。然后关上门,此时将显示“CLOSE”(关),10秒钟后会显示“LOCK”(锁),与此同时,门便自动锁上。
为了防上盗窃,电脑密码锁具有巧妙的延时功能。如果按入错误数码,则会显示“Error1”,此时电路进入暂停状态,不再接受任何键盘输入,此状态会保持15秒钟才会解除,回复到“LOCK”,重新接受密码输入。当第二次再按入错误数码时,则显示“Error2”,电路再次进入暂停状态,但这次将保持15分钟才会解除。以后以此类推,按入错误数码的次数越多,闭锁时间越长,闭锁期间即使按入正确的数码也不起作用。这样就可有效地防止盗窃分子进行试探性开门。
该电脑锁可交、直流供电。当交流停电地,电脑锁会自动转入直流供电状态,在直流供电时操作程序完全与正常供电时一样。只是为了省电,当超过25秒而无任何操作时,显示即会消失,等再有按键动作发生时,即会再作显示。
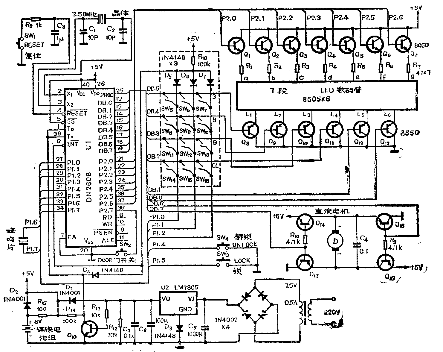
电脑锁的原理
电脑锁工作时密码由用户设定,6位密码从键盘键入后存入单片机中,同时在显示屏上显示出所输入的数码。当开门时,再从键盘键入数码,此时单片机运行程序,将前后两组数码进行比较,如果两者相同,则单片机将控制电机启动开锁。如果两组数码不相同,则单片机将控制电路闭锁一段时间。整个操作过程都是由储存在单片机中的程序控制的。电脑锁的详细电路如附图所示。

DN2608微电脑是把8位CPU、ROM、RAM、CTC集成在一个芯片上并提供两个8位I/O□(即P1□和P2□)以及一个8位内部总线□(BUS)的单片机,该单片机有很强的I/O驱动能力,可直接驱动LED数码管。它的I/O□的输入端与TTL电平相匹配,输出可驱动一个标准TTL负载。
由键盘送入的密码,经DB□送入并存在单片机的RAM中,同时经θ\(_{8}\)~θ13驱动6位数码管显示出该码。为了省电,显示只持续25秒便会自行消失,待再有任一键按下时才继续恢复显示。开门时,再键入密码,单片机将该码与前次存入的码比较,若相同,则单片机给出电机驱动信号,电机运转,将门打开。若密码不同,单打机给出错误信息,并进入暂停状态。电脑锁当前状态,由P\(_{2}\)□给出控制信息并送至θ1~θ\(_{7}\)驱动数码管显示出来。有关单片机DN2608内部程序及详细电路分析从略。(肖麟生)