以数字钟为核心的时间控制器通常只能控制开机或一天之内只能给出一个控制信号去控制其它电器用具,这使人感到不够方便。本文使用具有双闹输出功能的数字钟电路MM5462再加上一块双D触发器CD4013,便能在一天之内任意时间开启和关闭家用电器具,或者在一天之内分别控制两个不同电器的开启,并且开启的时间不受59分钟以内的限制。主要功能有:1.控制家用电器的开机;2.轻触式开机;3.控制家用电器或收音机在1至59分内任一时间再自动关机。下面详细介绍一下用本电路制作的高性能钟控收音板电路。
时间控制器原理
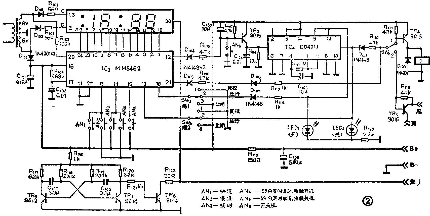
数字钟电路为美国国家半导体公司的MM5462,24脚双列直播封装,引脚功能见图1,与它配合使用的双阳极显示屏型号为SL 1041。主电路见图2。由于MM5462驱动的是双阳极屏,因此供给双阳极显示屏的电源应是互为反相的,变压器也要采用双绕组,通过整流管整流后得出大小基本相等、相位相反的两组电源。为保证显示信息的同步,IC\(_{3}\)的时基信号必须取自与第一阳极同相的电源,不能反接。而IC3所用的直流电源则取自另一相。IC\(_{3}\)的第17脚为外接RC脚,与内部振荡器构成RC振荡器,用以输出闹音信号,RC的数值会影响音调的高低。IC3的第13脚接正为快校,接地为慢校。第14脚对正为校时,对负为59分定时调校。单接快校或慢校是不能调时间的,必须同时按下AN\(_{3}\)及AN1。18、19脚分别为闹1和闹2的控制端,接正时止闹,接负则可显示、调校闹时。由于两个闹时可分别关断,为电路设计提供了方便。12脚为闹信号输出,是由2Hz信号调制700Hz乐音的方波信号。CD4013为双D触发器,其中第一个触发器构成单稳态电路,第二个触发器构成双稳态电路。当有第一个闹信号的负极性信号进入TR\(_{3}\)基极时,TR3导通,3脚电位升高,第一个脉冲进入单稳态电路的时钟端,单稳翻转,输出高电平,向双稳态电路的时钟端输入一个信号,双稳态电路翻转,输出低电平。单稳的高电平同时通过1M的电阻向10μF的电容充电,当C\(_{1}\)05上的电位升高至高电平时,4脚电位升高,单稳复原。等待第二闹信号的到来。同时1脚变为低电平,C105上的电荷通过R\(_{1}\)09放电。设置单稳电路的目的主要是防止AN6按下时接触不良导致双稳的乱翻转。一般RC可取3~5秒。12脚电位变高时LED\(_{1}\)亮,表示开机。同时高电平加于18脚迅选关断闹1,避免连续输出的闹信号对双稳产生干扰。13脚变低又开启闹2,以便使闹2投入运行。闹2信号到来时,重复上述过程,13脚变高,12脚变低,LED2亮,表示关。13脚的高电平加于19脚止闹2,12脚的低电平加于18脚开闹1。由此可知,电路能够自动开启收音机或家用电器,而后又能在设定的时间(1分到23小时59分)后自动关闭。电路中的SW\(_{5}\)置1时控制继电器,由继电器再去带动电饭堡之类的用电器。开关置214可通过TR5组成的电子开关带动半导体收音机。当需要控制两种不同电器时,例如早晨6:00开收音机,中午11:30开电饭煲,可分别把闹1调至6:00,闹2调至11:30,开关SW\(_{5}\)置2,此时收音机应不响,如响,可按下AN6使LED\(_{2}\)亮收音机关。当早晨6:00,第一个闹信号到来,Q2变低,TR\(_{5}\)导通,收音机响。起床后需要关收音机只需按下AN6,Q\(_{2}\)变高,收音机关。同时把SW5板向1,到第2个闹信号到来时,Q\(_{2}\)变低,J吸合,电饭煲通电,中午回家便可以吃到熟饭了。随意按动AN6可以起到轻触开关的功能。任何时候按下AN\(_{4}\),21脚变低,TR4(或TR\(_{5}\))导通,电器或收音机开,显示屏显示59,配合AN1或AN\(_{2}\),可调到1~59分以内的任何时间,松手后,电器或收音机在这预置的时间走完后会自动关断。假如此预定定时时间未走完要关机,可按下AN5即可关断(取消59分定时)由AN\(_{4}\)与AN5配合也可以实现轻触开关机,但此工作时间不能超过59分钟。


由于MM 5462没有秒信号输出,冒号(中间的两点)不闪动,使用时不太满意。TR\(_{6}\)、TR7、TR\(_{8}\)构成多谐振荡器,振荡频率为1Hz,作用之一是加给冒号一个1Hz信号,使冒号闪动,产生动感。另一方面是送往收音机低放作为报警信号(IC3的报警信号由于止闹而消失),主要是当半夜要起床而没有电台播音时可使用这个音响信号。
控制部分可通过B\(_{+}\)-、黑、蓝、黄五条引线与收音机部分相连。
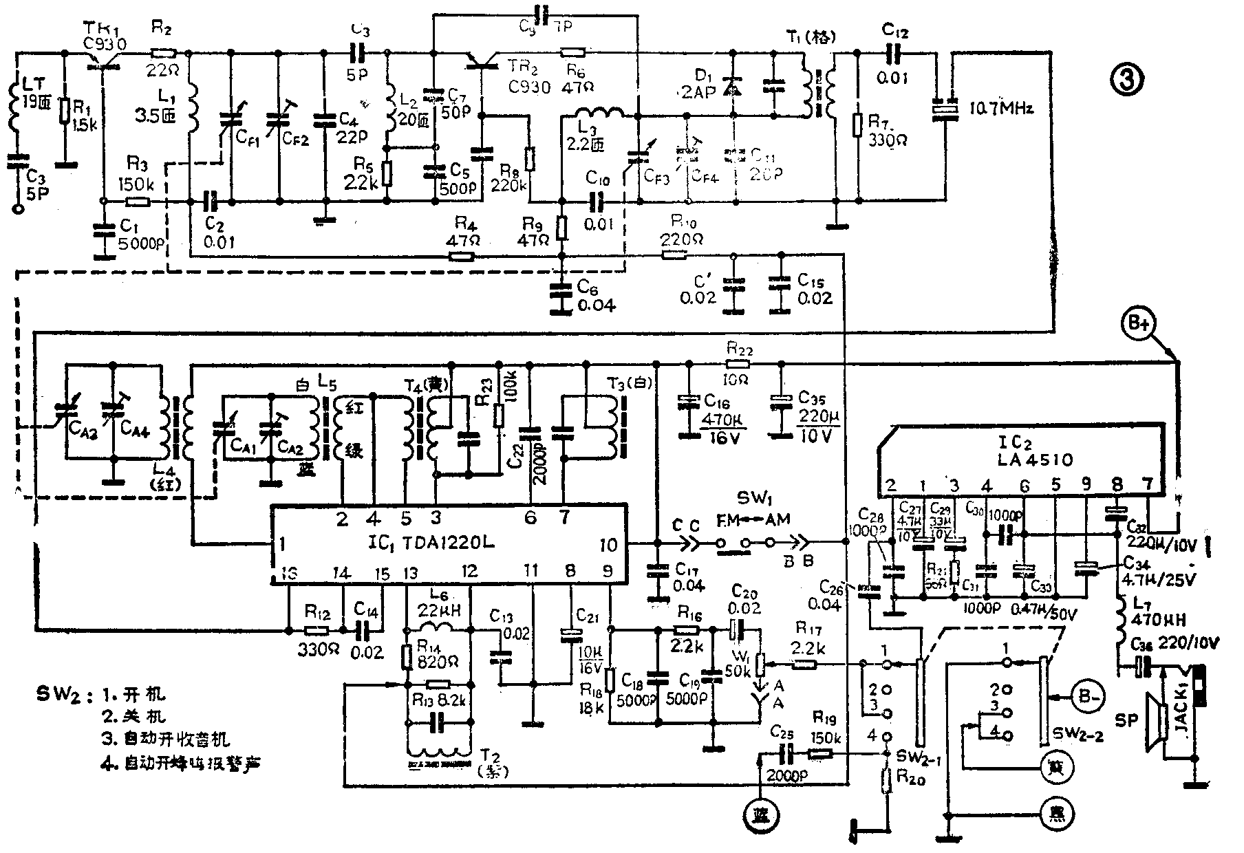
本收音机的优点是:TDA 1220为德律风根公司的FM/AM接收用专用IC,有灵敏度高、噪声低,功耗小,电源电压范围宽及外围元件少的优点,可工作的电压范围为3~12V。而功放LA 4510则具有低电压(2~6V),消耗电流小等优点。输出功率在3V供电时可达240mW,6V供电时可达700mW,它的内部还设有静噪电路,电源通断时的噪音很小。
整机电路见图3,SW\(_{2}\)有4种功能,开、关、自动开收音机及自动报警。其中SW2-1控制音频信号,SW\(_{2}\)-2控制电源。由W1送来的收音信号通过SW\(_{2-1}\)的1、3送往功放。当SW2-l置4时,由蓝线送入的报警信号可加于功放IC进行放大。当SW\(_{2}\)-2置1时,B-直接接收音机的地,电源通,收音机可工作,置2时关,置3及4时,B-通往电子开关三极管(见图2)TR5的集电极,而TR\(_{5}\)的发射极接收音机的地,当TR5导通时,收音机可工作,从而实现了由TR\(_{5}\)及功能开关联合控制收音机的自动工作的目的。而TR5又受控于数字钟电路或AN\(_{6}\)。两部分就结合成一部功能完整的钟控收音机。

电子钟刚接上电源或停过电后,显示发生闪烁是正常现象,可按下AN\(_{3}\)使其复位。(石湖)