(洪国威)NV-G10MC录象机的亮度信号处理系统主要是由集成电路IC\(_{3}\)01(由AN3215S和AN3321组成)和磁头放大器组件IC501(AN3311S)组成,其原理框图如图1所示。该系统的主要任务是完成亮度信号的记录与重放。由于录象机在记录与重放两种工作状态下,亮度信号所走的通道不同,处理系统对信号的处理方式也不同,所以,亮度信号处理系统又可分为亮度信号的记录系统和亮度信号的重放系统,下面分别介绍这两部分电路的工作原理及检修方法。

一、亮度信号的记录系统
1.工作原理
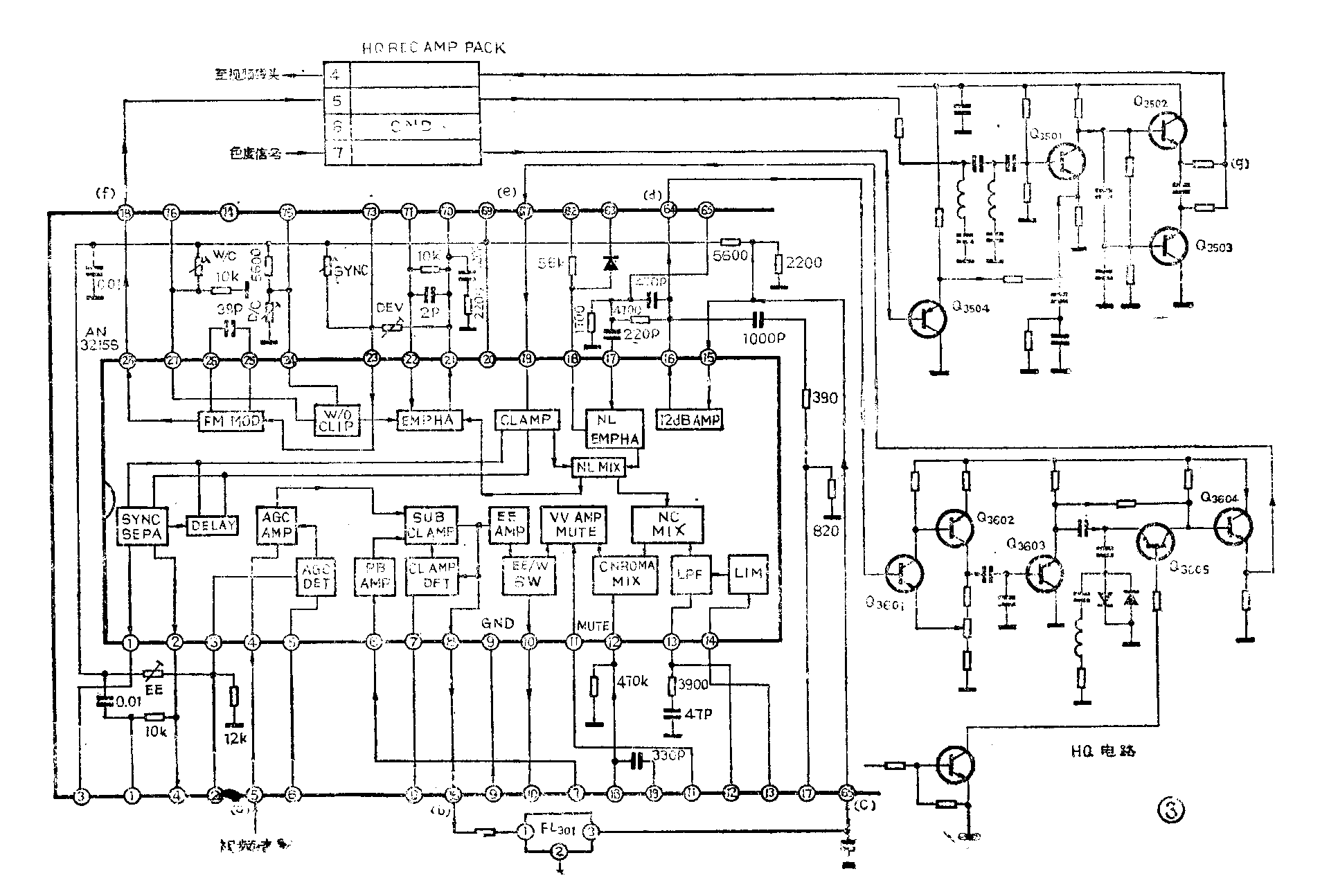
NV-G10MC录象机亮度信号的记录系统原理框图如图2所示,具体电路如图3所示。在记录信号时,视频信号从IC\(_{3}\)01的⑤脚输入,在IC301中先进入自动增益控制(AGC)电路。在进入AGC电路之前,视频信号的幅度是变化的,经AGC电路的调整后,其信号的幅度就比较平稳,以满足调制器的要求。接着信号又进入到钳位电路,钳位电路的作用是将视频信号的同步头顶端的直流电压钳在一个固定的电平上,以满足调制器的不限频率,保证调频指标。经钳位的视频信号从IC\(_{3}\)01的脚输出,又进入低通滤波器(LPF)中,LPF的作用是只允许4MHz以下的信号通过,这样就取出亮度信号,滤除色度信号。从LPF出来的亮度信号经12dB的放大器放大后又进入高画质电路(HQ电路),此电路的作用是为了增强亮度信号中的高频成分,以提高图象的清晰度。经HQ电路的亮度信号又进入IC301,先进行箝位处理,然后再进行非线性预加重及预加重处理,预加重电路的作用是为了提升信号中的高频成分。经预加重电路后,亮度信号又进入黑/白切割电路。由于信号经过预加重电路后,其幅度的上沿和下沿上会出现尖峰,这些尖峰进入调制器后便产生过调现象,因此,必须将这尖峰切除掉,黑/白切割电路的作用就是切除尖峰,使亮度信号的频偏限定在规定的范围之内。经过以上处理后,亮度信号就进入FM调制器中,FM调制器是录象机记录系统的核心,其作用是将亮度信号进行一定的变换,使其倍频程数下降。从FM调制器输出的信号又进入高通滤波器(HPF)中,抑制降频色度信号的干扰。经HPF电路后,与色度信号混合,再放大,最后由旋转变压器供给两个视频磁头。


2.检修方法
重放标准磁带或已知是良好的磁带,若图象正常,说明重放系统正常,记录下来再重放,若出现无图象或图象质量不佳、噪声大等现象,则说明记录系统有故障。下面介绍检修方法:首先用信号发生器把彩色全电视信号输入到录象机中,然后用示波器观察IC\(_{3}\)01⑤脚的波形,正常的波形如图4(a)所示。若信号波形异常,说明输入选择部分电路有故障,若信号波形正常,再观察IC301脚波形,正常的波形如图3(b)所示。若脚波形异常,有可能是IC\(_{3}\)01中的集成电路AN32155有问题,若脚波形正常,再观察IC301波形,正常的波形如图3(c)所示。若波形异常,有可能是低通滤波器有问题,若波形正常,再继续观察波形,正常的波形见图3(d)。若波形异常,有可能是IC\(_{3}\)01有问题,若波形正常,再观察IC301波形。若波形异常,则说明HQ电路有问题,若波形正常,再观察IC\(_{3}\)01波形,正常的波形如图3(f)所示。若波形异常,有可能是IC301内的集成电路有问题,若波形正常,再观察晶体管Q\(_{35}\)03发射极波形,正常的波形如图3(g)所示。若此波形异常,一种可能是记录放大等电路有问题,另一种可能是输入的色信号有问题。(未完待续)
