(陈克军)行输出变压器是电视机的关键部件,由于工作在高电压大电流状态下,所以故障率很高。该部件损坏一般有两种情况:一种是断路,另一种是短路。对于断路故障,用万用表测量即可判断,而短路故障情况就比较复杂,目前彩色电视机上所用的行输出变压器都是一体化结构,绕组的线径细,直流电阻很小,靠用万用表测量电阻来判断其好坏很不准确,因此,本文介绍一种通过测量行输出级电流来判断短路故障的检修方法。
一般行输出变压器出现短路多是线圈绕组匝间绝缘电阻下降造成的,这一点与行输出管、阻尼管等元件击穿形成严重短路是不同的,这种由于元件击穿造成的短路,一般要烧断机内的保险。检修时,首先进行直观检查,看行输出变压器是否有穿孔或烧黑现象,若无此现象再通电测试,断开行输出级供电电路,即图1中的打“×”处,在A、B两点串入万用表(电流档)监测其电流。在正常时,14英寸电视机的行电流为350mA左右,18、20英寸电视机则为400mA左右,22英寸电视机为450~470mA。如果行输出变压器有短路故障,则行电流要增大,当所测到的行电流值超过正常值的20%以上时,就可确定是行输出变压器短路。由于此检测方法是在通电下进行的,因此,应对易损元器件如行输出管、电源调整管等采取相应的保护措施,即在晶体管的集电极回路串入1个0.5~1A的保险丝,以防故障扩大,同时检测时间要尽可能短些。

当行输出变压器发生短路故障时,除了行电流增大以外,还伴有以下几个症兆:(l)整机直流供电电压下跌,电源开关调整管严重发热;(2)有较重的哼叫声;(3)行输出管和行输出变压器比较热;(4)光栅很暗或行幅不足等。以上几点视其短路程度不同会略有差异,检修时应注意。下面介绍两个检修实例。
例1:一台松下TC-482D14英寸彩电,出现无光栅、无伴音故障,开机后伴有“吱吱”叫声。
检修:测量电源开关调整管Q\(_{8}\)01各极电压,有关电路见图1。测得集电极电压为280V,电压正常。基极电压比正常值略低。由于机内发出“吱吱”叫声,说明电源部分基本正常,只是振荡频率没受行频脉冲控制。进一步测量直流输出电压,电压已由113V降为86V,说明负载很重。断开A点,串入电流表,测得电流在430mA左右,并且表钟摆动很大,说明负载变化不稳,怀疑是行输出变压器线圈有短路故障,换上新的行输出变压器,故障排除。
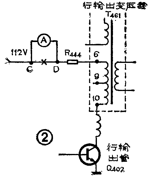
例2:一台佳丽彩EC227T型22英寸彩电,光栅暗淡、行幅不足,并伴有哼声。
检修:产生这种故障有两个原因:一是电源内阻大,输出电流小;二是行扫描电路有问题。首先测电源112V输出电压,有关电路见图2,测得电压为100V左右。于是将负载断开,这时112V电压恢复正常,说明电源电路正常,问题在负载上,检查行扫描电路,发现行输出管很热。断开C、D两点,串入电流表,测得电流为350mA左右,比正常值略高,怀疑是行输出变压器内部有轻度短路故障,换上新行输出变压器,故障排除。
