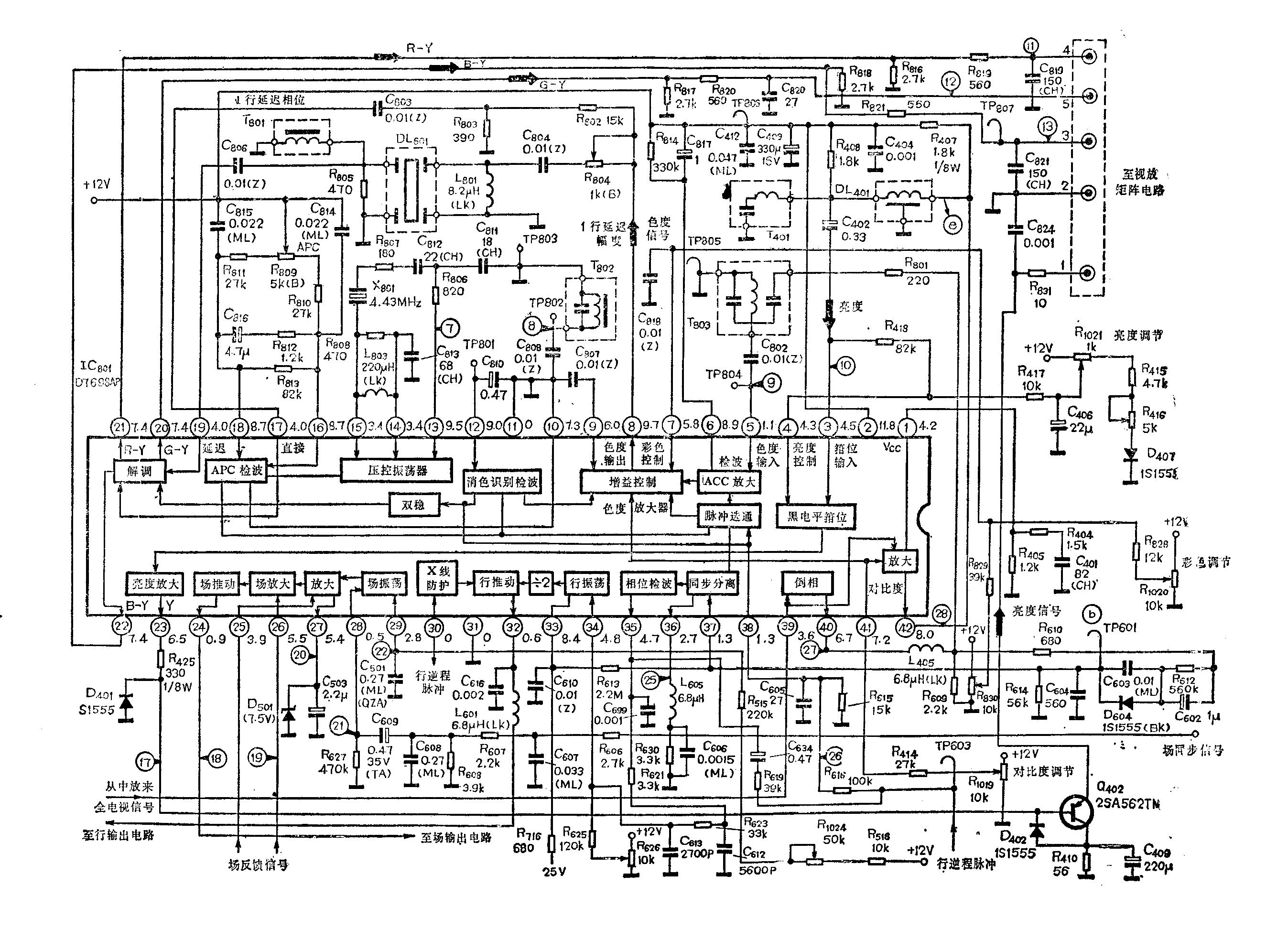
熊猫DB47C4彩电的亮度、色度和扫描电路由一块集成电路D7698AP(同东芝TA7698AP)及外围元件组成。D7698AP包括了国产彩电4片机中TA7193AP(解码)和TA7609P(扫描)的全部功能,因此大大减化了电路,进一步提高了电路的性能和可靠性。下边以集成块D7698AP为中心对这三种电路作一介绍。

1.亮度电路:由图看出从中放电路送来的全电视信号(2~6.5V\(_{P-P}\)),由D7698AP的39脚输入加到对比度放大器和倒相放大器。对比放大器的输入端经41脚和电阻R414接对比度电位器R\(_{1}\)019,调节该电位器使41脚电压在(2~10)V之间变化时,对比放大器的放大量随之改变,这样就改变了图象对比度。该集成块的20脚(G—Y信号输出端)对地接一只电阻R817,这样在调节图象对比度时彩色浓度也随着变化,即图象对比度和色度是同时调节的,因此彩色的浓淡随着对比度强弱变化而变化,大大提高了图象质量。
对比度放大器输出管的发射极经1脚外接由元件R\(_{4}\)04、R405和C\(_{4}\)01组成的高频补偿电路,用以提高图象质量。对比度放大器输出管的集电极经42脚输出视频信号,经亮度延迟线DL401和色副载波吸收回路T\(_{4}\)0l,输出亮度信号经3脚加到黑电平箝位放大电路。经过这个电路处理后的亮度信号恢复了直流分量,从而消除了信号在传输中因失去直流分量而引起的图象畸变。箝位电路输出的信号经亮度放大器进一步放大后,从23脚输出经放大管Q402加到视放矩阵电路。黑电平钳位放大电路经4脚外接亮度电位器R\(_{1}\)021,调节它可以改变箝位放大器的放大量,从而改变了图象亮度。
2.色度电路:D7698AP内倒相放大器从40脚输出全电视信号,经带通滤波器T\(_{8}\)03滤除亮度信号选出色度信号,经C802从5脚输入加到ACC(自动色度控制)放大电路,对色度信号进行放大。这是一级增益自动受控放大器,从色同步脉冲检出的ACC电压自动控制该放大器增益,输出一个幅度恒定的信号送到增益控制色度放大器。接在6脚的R\(_{814}\)和C817为ACC放大电路的滤波器。增益控制色度放大器通过7脚和R\(_{828}\)接彩色调节电位器R1020,调节R\(_{1}\)020改变7脚电位来控制该放大器的增益,达到改变色饱和度的目的。接在9脚的C807为该放大器的色相位控制电容。经过放大的色信号从8脚输出,一路作为直通信号经R\(_{8}\)02和C803从17脚输入加到解调器;另一路经1行延迟线DL\(_{8}\)01给出延迟信号从19脚输入,也加到解调器,调节R804可改变延迟幅度。解调器对色度信号进行解码后,从20脚、21脚和22脚分别输出色差信号G—Y、R—Y和B-Y,并分别送到视放矩阵电路。
行逆程脉冲从38脚输入一路加到脉冲选通电路;另一路加到双稳态电路。由脉冲选通电路选出色同步信号,分别送到黑电平箝位电路、ACC放大器、增益控制色度放大器、消色识别检波器和APC检波器。当没有色同步信号(如接收黑白电视时)或者色同步信号极性不正确时,消色识别检波器输出消色电压使色度放大器停止工作,色同步信号正常时色度放大器恢复工作。接在12脚的电容器C\(_{81}\)0为检波器回路元件。双稳态电路是一个受行逆程脉冲和消色信号控制的多谐振荡器,它输出半行频脉冲送到解调器。
压控振荡器产生解调器中所需要的基准副载波信号,接在13脚、14脚和15脚的电阻、电容和晶体X\(_{8}\)01(4.43MHz)组成色副载波移相电路。APC检波器把压控振荡器送来的信号与色同步信号进行相位比较后输出相位差,经接在16脚和18脚之间由电阻和电容构成的滤波器后变成直流电压,控制压控振荡器的振荡频率,使它锁定在4.43MHz上。改变电容器C812的大小可微调压控振荡器的振荡频率。
3.扫描电路:D7698AP内倒相放大器从40脚输出的全电视信号,另一路经由R\(_{61}\)0、R612、C\(_{6}\)02、C603、D\(_{6}\)04和C604组成的积分电路,分离出同步信号由37脚输入加到同步分离电路。积分电路中电容器C\(_{6}\)04的大小确定同步脉冲前沿上升时间,接在36脚的C606和R\(_{63}\)0确定同步脉冲后沿下降时间。同步分离电路输出的同步脉冲信号分别送到脉冲选通电路和相位检波器。相位检波器对同步脉冲信号同35脚送进来的行逆程脉冲比较后,给出误差信号从35脚输出经由R621、C\(_{612}\)、R623和C\(_{613}\)组成的滤波电路,又从34脚输入加到2倍行倾振荡器,控制它产生一个稳定的2倍行频信号。接在34脚外的电位器R620为行频调节电位器,行振荡器的电源从33脚引入。2倍行频信号经2分频器输出行频信号,由行推动电路进行放大后,从32脚输出经L\(_{6}\)01送往行输出电路。X射线防护电路把从30脚送来的行逆程脉冲整流得到一个直流电压,若这个电压超过设定值时,X射线防护电路便输出一个信号使行推动级停止工作,与此同时行输出级也就无行脉冲输出,避免了因高压过高而引起的X射线对人体的伤害。
场振荡器是采用RC型振荡电路,接在29脚的C\(_{5}\)01是它的振荡回路电容,振荡回路电阻在集成电路内部。调接在29脚的场同步电位器R1024可改变这个脚的电位而微调场频。从28脚输入场同步信号使场振荡与电视场信号同步。第1级和第2级场放大器组成一个锯齿波发生器,接在27脚的C\(_{5}\)03为它的锯齿波形成电容。场振荡信号经场推动级放大后,从24脚输出送往场输出电路。场输出电路有一部分反馈信号从25脚和26脚输入分别加到两级场放大器,用来改善场扫描脉冲线性。(曹庚华)