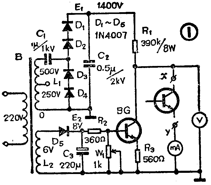
本测试器的电路见图1。它的输出电压连续可调,能方便可靠地测量三极管、二极管、可控硅、电容器等元器件的耐压。空载时,直流高压E\(_{1}\)可达1400V。L2、D\(_{5}\)、C3组成半波整流电路,输出电压E\(_{2}\)约为8V。BG作并联式电压调整管。R1为BG的集电极负载,也是被测元器件的限流保护电阻。W\(_{1}\)用来调节x点对地电压,当W1动触头处于下端时,BG饱和,x点电压约为5V;当W\(_{1}\)动触头位于上端时,BG截止,x点对地电压约为1400V。调节W1,可使x点对地电压处于5~1400V之间。射极电阻R\(_{3}\)的作用,是使输出电压变化较均匀平滑。
使用时,被测三极管接在x、y两个接线柱之间,缓慢调节W\(_{1}\),使x点对地电压逐渐上升,直至毫安表指示出额定的反向电流,这时电压表指示值即为被测管在该反向电流下的耐压。测量时小功率硅管的反向电流不宜超过100微安,大功率硅管的反向电流不宜超过1毫安。注意,不可死板地照搬手册中的测试条件,以防损坏被测管。每次测试完毕,应将输出电压调回至最低处。
本测试器的用途很多,例如还可以测量10MΩ以上电阻的阻值;测量氖管的好坏;估测变压器绕组之间的耐压,作某些电子装置的可调高压电源等。
图中,BG是关键器件,要求其I\(_{c}\)为1mA时的β值应≥3,C、B极之间反压Vcb为1500V时,反向电流I\(_{b}\)应为零微安。满足上述要求的管子并不难找,可从DF104D、BU208、2SC1942、2SC2027等高反压管中选取。管壳内部B、E极之间接有低值电阻的管子不适用。为便于长时间连续工作,BG应加装一小块散热片。

B为电子管收音机中的电源变压器,其次级高压一般为250V×2。C\(_{1}\)、C2的耐压要求见图1。 D\(_{1}\)~ D4的耐压应大于1200V,必要时可增加串联只数,以防击穿损坏导致电源变压器烧毁。R\(_{1}\)要选用功率较大的电阻,可用数只串联而成。电压表内阻应大于10kΩ/V,分2kV、200V、20V三档。电流表最好有50微安、1毫安、5毫安三档。为简化结构,降低成本,电压表电流表可用万能表代替。图1中,电源开关、保险丝等未绘出。(陈银德)