为了解电冰箱的工作状态,常要测量其压缩机的启停比;测电冰箱的耗电量时,也需测其压缩机的运转时间。笔者用一只普通电子表制作了一个时间累积器,有助于进行上述测量。同时也可作其它设备的运行时间累积器。
用电子表作各种设备运行时间累积器,关键在于使电子表的石英晶体只在设备工作时振荡,其余时间停振。经实验发现,当石英晶体的两引线之一与电源负极短接后,电子表即可停振、停走。这时,显示内容消失,但IC内部寄存器状态不变,即不复位。当断开短接点,石英晶体重新起振后,电子表将继续计时。

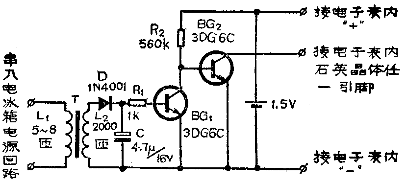
笔者采用附图所示电路,其工作原理是:当压缩机(或其它设备)工作时,互感器T的次级无输出(开冰箱门时由于箱内电灯功率很小,不足以使BG\(_{1}\)导通),BG1截止,BG\(_{2}\)导通,石英晶体短接,停振,计时停止,显示消失。压缩机再次工作时,电子表又计时,从而将电冰箱的工作时间累积起来。最大累积时间为8759小时。在一天或一段时间内看累积器的计数增加了多少,即可算出这一天或这一段时间压缩机的平均启停比及耗电量。
该时间累积器用一节5号电池供电可连续工作数年。BG\(_{1}\)、BG2应选用I\(_{CEO}\)≤0.01μA的晶体管,如3DG6B。除电子表外,整个装置可装入一小盒内,从电子表内部焊出正、负及晶体的一根引线共三根线,取下电子表的照明灯按钮不用,将三根线从小孔中引出,并用环氧树脂或蜡将其密封。
互感器T的制作:在一适当大小的环形磁芯上用φ0.18至φ0.21mm的漆包线绕2000匝作L\(_{2}\);用φ1mm的导线再绕5至8匝作L1,级间用牛皮纸或黄蜡绸作绝缘。L\(_{1}\)串入电冰箱的电源回路中。(邵代勇)