普通的功率调节器,大都采用双向可控硅相控调压,这种电路比较简单,但在低功率范围存在失控区,调压效果不理想。本文介绍一种新电路结构的功率调节器,此电路采用过零脉冲移相触发的方法实现了0~180°相角的全范围功率调节,而且可以方便的实现触摸调光。本电路以一块CMOS四异或门为主,整机工作电流仅2mA左右,但控制功率可达千瓦以上,与同类调光器相比具有线路简单、功耗低、调节范围宽等优点。
工作原理
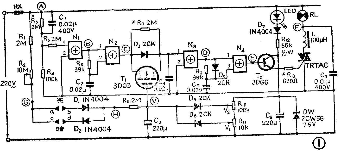
本机电路见图1。220V交流电压首先经RX、LED、D7、R12、DW等构成回路,LED发光,C6两端建立起约7.5伏的直流电压,电路进入工作状态,同时220伏50Hz交流电压(图2中V\(_{A}\))经R3、R\(_{4}\)、R5、C\(_{1}\)组成的移相限流电路加至异或门N1,由N\(_{1}\)整形为50Hz的方波(图2VB),R\(_{6}\)、C2、N\(_{2}\)检测出方波的前、后沿,在N2输出端形成过零窄脉冲(图2VC),R\(_{7}\)、D3、T\(_{1}\)、C4、N\(_{3}\)组成压控单稳电路,对零压脉冲进行展宽(图2VD),其暂稳时间受控于场效应管T\(_{1}\)的栅极电压。调宽后的单稳脉冲再经R9、C\(_{5}\)、D6、N\(_{4}\)检出后沿在N4输出端形成被移相的触发脉冲(图2V\(_{E}\)),经T2电流放大后加至双向可控硅TRIAC控制极。整个控制过程如下:当T\(_{1}\)栅极电压(V点)较低时,T1趋向截止,其D、S极间电阻较大,C\(_{4}\)放电时间较长,VD脉冲变宽,V\(_{E}\)触发脉冲移相角φ变大,可控硅导通角变小,即导通时间变短灯暗;反之T1栅极电压较高时,T\(_{1}\)趋向饱和,其D、S极间电阻较小,C4放电时间短,V\(_{D}\)脉宽窄,VE触发脉冲移相角φ小,可控硅导通角θ变大,导通时间变长,灯亮。通常V点电压在0~3伏变化即可实现0~180°相角的全范围调节。D\(_{4}\)、D5、R\(_{1}\)0、R11构成双向钳位电路,使V点电压只能在V\(_{1}\)、V2之间变化,调整时使V=V\(_{1}\)时灯最暗,V=V2时灯最亮。C\(_{3}\)容量取得较大,它可在长时间内维持V点电压不变。R1、R\(_{2}\)、R8、D\(_{1}\)、D2及触摸端ab、cd构成触摸调压电路,当手触ab端时,D\(_{1}\)导通,C3充电,电灯由暗变亮,当手触cd两端时,D\(_{2}\)导通C3放电,电灯由亮变暗,调光速度由R\(_{2}\)控制。实际应用证明,这种触摸调节方法,比其它方法安全可靠,其原因如下:R1、R\(_{8}\)均为2MΩ,使触摸时通过人体的电流最大不超过220μA,另外电阻的短路故障极为少见,因此不必担心有触电危险。但在装配和使用过程中仍要注意不能让触点与市电火线相碰。另外直接采用220伏高压微电流充放电,具有较好的恒流效果,可实现线性调节。


元件选择及安装调试
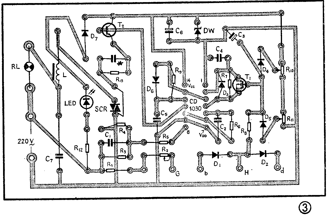
N\(_{1}\)~N4为CMOS四异或门,CD4030、CD4070、C630、C660均可选用,双向可控硅TRTAC可根据所控功率选择,一般留2~3倍的余量,耐压应大于400伏,触发电流应小于5mA。LED应选用亮度高的发光二极管。T\(_{1}\)为N沟道绝缘栅场效应管,最好选用3DO3,其它3DO型场效应管只要其夹断电压较小也可使用。D3、D\(_{4}\)、D6、D\(_{5}\)要求有尽可能小的反向漏电流,最好选用反流在nA级的2CK型开关管。电压保持电容C3要求漏电要小,最好选用钽电容。T\(_{2}\)的β值应大于100。DW的稳压值在6~10伏之间选取,其余元件值如图1所示。印制板图见图3,一般只要装配无误,加电即可工作。调试时先不接灯泡RL,220伏接通后,LED亮,用万用表测C6两端电压应为稳压管稳定电压,如低于此值应着重检查集成块有无虚焊的输入端。电压正常后,先将R\(_{1}\)0旋至最上端,将R11旋至最下端,触摸ab使V点电压升高至C\(_{6}\)的端压,然后用示波器检查A、B、C、D各点波形应同图2所示一致,而后可接上负载,此时灯泡应为全亮状态,如不为全亮,说明触发电流不够,可适当减小R13的数值,如果所用可控硅触发电流小,则应适当增大R\(_{13}\)的值。R13确定之后,分别触摸ab、cd端,灯泡亮度应能全范围变化,如发现亮端或暗端灯光闪烁,说明零压脉冲存在相差,可适当改变R\(_{3}\)的值。最后调R10、R\(_{11}\)使V点电压等于V1 时灯泡最暗,V=V\(_{2}\)时灯泡最亮,全部调整完毕,即可投入使用。需注意的是调试中线路带220伏交流电压,要谨防触电,有条件可采用隔离变电器供电调试。

其它控制手段的实现
由图1不难看出:灯光亮度决定于V点电压,只需改变V点电压的控制方式即可实现其它方式调光,下面介绍几种典型的控制电路。
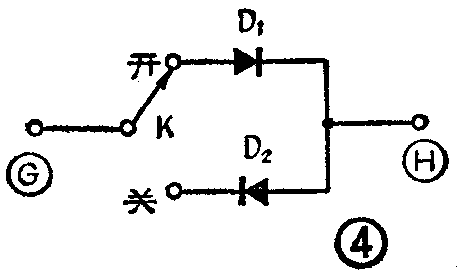
1.软开关:在一些场合,要求合上开关灯光慢慢由暗变亮,关断开关灯光缓缓变暗,此种开关称软开关。图1电路,只需将触摸端ab,cd换用一只单刀双掷开关(开关K打到K位置,相当于a、b接通),即可实现软开软关功能。见图4。其开关速度则取决于R\(_{2}\)值的大小。

2.遥控触摸调光:图1电路可方便地实现有线遥控触摸调光。此时只需将G、H两点断开,将触端ab,cd及D\(_{1}\)、D2装在一个小巧的控制盒内,如用床头开关改装,在原按钮处镶固一块刻有触摸端的铜箔板,按图连接触端和二极管,并用双线引出做为遥控线接于G、H两点。遥控线最好采用屏蔽线以减小干扰。见图5。

3.手动调光:此种控制方式时,本电路可大大减化,T\(_{1}\)、R1、R\(_{2}\)、R8、R\(_{1}\)0、R11、D\(_{1}\)、D2、D\(_{4}\)、D5、C\(_{2}\)都可省去,将T1用一只1MΩ的电位器代替即可。当电位器旋至最小阻值灯最亮,反之灯最暗。调换R\(_{7}\)的值可保证W旋至最大时灯光刚好为最暗,见图6。

4.音控彩灯:在手动调光电路的基础上,将电位器W改用一只光电耦合器即可用于彩灯音控,见图7。当收音机或录音机的音频信号送至光电耦合器输入端,音频信号的大小变化,改变可控硅的导通角,灯光随声音大小而闪动。调节W可改变音控灵敏度。(张群宜)
