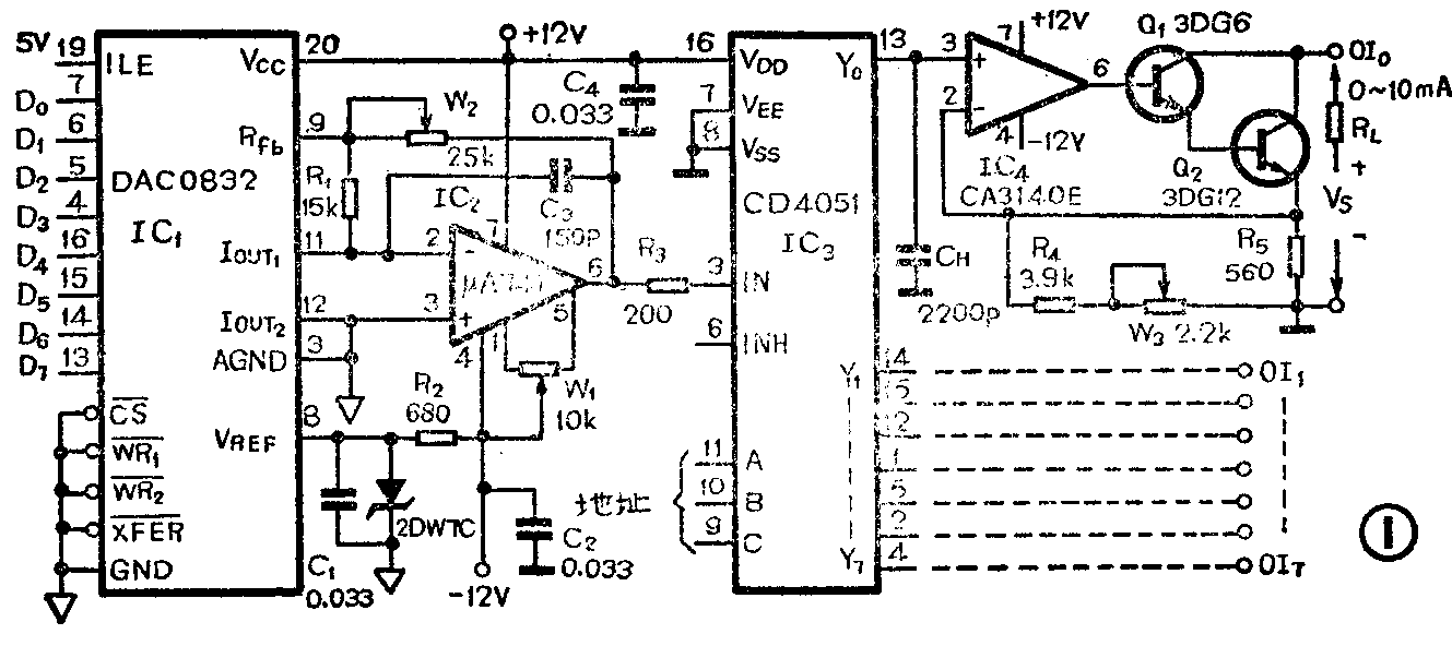
在TP801单板机、苹果机或中华学习机中,一般采用8位数模转换器及成本低廉的电压-电流转换电路,其电路见图1。由DAC0832和运算放大器μA741构成的数模转换器把计算机来的数据信号D\(_{0}\)~D7转换成0~5V的电压信号输出,该电压经8路模拟开关集成电路CD4051,实现8路电压扫描。运算放大器CA3140和晶体管Q\(_{1}\)、Q2构成电压-电流转换电路,OI\(_{0}\)至OI7均为0~10mA输出。利用模拟开关进行扫描切换时,要求每一路电压-电流转换器对输入的控制电压要有短期的保持能力,以保证电流输出不致突变。保持功能是由电容C\(_{H}\)实现的,它采用漏电极小的聚苯乙烯电容或涤纶电容。与保持电容并联的有CA3140的输入电阻及CD4051的关态电阻。CA3140输入电阻很大(Ri=10\(^{12}\)Ω)可略去不计,而电容的漏电流与CD4051关态漏电流之和大约为2×10-9A。如果要求在时间t=10ms内,电容上的电压低落ΔV\(_{c}\)不大于10mV,由公式C=I·t/ΔVc可计算出,电容器容量必须达到2000pF,可取2200pF以上。图1中的电位器W\(_{1}\)是μA741的调零电位器。它保证数字量为00H时,输出电压为0.00V。电位器W2是输出电压调节器。它保证数字量为00H~FFH时,输出为0~4.98V(可调至5V)。电位器W\(_{3}\)可以将对应数字量FFH的输出电流精确地调至10mA,转换精度可以达到0.5%左右。图1中8路电流输出可以共用一个直流电源Vs,当V\(_{s}\)>24V时,该电路可同时适用于250Ω、700Ω和1kΩ等不同内阻的调节执行元件或机构。

在IBM PC机及其它一些机器中,往往采用12位的数模转换,这时对电压-电流转换电路的精度要求势必相应增加。图2是其电路原理图。IC\(_{1}\)的型号为DAC1210,是12位数模转换器。它利用WR1-和WR\(_{2}\)-信号分两次写入高8位和低4位的数据信号。精密稳压电路AD581提供+10V高精度参考电压。IC3CA3140输出0~10V转换电压,由W\(_{1}\)调零,W2调满度。8路CMOS开关AD7503可以对10V电压进行切换(而CD4051只能对6V以内电压进行切换),0~3路是0~10V电压输出;4和6路是0~10mA电流输出;5和7路是4~20mA电流输出,图2中6路和7路省略未画。

0~10V电压转换为4~20mA电流,由运算放大器OP22调节输出电流I\(_{0}\),以满足在非反相模式工作下的电流总和关系:
V\(_{1N}\)/R1+V\(_{REF}\)/R2-I\(_{0}\)Rs/R\(_{3}\)=0
即I\(_{0}\)=[(R3/R\(_{1}\))V1N+(R\(_{3}\)/R2)V\(_{REF}\)]/Rs
式中V\(_{REF}\)由精密稳压电路REF02从直流电源Vs(参见图1)取得,V\(_{REF}\)=5V,令Rs=100Ω,V\(_{1N}\)=10V。按设计要求,应当满足:
I\(_{0}\)=0.16(10V/100Ω)+4mA,
比较以上两个I\(_{0}\)等式可知,要求R3/R\(_{1}\)= 0.16和R3/R\(_{2}\)=0.08;如选R1=100kΩ,则R\(_{3}\)=16kΩ,R2=200KΩ。该电路的精度取决于+5V参考电压以及电阻R\(_{1}\)、R2、R\(_{3}\)和Rs的精度。根据上述介绍,读者可以设计出任意区间的电流转换电路。直流电源V\(_{s}\)可以选用12V至36V的稳压电源。
图2电路不能共用一个电源,电路印制板成本较高。(许奇雄)