目前使用的电风扇大多为机械调感方式变速,这里给大家介绍一种电脑程控附加器,配接家中已有的普通电风扇,即可增加很多功能,详细说明如下。
1.功能
①强、中、弱三档风速控制;②强、中、弱三档仿自然风控制;③睡眠定时器,分为1、2、4小时三档选择,且为间歇式工作;④关闭定时器,分为0.5、1、2小时三档选择。如与睡眠定时器串联使用时,定时可长达6小时;⑤内设轻触开关一个,可控制电机摇头或灯光;⑥内设过载自动切断电路,以保安全;⑦有50/60Hz时基选择;⑧在仿自然风功能中,根据塑料或金属扇叶的不同,风速转换速度可为5秒或10秒;⑨各程序与风速档次均有发光二极管显示。
2.工作原理
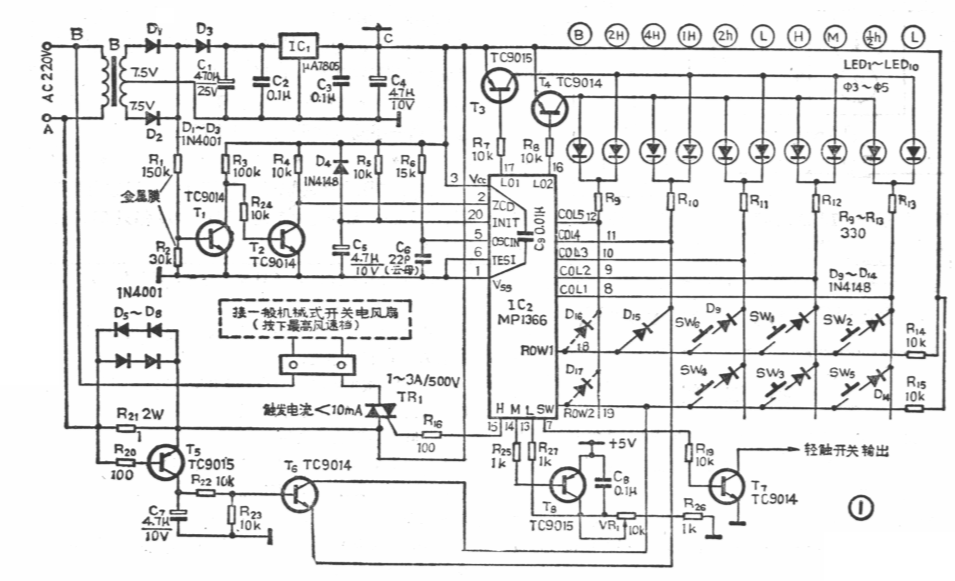
以单只双向可控硅控制调速为例,电原理图见图1。

①电源电路:由电源变压器B及D\(_{1}\)、D2、C\(_{1}\)、IC1等组成,向电路提供5V电源。②零交叉检测电路:由T\(_{1}\)、T2及外围元件组成,当交流电过零点时,T\(_{2}\)会产生一个脉冲送至IC2第2脚,作为整个系统的计时时基信号以及双向可控硅触发的起始点,以保证可控硅为过零触发。③主时钟发生电路:IC\(_{2}\)第5脚为主时钟输入端,采用外接RC方式(R6、C\(_{6}\)),振荡频率一般为4~6MHz。④功能操作键盘及LED扫描电路:键盘是个5×2矩阵,IC2第18、19脚为扫描输入端,8~12脚为扫描输出端。LED显示排列方式也是一个5×2矩阵,它与键盘炮阵共用5条输出线,另外2条线(IC2第16、17脚)作为各个功能键的工作状态显示。⑤风速控制电路:当IC\(_{2}\)第11与18脚之间不接D15时,即可用三只双向可控硅代替传统的按键来控制变速电感工作,其控制电路见图2。IC\(_{2}\)第13、14、15脚为触发输出端,无输出信号时呈开路状态,有输出时为低电位,使可控硅被触发。当IC2第11与18脚间接D\(_{15}\)时,即为用一只双向可控硅作相位控制进行调速,这种工作方式不用改动电风扇,可与普通机械调速式电风扇配套使用。使用时把电风扇插头接到附加器上,按下风扇“强风”档,操作附加器即可产生各种功能,这时IC2只用第15脚控制一只双向可控硅TR\(_{1}\),利用不同“导通角”来控制电风扇的转速。当风速被选为“强风”时,导通角为360°,当风速被选为“弱风”时,导通角由C8(VR\(_{1}\)+R26)的时间常数决定,这是为适应不同的电机及扇叶所设计。因为电机的负载较大时,太小的导通角不能使风扇启动,这时便需要调整VR\(_{1}\),使风扇有一个适当的“弱风”速度,而又能使风扇于“弱风”运转中启动自如。IC2则可自动设定出“中风”导通角。⑥过载自动断电电路:由T\(_{5}\)、T6及R\(_{21}\)组成,当负载电流小于“最大容许值(Imax)”时,R21上的压降小于0.6V,T\(_{5}\)不导通,电路正常工作;当负载电流超过Imax时,T5导通,继而T\(_{6}\)导通,使IC2第19与11脚短路,此时IC\(_{2}\)开始计时,如10秒钟两脚仍处于短路状态,则IC2的第13、14、15脚变为开路状态,使双向可控硅截止,电风扇的电源被切断。此时LED\(_{6}\)、LED8、LED\(_{1}\)0将同时闪烁,所有操作键均失效。若要恢复风扇正常操作,必须先把电源切断,然后再加电才能使IC2重新工作。这样设计意图是让用户断电检修,以免出事故。R\(_{21}\)可以计算R21=0.6Imax,图中所给数值是按600mA算出的。⑦50/60Hz选择:I\(_{C}\)2第12与18脚间接D\(_{16}\),便可使用60Hz时基,如不接D16则为50Hz时基操作。⑧“仿自然风”风速转换速度选择:IC\(_{2}\)第19与12脚间如接D17,则在“仿自然风”运转时,会每停止10秒运转一次(运转时风速随机变化)。如不接D\(_{17}\)则每停止5秒运转一次。前者适合金属扇叶,后者适合塑料扇叶。

3.功能键操作方法
①SW\(_{1}\)—风速控制键。按一次,风扇便以“弱”风开始运行,LED10同时亮。以后逐次按下,则按下述顺序变化:停→弱风(LED\(_{1}\)0亮)→中风(LED8亮)→强风(LE\(_{6}\)亮)→弱风……。②SW2—2小时关闭定时器控制键。当风扇启动后,按一次则进入30分钟定时,同时LED\(_{9}\)亮。以后逐次按下,则按下述顺序变化:30分(LED9亮)→1小时(LED\(_{7}\)亮)→2小时(LED5亮)→取消→30分……。③SW\(_{3}\)—4小时睡眠定时器控制键。该键操作方法与SW2相同,变化顺序为:1小时 (LED\(_{4}\)亮)→2小时(LED2亮)→4小时(LED\(_{3}\)亮)→取消→1小时……。④SW2与SW\(_{3}\)串联使用:此时“关闭定时器”先工作,这期间可随意选择风速及仿自然风方式。当此定时结束,则“睡眠定时器”开始工作,此时为间歇式工作,“仿自然风”不起作用。⑤SW4—仿自然风控制健(LED\(_{1}\)显示)。⑥SW5—手动轻触开关。⑦SW\(_{6}\)—断电键。(路玉民 陈光远)