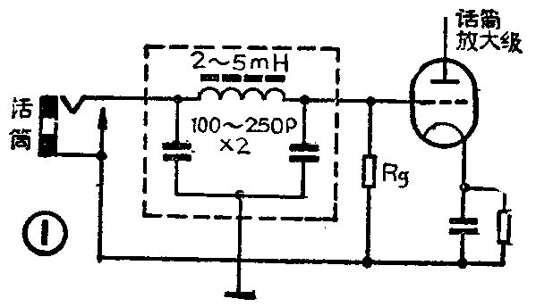
我村广播站有一台扩音机,当用话筒广播时,扬声器里能听到无线广播电台的声音。消除这种干扰一般可采取以下几个措施:1.将扩音机机壳接上良好的地线。2.高阻话筒线的长度要限制在10米以内,越短越好。3.在扩音机话筒放大级的输入端(电子管栅极或晶体管的基极),加装高频滤波器如图1。若已知本地电台频率,也可加装高频陷波器如图2,L可选用晶体管收音机的中周线圈,电容C可根据发射台频率的高低,在47pF~56pF范围内选取。(梁怀斌)


我村广播站有一台扩音机,当用话筒广播时,扬声器里能听到无线广播电台的声音。消除这种干扰一般可采取以下几个措施:1.将扩音机机壳接上良好的地线。2.高阻话筒线的长度要限制在10米以内,越短越好。3.在扩音机话筒放大级的输入端(电子管栅极或晶体管的基极),加装高频滤波器如图1。若已知本地电台频率,也可加装高频陷波器如图2,L可选用晶体管收音机的中周线圈,电容C可根据发射台频率的高低,在47pF~56pF范围内选取。(梁怀斌)

