在检修过程中,有时会遇到一些不标注型号或型号已模糊不清的集成电路(下面均简写为IC),也有些集成电路虽有型号但却无法查到其特性参数。
代换不明特性IC的基本方法是:先找出它的应用电路图,然后对照整机中相应电路,估出主要参数,最后选择合适的IC代换,下面讲解代换的步骤。
1.测绘IC应用电路图 如能找到随机电路图当然省事。但一些整机(尤其是进口或组装的杂牌机)往往不带电路图,这就需要根据机中的印制电路板测绘。测绘的一般步骤如下。①拆下印制电路板。把限制印制板翻动的开关、电位器、扬声器及各个插口的引线与印制板上相连的焊点(或接触点)一一记在纸上(可画成简图)。然后焊下或拔下(对采用接插件的连接点而言)这些引线。以便于在测绘中反复翻动印板。②用一张白纸,在其中心位置画一矩形框表示要代换的IC,并根据整机中实物的情况给它添上相应的引脚。然后在距IC框中心的上、下3~4cm处各画一条水平线,上面一条表示电源线,下面一条代表地线,如图1所示。③按IC的引脚排序(如自1脚到7脚或反之从7脚到1脚)逐个查看每一引脚对应印制线路上所焊接的元器件及其数值。查完一个引脚就画出相应的元器件及连接线,并标注上元器件的数值或型号等,直至全部引脚均查完。

2.选择合适的代换IC 要选择合适的代换IC,就必须对原IC的主要参数有个大概的了解对功放IC来讲,需要的参数是电源电压和输出功率;对前置放大IC,参数只是电源电压。功放IC和前置放大IC的增益参数也很重要,但许多功放和前置IC的闭环增益均可通过其外围负反馈支路电阻的比值来调整,因此只要选用这类IC作替换器件,则增益参数便可免予考虑。对于电机稳速IC,需要的参数是电机工作电压(或相应的电源电压)。上述参数如何推估呢?对于电源电压,只需用电压表测量一下原IC的电源引脚对地电压即可知道(注意需拆下原IC测量)。对于输出功率参数,一般可从音响整机的说明书或机内扬声器标称功率上估算出来。通常音响整机所标注的额定输出功率(也称RMS功率或连续功率),即失真度不超过规定值(一般THD=10%)时的正弦波输出功率,就是替换IC的输出功率参数的选择依据,两者相同或相近均可;若选择不到,两者相差20%~30%也问题不大。至于电机稳速IC的工作电压参数,通常只要看看电机外壳上所标注的工作电压值便可知道。
为了便于大家进一步理解和掌握不明特性IC的代换方法,下面列举几个代换实例。
1.无型号前置放大IC代换 一台收录机的前置放大IC损坏。先根据其印制电路板绘出前置放大部分的电路图如图2所示,并测出前置IC的电源电压(9脚对地)为5V左右。将图2与国产前置放大IC-D3210(同日本三洋LA3210)的典型应用电路相比较,发现两者甚为相似,只是前者的2、7脚间比后者多接一只100kΩ电阻。再看D3210的推荐电源电压为5V,与图2中相符。另外两者的引脚排序完全一致,封装结构也均为单列直插式,只是外形上有所不同,但并不影响直接互换。于是便用D3210直接予以代换,结果效果很好。代换时唯一需对原电路改动的地方是拆去连接在IC2、7脚的100kΩ电阻。

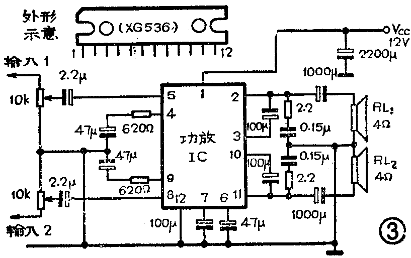
2.无型号功放IC的代换 一台收录机因功放IC损坏出现无声故障。该机无图纸,功放IC上也无型号,该IC是12脚单列直插式塑封结构。根据印制板画出的应用电路图如图3所示。另外该收放机标注的输出功率为MPO=20W(双声道)。依据上述资料,选用国产XG536作替换IC。XG536(或日本的BA536)在V\(_{CC}\)=12V、RL=4Ω、THD=10%时的输出功率为4.5W,折算成MPO=4.5×2.4为10.8W,双声道功率和便为21.6W,略高于图3电路。XG536的封装外形、引脚排序及典型应用电路均与图3中的IC相同,因此可以直接代换图3的IC。代换时需将IC4脚和9脚外接负反馈电阻改为120Ω,否则电路的电压增益将不足。

3.功放IC——KA2201的代换 一台收录机中采用了南朝鲜三星公司生产的KA2201型功放IC。这块IC损坏后,怎么也查不到它的主要特性,而且又不见整机电路图。但通过对印制电路板测绘,得知KA2201的应用电路如图4所示。图4与国产XG820(同TBA820M)的典型应用电路一样,而且XG820与KA2201的封装形式、引脚排序相同。因此用XG820直接代换KA2201,结果获得良好效果,输出功率达到原机指标(1W左右)。

4.汽车收音机功放IC的代换 伏尔加轿车收音机中有一种型号为K174YH7的功放IC。在国内查不到这种IC的特性参数,更难以购到原型号替换件。但可以用国产DG810或SD810SH(同TBA810S)直接予以代换。代换的理由如下:①根据印制电路板绘制的功放电路如图5所示,该图与DG810的典型应用电路完全相同,仅个别外围元件的数值有些差别。②K174YH7的封装外形及引脚排序与DG810完全一样,两者均为带散热片12脚双列直插式结构,且引脚呈叉开状。③DG810在V\(_{CC}\)=14.4V 时的P0=6W、V\(_{CC}\)=12V时P0=4.2W、V\(_{CC}\)=9V时P0=2.6W、V\(_{CC}\)=6V时P0=1W(以上R\(_{L}\)均为4Ω、HTD=10%),与轿车收音机的实际情况相符。所以,估计K174YH7与DG810一样,也改机械稳速电机为电子稳速是TBA810S的仿制品。经直接代换后证实了这一判断。代换时必须注意把DG810自身的散热片可靠接地,否则IC易损坏。此外代换后若觉得声音发飘或有自激现象,可以把IC6脚所接负反馈电阻RNF改为56Ω,同时将C\(_{B}\)改为1500~2200pF,便能解决问题。

5.无型号电机稳速IC的代换 一台袖珍放音机中的电机稳速IC被烧坏。根据印制电路板绘出的稳速电路如图6所示(稳速IC用其外形图表示),其中电机的工作电压为DC3V。将图6与常用稳速IC的典型应用电路图比较,发现和LA5522的应用电路完全一样。再根据电机工作电压为3V这点,便可基本肯定该稳速IC为LA 5522或其同类品。于是用LA5522直接替换,实际使用后表明效果良好。(王德沅)
