日本索尼公司(SONY)在CX20029的基础上,又推出了最新单片调频/调幅(FM/AM)立体声收音机集成电路CXA 1238 P/M。CX1238P/M融合了CXA20029的全部功能,并且由原来的48脚减少为双列直插30脚(CXA1238P)和30脚扁平封装(CXA1238M),而且在应用电路上省去了价格较贵的76MHz晶体。

CXA1238P/M相当于TA7335P、TA7640P、TA7343P三个集成电路的功能。它的内部包括调幅变频、中放、检波、调频高放、变频、中放、鉴频、自动增益/频率控制和调谐指示、立体声指示、静噪、锁相环(PLL)立体声解码器、立体声音频输出等电路。CXA1238P/M的外形见图1,内部电路见图2,其典型应用电路如图3所示。

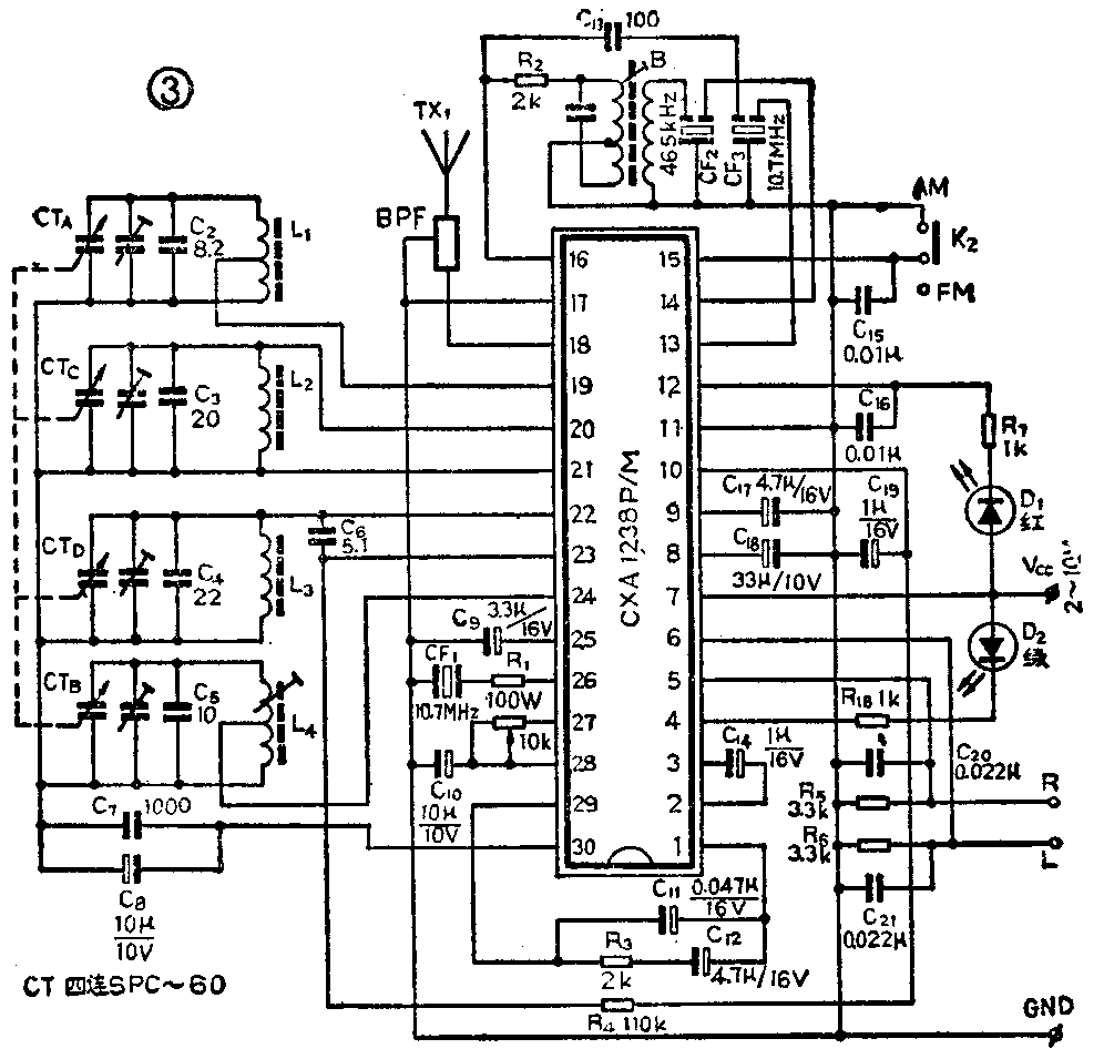
现将图3电路作简要说明:当电路工作于调频波段时、调频信号经拉杆天线TX、带通滤波器(BPF)进入CXA1238P/M的18脚。外接元件CT\(_{c}\)和L2及集成电路内电路组成调频高放系统。CT\(_{D}\)、L3组成调频本振电路。C\(_{6}\)、C4与CXA1238P/M的22、23脚内的电路组成自动频率控制(AF-C)电路。混频后的信号由16脚输出,经C\(_{13}\)、CF3中频滤波器送至13脚。CF\(_{1}\)、R1与CX-A1238P/M的26、25脚内的电路完成鉴频功能。电路还有静噪和调谐指示功能。

电路工作在调幅状态时,调幅信号经磁性天线L\(_{1}\)、CTA组成的调谐电路进入集成电路,CT\(_{B}\)、L4是本振电路,24脚内为混频电路。混频信号由第16脚输出,经R\(_{2}\)、中频变压器B、中频滤波器CF2至14脚进行中放。外接在9、10脚的C\(_{17}\)、C18具有自动增益控制作用。中波段也有静噪和调谐指示功能。
由于CXA1238P/M可以工作在0.4~27MHz频段,所以只要外接一些元件,即可实现AM全波段接收。
CXA1238P/M内的立体声解码电路是典型的锁相环解码电路,内部结构和LA3361、ULN3809基本相同,当输入的复合信号足够大时,集成电路内的立体/单声开关自动打开。这时电路工作于立体声状态。其分离度可达50dB,通道差小于1dB。并点亮立体声指示灯。
电路中密封四连采用SPC-60型,如果另外加短波段,四连用GBM-244B。
BPF用88~108MHz带通滤波器,CF\(_{1}\)是二端10.7MHz滤波器,CF2是465kHz滤波器、CF\(_{3}\)是三端10.7MH滤波器。电容器用瓷介质电容器,电感及线圈必须自制,数据见表1。集成电路在焊接时应注意烙铁接地或用余热焊接。调试方法请参照本刊87年3期《CX 1019 AM/FM收音机》一文。

CXA1238性能指标如下:工作电压2~10V;静态电流25mA;选择性32dB;AGC范围45dB;失真度≤0.4%;立体声分离度≥40dB。(徐晶)