汤姆逊彩色电视机采用的是自激式开关稳压电源,其电路设计比较特殊,底板与市电隔离,所用的集成电路和元器件较多,维修难度较大,因此,本文先对电源电路的各部分电路原理进行分析,然后再介绍其检修方法,以供维修人员参考。
工作原理
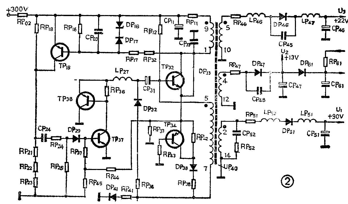
该机的电源组成如图1所示,下面介绍各部分电路的工作原理。

1.自激开关式变换电路:这部分电路如图2所示,图中的TP\(_{32}\)为开关管,UP40为开关变压器,其中①⑨为初级绕组,⑤⑦为反馈绕组,⑥⑩、④、②为输出绕组,DP\(_{33}\)为阻尼二极管,CP33为逆程电容。当接通电源后,由桥式整流电路送来的+300V左右的电压,一路经RP\(_{12}\)加至开关管TP32的基极,另一路经开关变压器⑨①绕组加到TP\(_{32}\)的集电极,TP32开始导通,其集电极电流流经⑨①绕组,在⑤⑦绕组感应得到一个⑤端为正、⑦端为负的感应电压,这个感应电压使开关管TP\(_{32}\)的基极电位上升,形成了一个ib↑→i\(_{c}\)↑→v5↑→v\(_{b}\)↑的正反馈环路,ib的电流回路是:UP\(_{4}\)0⑤→TP32的be结→RP\(_{42}\)(暂时不考虑TP34)→DP\(_{38}\)→RP38→UP\(_{4}\)0⑦→UP40⑤,于是TP\(_{32}\)很快进入饱和状态,此时⑨①绕组上加有近300V的电压,其磁化电流“匀速”上升。由于⑤⑦绕组上获得的反馈电压基本“恒定”,因此正反馈所形成的基极电流也基本“恒定”。当ic增大到一定值时(i\(_{c}\)>βib),基极电流就再也无法维持TP\(_{32}\)的饱和导通状态,则TP32将退出饱和区,i\(_{c}\)将停止增长,于是⑤⑦绕组无感应电压,ib迅速减小,因而出现i\(_{b}\)↓→ic↓→v\(_{1}\)↓→v5↓→v\(_{b}\)↓→ib↓的正反馈回路,反馈绕组感应得到电压是⑦端为正、⑤端为负,⑤端的负电压加到TP\(_{32}\)的基极,⑦端的负电压通过RP41、DP\(_{41}\)、RP33加至TP\(_{32}\)的发射极,使TP32迅速截止,直至RP\(_{12}\)上通过的电流再次启动TP32重新导通为止,上述过程将周而复始地循环下去,形成间歇振荡。

DP\(_{33}\)和CP33的作用与行输出级上的阻尼管和逆程电容的作用相同,在TP\(_{32}\)截止期间,DP33处于反偏而截止,CP\(_{33}\)与UP40的①⑨绕组产生自由振荡,使TP\(_{32}\)的集电极上出现1100Vpp左右的峰值电压,在它们经过二分之一周期振荡后,DP\(_{33}\)由反偏变成正偏而导通,振荡被阻尼,使TP32集电极电位逐渐还原到300V,很明显,接入阻尼二极管和逆程电容,一是可提高电源效率,二是可保护开关管。另外,CP\(_{33}\)与TP32的截止时间长短有密切关系,CP\(_{33}\)容量越大,TP32截止时间越长,反之,截止时间变短。
TP\(_{34}\)的作用:TP34并在电阻RP\(_{42}\)上,其作用相当于反馈回路的有源可变负载。在开关管TP32饱和导通期间,TP\(_{34}\)也随之导通,随着TP32的集电极电流增大,发射极电位上升,TP\(_{34}\)也进入饱和导通,并且其ce结的导通内阻迅速变小,相当于反馈回路中的反馈电阻也在变小,因而促使TP32迅速进入饱和状态。当开关管TP\(_{32}\)截止时,TP32的集电极电流减小,其发射极电位下降,使TP\(_{34}\)ce结的导通内阻迅速变大,因而促使开关管TP32加速转为截止状态。可见,接入TP\(_{34}\)可缩短开关管TP32的开关变换时间。
TP\(_{16}\)、TP37、TP\(_{38}\)这三个晶体管的作用主要控制TP32的导通时间。当TP\(_{32}\)饱和导通时,TP32的集电极电位下降,于是TP\(_{16}\)也导通,其集电极电流骤增,并且经CP24、RP\(_{24}\)、DP29和TP\(_{37}\)的发射结对CP24充电,此时TP\(_{37}\)饱和导通,其集电极电位下降,TP37的集电极电位下降也就是TP\(_{38}\)的基极电位下降,因此TP38也饱和导通,TP\(_{38}\)饱和导通后,其发射极电位下降,由于LP27和CP\(_{31}\)的存在,使TP32的基极电位延迟一段时间下降,这段时间即为TP\(_{32}\)的饱和导通时间。TP32的饱和导通时间长短由LP\(_{27}\)和CP31的大小来决定,LP\(_{27}\)和CP31大时,TP\(_{32}\)的饱和导通时间则长,反之TP32的饱和导通时间则短。当TP\(_{32}\)截止后,TP16随之截止,于是CP\(_{24}\)通过RP21、RP\(_{22}\)、RP23、RP\(_{26}\)和RP24进行放电,同时由反馈绕组得到的⑦端为正,⑤端为负的电压通过RP\(_{34}\)、DP32、CP\(_{31}\)回路对CP31充电,为TP\(_{38}\)、TP37提供工作电压,使TP\(_{38}\)的发射极电位逐渐上升,直至TP32又开始饱和导通。
当自激开关变换电路正常工作之后,由开关变压器UP\(_{4}\)0三个次级绕组分别整流输出+90V、+13V和+22V电压。图中UP40左右两侧所标的接地点不是同一接点,是互相隔离的,在分析与检修时应注意这点。
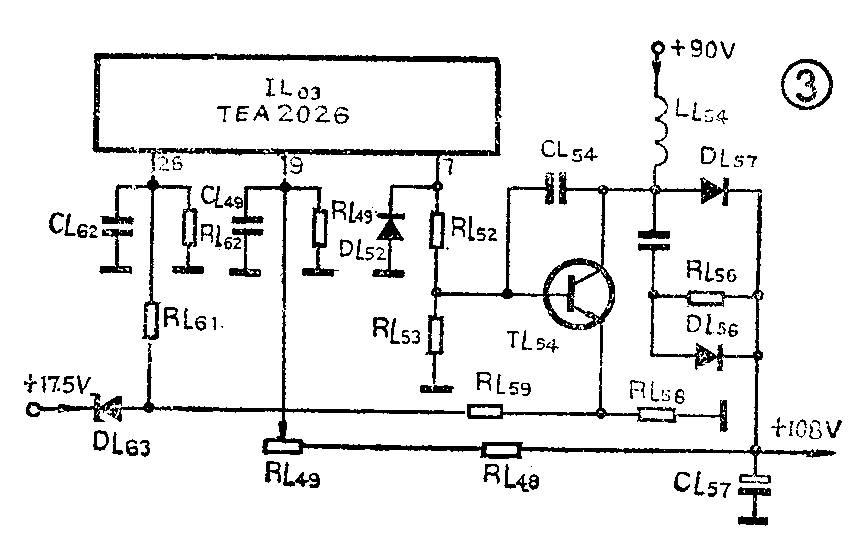
2.自举开关式稳压电路:这部分电路如图3所示,图中LL\(_{54}\)为储能电感,TL54为开关管,DL\(_{57}\)为整流管,DL56为保护和抗干扰二极管,RL\(_{49}\)为取样电位器(或+108V调整电位器)。当自激开关式变换电路正常工作之后,由开关变压器UP40②绕组整流输出的+90V电压送至LL\(_{54}\)的上端,从集成电路IL03⑦脚输出的行脉冲加到TL\(_{54}\)的基极,于是三极管工作在开关状态。当TL54饱和导通时,+90V电压通过LL\(_{54}\)、TL54的ce结及RL\(_{58}\)到地,使电感LL54储能;当TL\(_{54}\)截止时,由于电感电流不能突变,因此在电感LL54上产生一个下端为正上端为负的电压,此电压与+90V电压迭加,通过DL\(_{57}\)整流,输出+108V电压。稳压工作过程如下:当由于某种原因使+108V电压下降时,从取样电位器DL49上获得的取样电压也下降,此电压由⑨脚送入集成电路TEA2026内部的脉宽调制电路,使⑦脚输出的开关脉冲在行频内脉宽加大,脉冲间隔缩短,此开关脉冲加到开关管TL\(_{54}\)的基极,使TL54的饱和导通时间延长,LL\(_{54}\)的储能增加,于是与+90V电压迭加后整流输出的直流电压就上升。反之,由于某种原因使+108V电压上升,则产生与上述相反的过程,使输出的直流电压下降。

3.可遥控串联式稳压电路:这部分电路如图4所示,图中的IP\(_{61}\)为串联式稳压组件,TR74为遥控开关管,IR\(_{25}\)为微处理器。当微处理器IR25收到“开始工作”的信号时,它的⑦脚输出低电平,遥控开关管TR\(_{74}\)截止,则稳压组件IP61③脚输出稳定的+12V电压。如果微处理器IR\(_{25}\)接到“暂停工作”的信号,IR25的⑦脚输出高电平,遥控开关管TR\(_{74}\)导通,于是稳压组件③脚的输出电压被切断,整机无+12V工作电压,各部分电路工作暂停。

4.集成电路双正向稳压电路:这部分电路如图5所示,图中IR\(_{81}\)(TEA 5110 Z)为稳压集成电路,IR25为微处理器。当由开关电源电路输出的+13V电压加到集成电路TEA 5110 Z的脚和⑨脚时,其⑦脚和脚输出+5V的电压供给机微处理器IR\(_{25}\)和其它附加电路。

检修方法
检修步骤可按图6所示的方法进行,在该电源电路中最容易出故障的电路是自激开关变换电路和自举开关式稳压电路(见图6中带*的框图),下面主要分析这两部分电路的检修方法。

1.自激开关式变换电路的检修:这部分电路出现故障时,故障现象是无光栅、无伴音、无数字显示。检修时首先断电检查保险丝管是否熔断,如果保险丝管熔断并且RP\(_{0}\)2或RP11烧黑或烧断,即可断定是自激开关式变换电路有短路故障。这部分电路最容易损坏的元件是电容器CP\(_{24}\)(1000pF/500V),当CP24被击穿或漏电时,TP\(_{16}\)集电极上近300V电压就直接加到TP37的基极上,此时TP\(_{37}\)的发射结极易开路或击穿。如果TP37的发射结开路,则TP\(_{32}\)管的自激振荡就失去控制,TP32就会因长时间饱和导通而烧毁。TP\(_{32}\)击穿后,如果保险丝尚未熔断,则TP32集电极上的高压就加到RP\(_{33}\)和CP31上,使这两个元件损坏,接着TP\(_{34}\)的发射结也因过流而烧毁,TP38被击穿或开路。如果TP\(_{38}\)开路,则高压就相当于加到DP41和RP\(_{41}\)上,使这两个元件也因过流而损坏。由此可见,当开关管TP32烧毁后,极易造成TP\(_{34}\)、TP37、TP\(_{38}\)、RP33、RP\(_{41}\)、DP41、CP\(_{31}\)等一系列元器损坏,因此,在检修这部分电路时,应采用电阻测量法,对可能损坏的元件进行全面的检查,不要遗漏。如果这部分电路损坏很严重,则应再检查印刷电路是否有烧断或开路现象。本机对TP32管的要求是:耐压高、开关特性好,如果无法找到同型号管,可用2SC5305代换,或者用本机的行输出管代换,而行输出管TL\(_{37}\)可用2SD1397、2SD1475等塑封管代换。由于2SD1397和2SD1475均内含阻尼管,因此,在代换时要将电路上的阻尼二极管去掉。
在检修这部分电路时还应注意几点:(1)开关变压器UP\(_{4}\)0的两侧接地点是分离的,在测电压时要注意。(2)测量时,最好在RP11与UP\(_{4}\)0的⑨脚之间串入一个0.5~0.75A的熔丝管,以防TP32击穿后进一步损坏其它元器件。(3)切忌强行通电测量电压。(4)切忌只查出个别损坏元件,就通电试机。
2.自举开关式稳压电路的检修:这部分电路最容易出现的故障是开关管TL\(_{54}\)损坏。在检修时,先测量108V输出电压,如果108V输出电压下降至90V左右,再测量开关管TL54的基极有无行脉冲信号,有行脉冲信号,则可断定是开关管TL\(_{54}\)开路。此时的故障现象是行幅变窄、聚焦不良或有声无光。如果在输出端测不到108V电压,并且也无+90V电压输入,则应检查自激开关式变换电路中的TP32是否正常工作,即测一下TP\(_{32}\)的基极有无负压,集电极有无300V的电压,如果这两个电压均正常,应检查TL54是否击穿,因为当TL\(_{54}\)击穿后,则+90V电压对地严重短路,于是UP40的反馈绕组⑤⑦将无法获得反馈电压,致使TP\(_{32}\)停振。如果TL54没有击穿,有可能是其它负载电路有短路故障。如果测到TP\(_{32}\)的基极无负压,则说明是自激开关式变换电路中的控制电路或反馈电路有故障。在控制电路中,主要检查TP37是否击穿,当TP\(_{37}\)击穿后,TP38的发射极始终处于低电位,则TP\(_{32}\)无法起振。在反馈回路中,主要检查TP34是否开路。另外,UP\(_{4}\)0的①⑨绕组匝间短路,也会引起TP32停振。
在检修自举开关式稳压电路时要注意:该电视机要求+108V的输出电压要非常稳定,因此,在检修电源电路后,特别是更换TL\(_{54}\)后,要微调取样电位器RL49,校准+108V电压。(唐建新 陈君禹)