间接代换法需遵循的原则是:代换用的IC的功能和主要电特性应与原IC相同或接近。下面介绍几种间接代换方法。
1.原位代换 “原位代换”是指把替换IC直接装在损坏IC的原来位置上。它适合在两者外形相似、引脚数一样或接近的情况下代换。为便于大家加深对上述操作要领的理解,现举一个用D4422代换M51514AL的实例M51514AL损坏后很难购到,找不到可直接代用的国产IC,故用D4422(同LA4422)予以间接代换。(M51514AL与LA4422的主要参数差别不大,因而符合间接代换的基本条件。)两者的封装外形如图1所示,不仅相似,而且引脚数相同,对原位代换很有利。两者的典型应用电路见图2,安装M51514AL的部分印制板见图3。下面结合图1~图3来说明代换的具体方法。



①切割图3印板上M51514AL各引脚所对应的连线。②将M51514AL从印板上拆下,再用软绝缘导线接(图2)的关系焊上被切割的印刷线。③对比两IC的应用电路,可知M51514AL比D4422多用了C\(_{A}\)、CB、C\(_{C}\)三个电容器,而D4422的4脚所接静噪电容器(100μF)在M51514AL应用电路中没有。CA和C\(_{B}\)都是防自激电容器,代换时可不用拆去。但CB对放大器的高端频响有一些影响,若代换后感到高音受抑,可把它拆除或换用小容量电容器。C\(_{C}\)原是滤波电容器,现D4422的4脚改接至M51514AL的3脚,使CC变为静噪电容器。D4422的静噪电容器原用100μF,现从充分利用原有元件这点考虑,用C\(_{C}\)(10μF)顶替,实践表明可行,同样能抑制开机杂散噪声。
2.借助插座代换 这种间接代换形式与原位代换较为相似,不同之处在于把替换IC插入插座。
TBA820和TBA820M均是2W音频功放IC,两者的内电路结构及电特性差别甚微,互换没有问题。但不能直接互换,因为两者的封装外形差别很大,TBA820是14脚双列直插式封装;TBA820M则采用8脚双列直插式封装。两IC的典型应用电路如图4所示(虚线连接的元件为TBA820M所有)。从图4可见,TBA820虽比TBA820M多6个引脚,但其中的3、6、9、11脚系空脚;8、10两脚均为接地脚,一般应用时总是连在一起。除此之外,就剩下13脚了。该脚实际上在IC内部通过一个1Ω电阻与输出脚(12脚)连接,这样应用时可省去并联在负载(扬声器)两端的RC相位补偿网络中的电阻。

根据以上资料,就可着手代换了:用一个14脚双列直插式插座,按照图4所示的对应关系,用硬绝缘导线把插座对应于TBA820的各脚分别焊接到印制板原TBA820M各脚相应的焊点上去。因原电路中已有负载相位补偿RC网络,故TBA820的13脚不用。全部焊接完毕,插上TBA820即可(如图5)。

3.叠层代换 把替换IC与“专用”插头叠层安装在一起,连接好各引脚及必要的IC外围元器件,就成了一个可直接插入原IC插座的专用代换器件,这就是叠层代换形式,如图6所示。叠层代换的主要特点是可避免改动原电路或可把改动降到极小程度。下面介绍用D4112叠层代换5G31的实例。5G31是国内早期的音频功放IC,一度应用较广,但现在很难买到。实际上用目前易购而又价廉的D4112(LA4112)代换5G31很理想。5G31和D4112的典型应用电路分别如图7a、b所示;这两块IC均采用带散热片的14脚双列直插式塑封结构,但5G31的两侧都有散热片,而D4112的散热片在封装外壳的一侧。用D4112叠层代换5G31的具体方法如下:


①用一块坏的双列直插式14脚IC(最好是陶瓷封装的)。将IC的封盖撬去,把内部芯片及各条引线都清除干净,使每个引脚都与其它引脚可靠绝缘,这样便得到一个专用14脚双列插头。
②将D4112叠放在专用插头上,用硬绝缘导线按图7将两者的引脚互焊好。用硬导线连接的目的是使叠层牢靠。在焊插头的引脚时应注意把焊点选在引脚上部,否则会使插头无法插入印板上的IC插座内。
③按图7连接好D4112所需的外围元件。图7a中的C\(_{6}\)(50pF)用图7b中的C6(100pF)代替;图7a中的C\(_{5}\)、C8及R\(_{z}\)在原电路中没有,故需增接在叠层器件上。在连接外围元件时应注意分布均匀合理,同时要便于叠层器件插入及拔出印板。需说明的是,图7a中的Rz在D4112的典型应用电路中原来是没有的。由于原5G31的应用电路的V\(_{CC}\)=12V,已超出D4112的极限(11V),为可靠起见就设置了这个降压电阻。若原电路的VCC低于10V,则R\(_{z}\)可以省去。
④外围元件全部焊好后,一个可直接插入印板原位中而取代5G31的叠层器件就完成了,原电路却未经一丝一毫的改动。由于D4112的耗散功率比5G31大,因此代换后一般不需另设散热片。
4.改位代换 如果找不到适合采用以上3种代换形式的IC,通常可以考虑采用改位代换形式。改位代换的一般步骤是:将替换IC按其应用电路焊装在一小块印制板上,再将该印板装在机内合适的部位,然后通过接线把该印制电路板连接到原电路的相应端点上去,从而代换原IC所承担的功能电路。下面对一个改位代换实例加以说明。
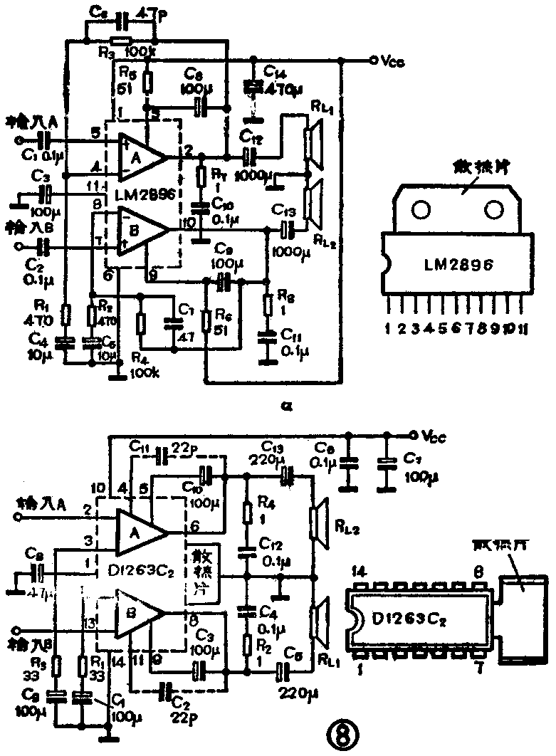
双声道音频功放集成电路LM2896在小型和袖珍型立体声收音机或收录机中的应用较广,但损坏后在国内很难配到,也无可直接代换它的易购器件,故用国产D1263C\(_{2}\)(同日本NEC的μPC1263C2)作改位代换。LM2896的典型应用电路及外形如图8a所示;D1263C\(_{2}\)的典型应用电路及外形如图8所示。代换时将D1263C2装在一块50×50mm\(^{2}\)的铜箔板上。该铜箔印板上不用腐蚀线路,D1263C\(_{2}\)的散热片直接焊在铜箔上,而对应于IC引脚部位的一小块铜箔则用小刀挖去。这样,铜箔就兼作散热板使用,D1263C2的各脚与原电路各相应端的连接通过软导线直接焊连。装有D1263C\(_{2}\)的铜箔印板可用四条内芯为φ1.2mm的绝缘导线焊固在原IC的上方或其它空位上,四条导线与原印板的焊点应选在原电路的接地端。整个焊装示意图见图9所示。


装完D1263C\(_{2}\),就可改动原电路中的外围元件了。一般只需拆去图8a中的R3、R\(_{4}\)、R5、R\(_{6}\)、C6、C\(_{7}\),同时将R1和R\(_{2}\)改为39Ω左右、C4和C\(_{5}\)改为100μF左右就行了。如果代换后出现自激现象,通常只要把拆下的C6和C\(_{7}\)分别焊到D1263C2的8脚、11脚和4脚、6脚上便可排除(见图8D1263C\(_{2}\)接线图中虚线连接的C2及C\(_{11}\))。(王德沅)