一台日立牌VT-660录象机开启电源后送入磁带盒,加载电机转动,但带盒未进入带仓又中途停止,按下弹出健,带盒能弹出,加载电机无规律动作,最后电源自动关闭。偶尔带盒能送入带仓,但也立即弹出。采用手动装带法装入磁带盒,机器工作正常。
分析:带盒强行装入后,录象机工作正常,这说明装带控制部分有故障,加载电机能运转,这说明电机正常,问题出在检测电路或执行电路(微处理器部分),由于微处理器一般不会轻易损坏,因此检测电路有故障的可能性最大。由于找不到该机的电路图,因此笔者根据实际机器绘出检测部分的电路结构,见图1。图中带盒灯为一个红外发光管,D\(_{1}\)为带尾检测光电管,D2为带头检测光电管,由A、B两端输出检测信号送入微处理器,完成控制功能。正常情况下,开启电源后,带盒灯发出红外光,D\(_{1}\)管或D2管受光导通,A端或B端输出高电平(约9V),送入微处理器,磁带盒即可推入带仓。如果D\(_{1}\)或D2管中有一个管不能受光导通或导通不好,即可造成上述故障。

检查:打开机盖,用万用表测得C点电压为10V,A点电压为9V,用黑纸遮挡带盒灯,A点电压变为0V,说明D\(_{1}\)管正常。再测B点电压,发现该电压仅在0V或3.5V之间变化,电压明显偏低,再用台灯放在带仓上方,增加带盒灯的照度,可使B点电压提高到5V以上,机器故障排除,说明故障为光敏管D2低效。
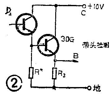
措施:此故障只需更换一个好的光电管即可,但市售光电管大都是圆形顶部受光结构,而该机所用的光电管为扁方形一侧受光结构,并且装配位置非常狭小,因此,用市售光电管不能代换。为了解决这个问题,笔者采用加普通三极管放大的方法,仅花几角钱就解决了问题。具体方法:在印刷板上将D\(_{2}\)射极输出连线断开,加入一个NPN三极管和一个电阻,见图2,三极管可选用3DG6、3DK2、3DG201等。电阻数值的选取可根据实际调整决定。调整方法是先用一个0~200k的电位器来代替电阻R\(^{*}\),用万用表测量B点电压,然后反复遮挡带盒灯,调节电位器,使B点电压在挡光时为0V,不挡光时为9V。为了证实代换是否成功,再取一盘磁带进行试验,当磁带盒在进出带仓时都很顺利,并且其它功能也正常,可将电位器换成固定电阻。

还有一点要说明:在故障未排除时,如果强行把磁带盒装入带仓,虽然录象机也能运转,但由于光电管D\(_{2}\)低效,不能输出检测脉冲,因此,在磁带运行到终端出现透明带时,就无法自动停机,只能等透明带运行到头,供带盘拉不动了,录象机才停机。(张群宜)