目前大多数电视机没有静噪声功能,即在无信号时,如节目因故中断或节目播出结束,转换频道时落在无节目的空档位上以及调谐未收到信号等情况下,扬声器会发出令人讨厌的噪声。笔者制作了一种使电视机具有静噪功能的电路。它能使电视机在未收到信号时,扬声器处于安静状态(噪声完全抑制),收到信号时则正常放音。同时利用该电路可实现亮度控制和无节目后自动关机。这样就给电视机增加了一些自控功能,经实际使用效果很好,现介绍给大家,有兴趣者不妨一试。
电路原理
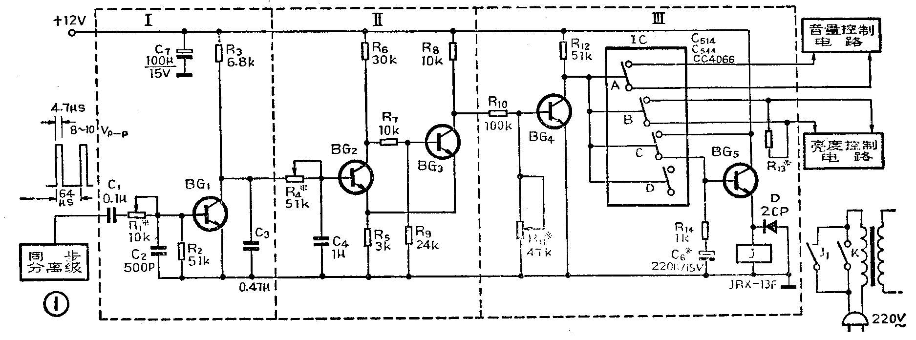
图1是该电路的原理图。电路由三部分组成(图中用虚线隔开),第一部分是识别电路用以识别电视机的工作状态(有无信号)。识别电路是一个锯齿波发生器,由BG\(_{1}\)和外围元件组成。同步分离级输出的同步信号作为控制信号加到BG1的基极。有信号时,BG\(_{1}\)在同步脉冲的作用下工作于开关状态。同步脉冲的休止期间[64-4.7=59.3(μs)]为低电平,使BG1截止,此时集电极为高电平。电源+12V通过R\(_{3}\)向C3充电。由于充电时间常数τ》充电时间t(τ=R\(_{3}\)·C3≈3.2ms,t=59.3μs),所以t时刻C\(_{3}\)上充得的电压远远小于电源电压,约为0.5V左右。同步脉冲持续期间(4.7μs)为高电平(峰值8~10V),使BG1饱和,C\(_{3}\)通过BG1放电。如此周而复始地在C\(_{3}\)两端形成如图2所示的锯齿波,其两端平均电压为0.5V左右。无电视信号时,因无同步脉冲信号而BG1截止,C\(_{3}\)上电压可充到10V以上,并无太大波动。这样C3上的电压高低就把电视机有无信号的工作状态区别开来。


第二部分电路是抗干扰整形电路,即由BG\(_{2}\)和BG3组成的施密特触发器。R\(_{4}\)和C4组成输入积分网络以滤除瞬间干扰,其τ值(R\(_{4}\)·C4)取10~50ms为宜。本电路设计了较大的回差,具有较强的抗干扰性能。有信号时,由于输入为低电平(BG\(_{1}\)的输出电压为0.5V),BG2截止,BG\(_{3}\)导通,输出低电平;无信号时,由于输入高电平(10V)而BG3输出高电平。输出电压经R\(_{1}\)0和R11分压后加到BG\(_{4}\)的基极。
第三部分是开关电路,由BG\(_{4}\)和模拟开关集成块IC组成。BG4是个反相器,工作在开关状态,其集电极电位控制模拟开关IC。IC是CMOS集成开关电路,在一个芯片上做了4个独立的模拟开关A、B、C和D,如图1所示。其中开关A作静噪控制,B开关作亮度控制,C开关作延时关机控制。有信号时,BG\(_{4}\)因输入低电平而截止,它输出的高电平使模拟开关IC接通;无信号时,BG4因输入高电平而饱和,它输出的低电平使模拟开关IC截止(关断)。
控制电路的接入
1.静噪控制:静噪开关A采用图3所示的方案接入电视机音量控制电路。接入前首先要弄清音量电位器活动臂位置与音量变化的对应关系,如果活动臂移向a端音量减小,采用图3(a)的接法;如果活动臂移向C端音量减小,则采用图3(b)的接法。这样,无信号时模拟开关IC截止,切断伴音信号与电位器的连接,使扬声器处于安静状态,达到了静噪的目的。有信号时开关IC接通而恢复电路工作。开关接通电阻为数百欧,不影响放音效果。上述方案适合所有牌号的彩色或黑白电视机。

2.亮度控制:彩色电视机不是用亮度电位器直接调节显象管栅阴极之间电位差的方法来实现亮度控制的,而是在亮度通道中完成。由于亮度调节电路使用的是低压电源(<12V),所以可用模拟开关IC控制,采用图4的方案接入电路。如果活动臂b移向a端时亮度降低,用图4(a)所示接法,反之采用图4(b)的接法。并联在IC开关B上的电阻R\(_{13}\)起亮度限制作用,即R13接入亮度调节电路使荧光屏亮度降低,R\(_{13}\)值越大亮度越低,可人为调整。有信号时,开关B接通使R13短路,荧光屏亮度恢复正常。无信号时,开关B截止使R\(_{13}\)接入,荧光屏亮度降低。由于IC开关动作的影响使亮度电位器活动臂给出的控制电位突变,使荧屏发生瞬间闪烁现象。在亮度控制放大器输入端接入C5,利用电容两端电压不能突变的原理可消除了这种现象。黑白电视机一般是用电位器直接控制显象管栅阴电位差来调节亮度,亮度调节电路上有上百伏电压,故不能直接用模拟开关IC控制,否则会损坏开关集成电路。这种情况下可选一个高反压三极管代替IC开关B,其控制方法一样,不再赘述。

3.延时关机控制:图1中IC开关C、BG\(_{5}\)和继电器J等组成延时自动关机电路。有信号时开关C接通,+12V经开关C加到BG5的基极,BG\(_{5}\)饱和导通使继电器J动作,接在电源输入回路中J继电器常开触点j1闭合。与此同时,电源+12V通过开关C和R\(_{14}\)向C6充电。需要自动关机时,将电视机的电源开关K关闭即可。待电视节目结束后,因无信号而IC开关C截止开路,这时C\(_{6}\)上所充的电荷通过BG5发射结和继电器线包释放,释放电流维持了BG\(_{5}\)继续导通。随着C6上电压的降低BG\(_{5}\)退出饱和区,经由放大区逐渐进入截止区使继电器J释放,常开触点j1断开,关断了整机电源。C\(_{6}\)的大小决定延时时间的长短,通常延时时间取30~60秒。
元件的选用与装调
1.元件选用:半导体三极管BG\(_{1~5}\)可选用BVceo>12V、β值大的3DK、3DG系列小功率管均可。电阻和电容只要数值正确即可。模拟开关IC可选用C514、C544和CC4066中任一型号,这三种电路的功能和外形引脚排列一样,因此可以互换,其外形如图5所示。继电器选用内阻大于600Ω、吸合电流小于20mA、接点电流不小于1A和工作电压为12V的小型灵敏继电器。

2.装配:按照图6制好印制板(1∶1),把选好的元器件依次焊上。因为开关集成块为CMOS电路,它的输入阻抗极高,容易受外界电磁场的干扰而损坏,所以在焊接时电烙铁外壳应该接地,或是断开电源而利用烙铁余热焊接。不用的输入端不能悬空,可接到电源或地,也可与其它输入端接在一起。按图3和图4将音量、亮度、延时等控制线接入电路有关部位。装配好的电路板装在电视机内适当位置固定好。

3.调试:电路板焊好检查无误后方可进行调试。接上电视机的+12V电源,接收当地任一电视台信号。调R\(_{1}\)使BG1的集电极对地电压为0.5V;再将频道选择置于无台档,此时BG\(_{1}\)集电极对地电压应为10V,识别电路就调好了。接着在无信号状态下调整R4使BG\(_{2}\)饱和,这时测R5上端对地电压约为1.5V。电视机转换成有信号后,则R\(_{5}\)上的对地电压约为3V。BG3集电极对地电压无信号时为12V,有信号时为3V。
接着调整开关电路。接收一个台的电视信号再调R\(_{11}\)使BG4截止,此时BG\(_{4}\)集电极输出高电平而使IC开关接通,电视机正常放音。转到无信号档时BG4应饱和,如果它的集电极对地电压高于1V,应更换β值大的管子,使IC开关可靠截止。
最后调整C\(_{6}\)使电视机在无信号后,继电器J释放的延时量为30~60秒。(杨晓林)