在体育运动项目中,传统的拔河比赛深受广大群众的喜爱。
本拔河比赛游戏机可由4(或者6、8)人分两组进行对抗赛,其形态逼真,其乐无穷,很受青少年的喜爱。
游戏机的面板如图1所示,上面9只发光二极管一字排列,代表比赛用的绳子。其中第五位上为红色发光管,它指示“绳子”的起始中间点。面板上有9只按钮,中间那只为复位用。K\(_{1}\)为电源开关,K2、K\(_{3}\)为游戏人数选择开关。

游戏开始前,5号位红色发光管发亮,表示绳子处在中间位置。游戏开始后,左、右两组人员,各方同步按下按钮,如果左方那组人员同心协力、步调一致地按下了按钮,那么发光管发光位左移,即5号位灭,4号位亮。这表示绳子向左方移动一格;如果此后右方那组人员比左方更能步调一致(同步按下按钮),那么发亮的发光管向右方移动,即4号灭,5号亮,表示绳子向右方移动一格后又回到起始位置。如此过程来回进行,直到9号位(或者1号位)发光管亮,即表示绳子被左方(或者右方)拉过来,左方(或者右方)才算获得本次比赛的胜利,这时音乐块奏乐以示祝贺。
电路原理
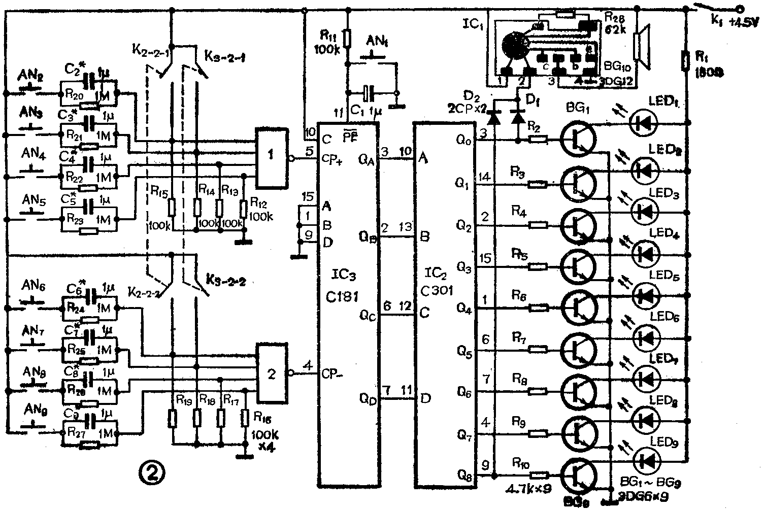
拔河游戏机的电路见图2所示,其中C301为译码器,发光管LED\(_{1}\)~LED9等组成译码指示电路。C181为可预置可逆计数器,它组成加法或减法电路。与非门1、按钮AN\(_{2}\)~AN5等组成加法控制器。与非门2、AN\(_{6}\)~AN9等组成减法控制器。IC\(_{1}\)为音乐集成电路。

接通电源,电压经R\(_{11}\)、C1组成的积分电路为C181的PE-脚提供一负脉冲。由C181电路的逻辑功能,即表1可知,在此负脉冲的低电平时C181电路被ABCD(0100)输入所预置,输出电平为0100,经C301译码器(功能真值表如表2)译码,输出端Q\(_{4}\)输出高电平,LED5亮,指示绳子在中间起始位置。


如果同时按下AN\(_{2}\)~AN5(图1中左边的按钮),则门1在此正脉冲作用下输出一负脉冲。C181的CP\(_{+}\)脚在此负脉冲上升沿的作用下使C181电路作加法计数,输出电平变为0101使C301输出端Q5变为高电平,则LED\(_{6}\)亮,表示绳子向左方移动。同理,如果同时按下AN6~AN\(_{9}\)(图1中为右边的按钮),则C181电路作减法计数,LED向右方移动一位。如此过程一直进行到LED指示移至LED9或LED\(_{1}\),音乐集成电路被触发奏乐为止。如果LED9发光管亮,则表示左方获胜;如果LED\(_{1}\)发光管亮,则表示右方获胜。
按下复位按钮AN\(_{1}\),C181电路又被ABCD输入所预置,LED5亮,游戏机又回到起始状态。
选择开关K\(_{2}\)、K3同时断开、其中一个接通或同时接通、分别为8人、6人或4人参加比赛。
元件选择与调试
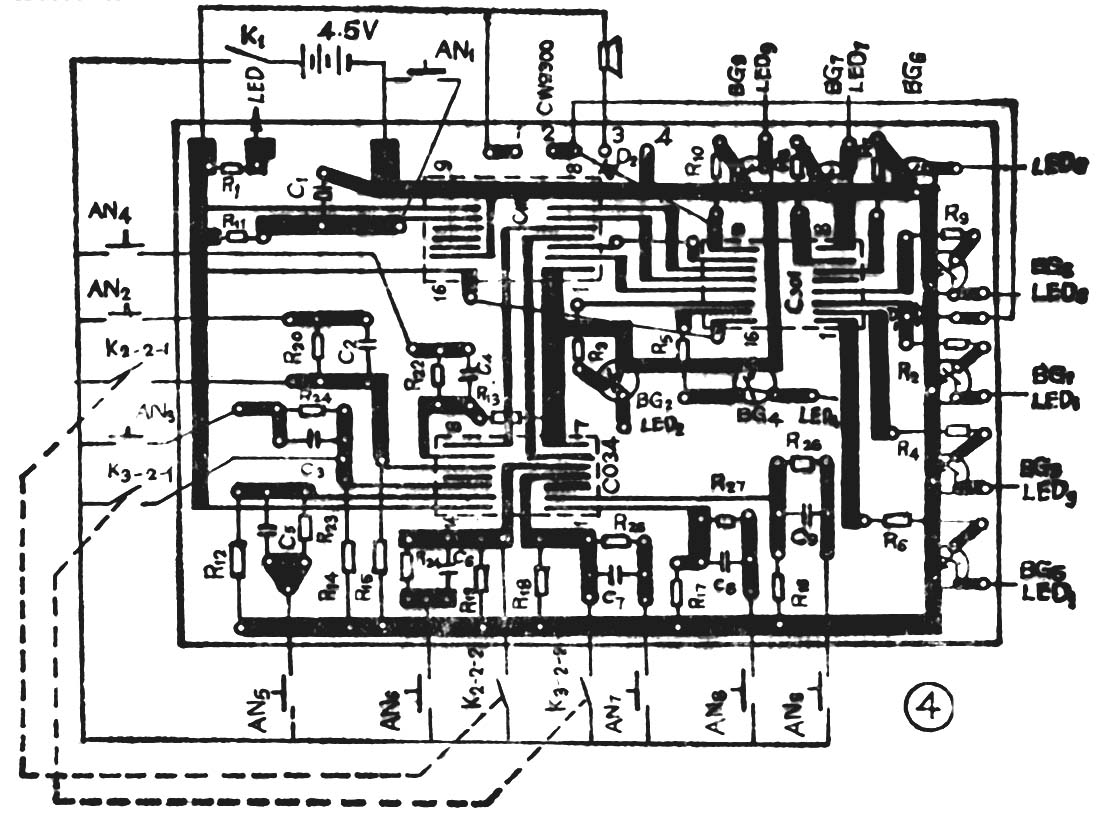
游戏机共用4块集成电路:C181,C301,C034(4输入2与非门)以及CW9300音乐集成电路。前三种电路的管脚排列如图3所示。

发光二极管都用方型的,其中LED\(_{5}\)用红色管,LED1~LED\(_{4}\)用绿色管,LED6~LED\(_{9}\)用橙色管。K2、K\(_{3}\)用2×2型开关。除发光二极管、开关和按钮外,其余的元器件都焊在图4所示的印制电路板上。

这里需要说明的是C\(_{2}\)~C9的取值不同,游戏的难易程度就不同,如果加大电容值,则游戏变得容易。实验表明,C\(_{2}\)~C9的容量可在0.1μF~5μF之间选取。(王威)