在经常停电的地区,家中备一只蓄电瓶和一台应急电源、一台充电器是很必要的。下面介绍一台简单实用的自动充电应急电源电路。
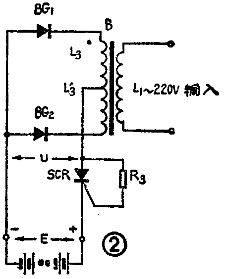
电路图见图1,K\(_{1}\)拨到“1”为空档,将K1拨在“2”位置,变压器B、三极管BG\(_{1}\)、BG2和电阻R\(_{1}\)、R2等组成共发射极推换自激振荡逆变电路,该电路输出50Hz方波,功率为60W,电压在220V左右,由变压器的1、2两端输出,供给家用电器使用。需充电时,K\(_{1}\)拨在“3”位置,充电电路工作,外电网电压220V通过变压器B的L1降压,经过L\(_{3}\)、L’3三极管BG\(_{1}\)、BG2组成全波整流电路。三极管的基极与发射极被K\(_{1}\)短路,等效成二极管,图1电路变成如图2所示电路,经过可控硅SCR对蓄电瓶充电,当电瓶充足时,整流输出电压U等于蓄电瓶的电压E,这时的充电电流将趋为零,当小于可控硅的维持电流IH时,可控硅SCR自行关断,所以,不会发生对蓄电瓶过充电的现象。


三极管BG\(_{1}\)、BG2为3DD15A,B≥60,最好配对使用,可控硅SCR为3CT5,耐压≥50V,触发电流I\(_{G}\)≤5mA,维持电流IH≤200mA,R\(_{1}\)为1瓦300欧,R2为4瓦2.4欧,R\(_{3}\)为1/4瓦680欧,变压器最好选用C型铁芯,这样可提高转换效率。变压器B的数据详见图1。K1选用4刀3掷的波段开关。
本电路只要装配无误,即可正常工作。电路逆变时有轻微振荡声。如停振,可调换变压器B的次级3、5两接头。振荡频率决定于变压器,无需调整。 (李筱荣)