1.将连续闹音改为断续闹音
有的电子钟,如LM8361芯片制作的数字钟,其闹铃声是连续的,听起来很不舒服,为此,可用冒号输出的秒脉冲来调制,使其变成每秒一声的断续音。(动态显示方式的电子钟芯片,如LM8560无秒信号输出,无法采用此法)。
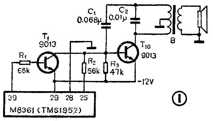
如图1所示,不接T\(_{1}\)时,当25脚有闹铃信号输出时,25脚为0V,T10得到偏置工作,B组成的振荡器起振,喇叭发出一连续音。当接入T\(_{1}\)和R1后,由于39脚输出为周期1秒,高(0V)低(-12V)变化的方波使T\(_{1}\)一会儿导通,一会截止,T1导通时强迫T\(_{1}\)0截止,振荡器停振。从而产生周期为1秒的断续铃音。

2.二分钟止闹
一般的数字电子钟,起闹后闹铃声要持续响59分钟,这显然是太长了。要使它几分钟内自动止闹,一般是用555时基电路等做一个单稳延时电路来解决。但是,这样做成本较高。图2电路只需1只晶体管1只电阻,就可使闹铃声在响闹后1分或2分钟后自动停止。

LM8361的17脚是分个位的g段,26脚是“止闹”端,在闹铃响后,只要将26脚碰一下地即可止闹。例如,我们可能将闹时定在AM6:30或PM7:00,只要闹铃时间的分个位定为0,闹铃声响后2分钟,分个位就变成2,g段熄灭即LM8361的17脚为0V。从图中可见,当17脚是0V时,T\(_{1}\)由截止变成导通,从而使26脚通地,立即止闹。如果要想1分钟止闹,那么,调闹铃时间时,可将分个位定在1上, 例如AM6:31。响闹后1分钟,分个位由1变为2,T1导通,立即止闹。
需要说明的是,采用本电路以后,只有将分个位定在0、1时,闹铃才会正常工作。
3.精确的60Hz时基信号发生器
用32768Hz手表晶体做电子钟时基信号的方法各刊以前均有介绍,但这种做法首先是假定32768Hz晶体可以工作于32760Hz,而后再经546级分频得到60Hz信源。但是,实际上32768Hz的石英晶体很难降为32760Hz使用。图3为常用的晶振电路,当C\(_{3}\)的容量大于50P以后,对降频的作用已微乎其微,当C3大于500P以后,电路极易停振。依笔者多次的试验,在不停振的前提下,频率最低可降到32765Hz左右。这样,经546分频注入电子钟后,电子钟每天要快10~12秒。能否得到更精确的60Hz时基信号呢?笔者采用锁相环电路4046使得日误差小于1秒。电路详见图4。图中,由4060组成振荡器和预分频器,配合32768Hz晶体产生时基信号并分频,从2脚输出4Hz信号注入4046的14脚(信号输入端),在锁定状态时,4046迫使其第3脚(比较输入端)也为4Hz。图中C156接成分频系数为15的分频器,将分频后的信号反馈回4046,使4046的第4脚可获得15×4=60Hz标准时基信号。T\(_{1}\)将60Hz信号整形并加大幅度送入LM8361的35脚信号输入端。为使整个电路工作稳定,使用了R4和4046内部的稳压二极管组成的稳压电源供电。有关锁相环电路4046的原理及应用电路,详见本刊1987年第8期。(许葆华)

