微机使用中经常遇到多部主机共用一台打印机的情况,这里介绍两部主机共用一台打印机的共享接口。
接口原理
主机在与打印机通信时,先由CPU查询打印机的ACK-(空)或BUSY(忙)信号,以检测打印机的当前状态。如果打印机“忙”,则主机等待:如“空”则把管理权交给优先级高的请求主机。打印机的服务时间等于连续信息通信所需的最长时间,这可以确保当前管理主机的信息传输连续;打印完后,打印机脱离当前管理主机,转去为当前请求服务的最高优先权主机服务。
电路分析
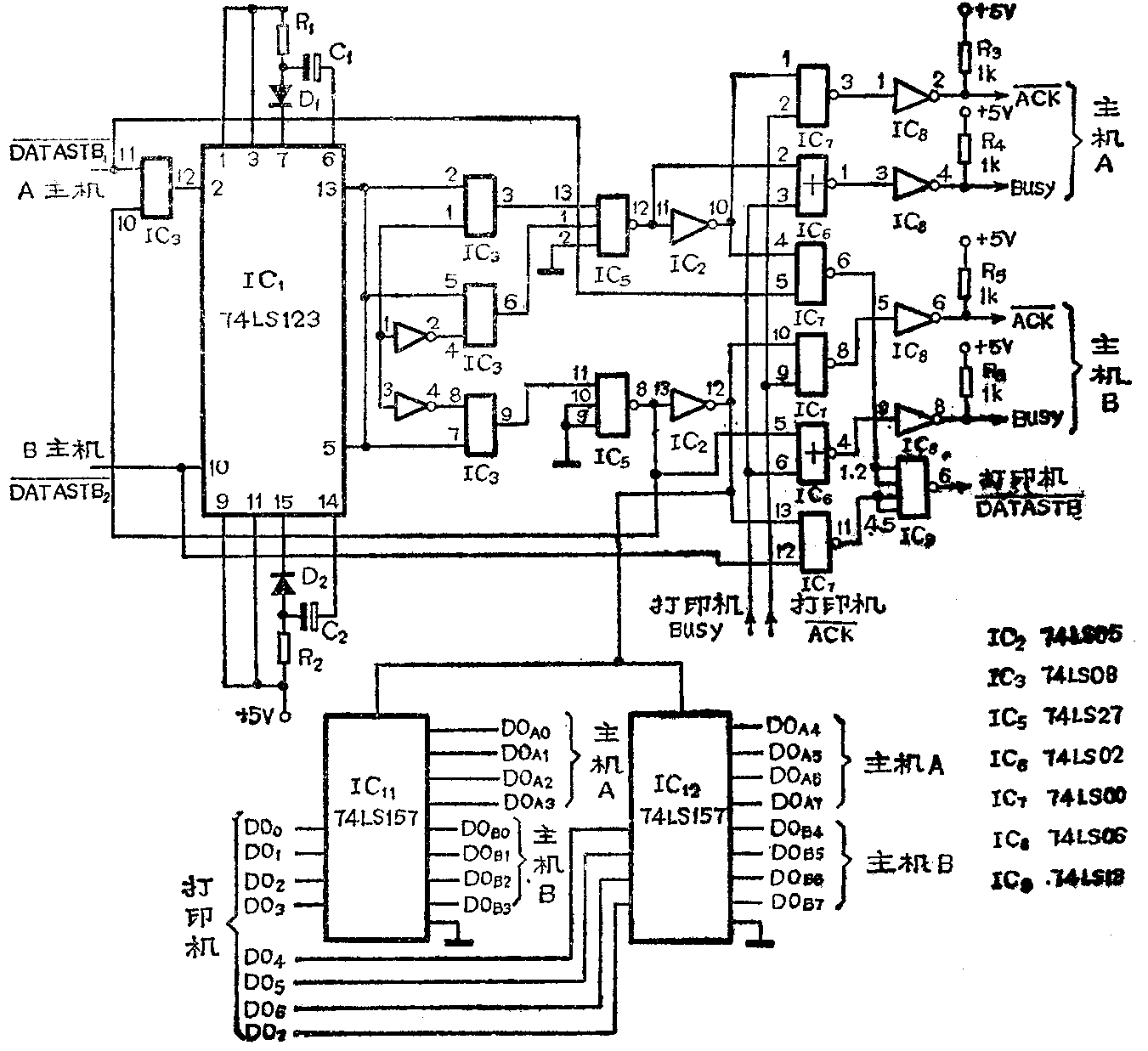
附图是该共享接口电路原理图。主机CPU发出选通脉冲信号DATASTB\(_{1}\)-及DATASTB2-;只延迟门IC\(_{1}\)使该脉冲信号转变为电平信号,使得IC1的5、13脚输出电平能反映主机当前申请情况(R\(_{1}\)、C1、R\(_{2}\)、C2用来调节输出电平保持时间);IC\(_{2}\)和IC3构成真值表(1)译码器。当IC1的B\(_{13}\)端和5端输出为“11”、“10”时,IC5的12端输出低电平;当IC1的13端和5端输出为“ 01 ”时,IC5的8端输出为低电平,这两个电平通过IC2使IC7开通BUSY和ACK-到主机的通路。为防止打印机正在为B服务时,优先级更高的A的请求信号打断正在进行的服务,从IC5的8脚引一条控制线到IC\(_{3}\)的10脚,IC5的8脚的低电平阻断A主机选通信号DATAS-TB1进入IC\(_{1}\)。IC2的12脚用来控制多路开关IC\(_{11}\)和IC12,控制选通A或B主机数据线。

主机A、B和打印机C的关系可用真值表1表示。当只有一台主机申请服务时,C把管理权就交给它;当A、B同时申请服务时,C只对A开放;当C正在为B服务时,禁止A对C的服务申请,直至为B服务完毕。这样就实现了两部主机共享一台打印机。(陈白勇)
