直接代换法虽然简单易行,但由于音响器件种类繁多,各公司对产品型号的命名法又不同,有时从型号上难以区别两种器件能否互换。国外生产的不少音响器件尽管型号相似,但不一定可以相互直接代换。所以在选购及使用时要务必注意,否则不但使代换失败,还会引起集成块或其它元器件损坏。这类音响器件不能直接代换主要有以下几种情况:
1、两者的引脚排列顺序相反:国外一些厂商生产了不少同功能、同型号、同电特性参数、同引脚数和同封装形式,但引脚排列完全相反的器件。这类集成电路一般可分成“正向引脚”和“反向引脚”两种。前者的引脚排列与常见普通器件相同,识别方法一样;后者的引脚排列与前者相反;若将两者引脚对而放置在一起,则各引脚位置相互对称,相对应的两引脚功能一样,如图1所示。

可见,弄清器件是“正向引脚型”还是“反向引脚型”对代换来讲至关重要。那末如何来判别呢?主要用下面方法:(1)看看型号后有无后缀字母R。有R,是反向引脚型器件;没有R则为正向引脚型器件。例如:HA1339A、HA1368、HA1389是正向引脚型器件;它们的反向引脚型号器件分别为HA1339AR、HA1368R、HA1389R。(2)有些具有正、反向引脚之分的器件在型号上并没有区别,但一般在起始脚附近的外壳上都有色点、色带、凹坑或短直线等识别标记。识别时,紧靠标记的引脚为第1脚,由第1脚数起,依次为1、2、3、4……脚。显然,对单列直插器件来讲,引脚号自左向右排列的器件系正向引脚器件;自右向左排列的器件为反向引脚器件。图2所示就是LA4507的两种引脚排列形式。双列器件的情况与单列器件相似,通常引脚号呈逆时针方向排列的器件为正门引脚器件;呈顺时针方向排列的器件是反向引脚器件。(3)许多反向引脚器件与它相应的正向引脚器件采用差别甚微的不同型号。例如:TA7240AP和TA7241AP、TA7263P和TA7264P、MB3712和MB3713、MB3714A和MB3715A、μPC1181H\(_{3}\)和μPC1182H3、AN7154和AN7155、μPC1241H和μPC1242H(以上均为输出功率为5.5W~6W的功放器件)等等。这类器件很容易判别,反向引脚器件的型号一般是在正向引脚器件型号序数上加1而成。

在识别器件引脚的排列时,还必须注意国产器件都是以顶部正面外形为表示(主视)图,即顶视图;国外器件除了采用顶视图外,也有用底部正面外形为表示图——即底视图。要识别是顶视图还是底视图,只需注意看一下器件图旁边或下部的说明文字即可。前者一般为”顶视”或“Top View”,后者为“底视”或“Bottom View”。图3中分别示出了功放器件μPC1263C2和单片录音机电路LA4160的顶视图和底视图(常见的是后者)。

引脚排列相反的器件不能互换,这仅是就大多数情况而言。但有例外,如:单列直插器件,只要器件反置安装不影响其散热器和正常工作,便可以相互直接代换。
2、引脚形式不同:象μPC1238H和μPC1238V、TA738lP和TA7331P—LB等同型号器件仅仅是引脚形式不同(见图4),它们相互间直代虽然也有困难,但一般可参照原器件的引脚外形,对将代换器件引脚弯折或扳直等整形后就能互换了。

3、封装外形或引脚数不同:这类同型号器件一般不能直接互换。如:TBA820是双列直插14脚封装外形,TBA820M则采用双列直插8脚封装外形。两者外形和引脚数都相差较大。又如TA7331P和TA7331F,前者系单列直插9脚封装结构,后者则为16脚扁平封装结构,它们不能互换。
4、主要特性参数不同:有些音响器件改进后,只是在原型号后添加或改变一个后缀字母以示区别。如TDA2030和TDA2030A、TDA2040和TDA-2040A、HA1374和HA1374A、AN7145M和AN7145H、AN7146M和AN7146H、TA7628P和TA7628HP等等。这类器件的代换问题较为复杂,应根据代换和被代换器件间的主要差异及整机中的具体情况而定。当两者的特性相差不大时,一般直接代换的可能性就很大。
有些器件尽管型号不同,但主要功能、电特性、封装外型及引脚排列却相同。这类器件一般都能直接互换。下面举几个这方面的代换实例,供读者参考。
1、LA4420和LA4430的互相代换:LA4420和LA4430均是10脚单列带散热片封装的功放器件,两者的引脚功能完全一致,LA4420与LA4430仅是在输出功率上相差0.5~1W。对能输出5W左右的器件来讲,这点差异通常并不会影响整机正常工作。此外,LA4420比LA4430多一个负载短路保护功能,但这并非主要功能,故可以直接互换。
2、LA4182、LA4183、LA4192的互换:LA4182、LA4183和LA4192都是12脚双列直插结构的双声道功放器件,三者的内电路功能、引脚排列一致,主要电参数基本相同,仅是在外形尺寸及电压增益、输出噪声、静态电流等略有差异,因此完全可以互换。这3种器件的电源电压推荐值均为9V(极限11V,无信号时为15V),典型输出功率为2×2.3W(R\(_{L}\)=4Ω)。
3、LA4145和LA4146的互换:LA4145和LA4146均是9脚单列直插结构的功放器件,两者除静态电流有差别外(前者10mA、后者5mA)其余主要电参数以及引脚排列、功能等均相同,所以一般可以互换。
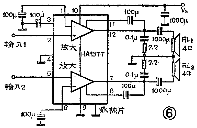
4、HA1392与HA1377的互换:HA1392与HA1377均是带散热片12脚单列直插塑封结构的双声道功放器件,从手册中查出,它们的静态电流及电压增益参数相差较大,但这并不影响互换。因为一般电路中的总增益都有较大富余量;同时动态电流常比静态电流大得多。另外,HA1392的电源电压用到13.2V左右时,输出功率也能达到5W以上。所以从主要参数上看,两者可以互换。但两者的引脚功能略有不同,典型应用电路也稍有差别,故代换时对外围电路要略作修改。HA1392的典型应用电路见图5;HA1377见图6。比较两图后可知,两者的主要区别在于④脚及输入电路。HA1392的④脚是静噪控制脚;HA1377内无静噪电路,④脚接地。此外,HA1392的输入脚②、⑤对地分别接有一个输入电阻。很明显,若用HA1392代HA1377,则需在②、⑤脚对地各加一个38kΩ输入电阻(不加电路会产生阻塞现象);在不需静噪功能时可将④脚接地。如果用HA1377代HA1392,则将④脚与地短接,同时可拆去②、⑤脚上的33kΩ电阻。此时,整机失去静噪功能。(王德沅)

