可调单结管,全称为Programmable Unijunction Transistor缩写为PUT。这是一种新型的四层三端负阻器件,它的性能与普通单结晶体管(UJT)很相似,但比它更优越。可调单结管的外形与小功率三极管一样,有金属与塑封外壳两种,见图1。它的三个极分别为:阳板A;阴极K;门板G。在电路图中的表示符号见图2。国产厂标型号为BT40,XG901D等。


一、PUT的特征与参数
可调单结管与普通单结管都广泛用于:双稳态线路;延时器;引燃着火和脉冲振荡线路中。它们的伏安特性曲线一样。它们有什么不同呢?我们知道,普通单结管只有一个P-N结。它的三个极分别是:发射极e;第一基极b\(_{1}\);第二基极b2。在b\(_{1}\)与b2间加电压V\(_{bb}\)后(b2接正),位于b\(_{2}\)—b1之间的发射极的电位高低,将决定于两部分硅片的角阻r\(_{bl}\)与rb2所形成的分压比,即:η=\(\frac{r}{_{b1}}\)rb1+r\(_{b2}\),当发射极电位Ve比该点电位高出一个结压VD,即Ve=η·V\(_{bb}\)+uD时,e对b\(_{1}\)导通。由此可知UJT的η是一个常数,约在0.3~0.85间。由于制造工艺使η值分散性大,而且一旦制成无法改变。而可调单结管的最大的特点是:rbl与rb\(_{2}\)由外电路自由设定。这就使得它的分压比η、峰点电流Ip和谷点电流Iv,都可以由外电路的元件参数的改变来进行调节。而且这种管子灵敏度高,漏电流小,脉冲上升时间快,动态电阻小;并且工作电压范围宽,输出功率较大。所以它受到了重视和欢迎。
可调单结管的内部构造是由四层半导体材料制成的,如图3(a)所示。众所周知:可控硅(SCR)的构造也是四层P、N材料,见图3(b)。PUT与SCR不同之处在于:PUT的门极从靠近阳极的N型半导体材料上引出,而可控硅则是从相邻于K极的P型材料上引出。从内部结构上看可调单结管是N栅晶体闸流管。图4给出它的工作原理示意图。阳极电压V\(_{A}\)与基极电压Vbb可以同用一组电源,也可用单独两组,但应有同一参考点。V\(_{A}\)一般工作时取20V左右。R1、R\(_{2}\)是相似于普通单结管的二个基极电阻,它们的选值举足重轻。门极申压VG=V\(_{bb}\)·η=Vbb·\(\frac{R}{_{1}}\)R1+R\(_{2}\)。RL是负载电阻,信号通常从R\(_{L}\)上输出。


二、可调单结管的工作原理
1.导通条件:V\(_{A}\)≥VG+V\(_{T}\),(VT为补偿电压)当阳极电位V\(_{A}\)比门极电位VG低时,阳—门极间反向偏置,只有微小的漏电流I\(_{GAO}\)流过,PUT处于关闭状态。但当VA大于V\(_{G}\),触发电流使阳—门极间P-N结导通,触发了PUT。管子内部产生了强烈正反馈,使A-K间呈低阻导通态(此点后面还要分析),通态压降≤1.5V。即VA一旦超过V\(_{G}\)的设定门限,A-K间的开通具有较陡直的瞬态特性。而VG的设定可以由外电路的控制电压V\(_{bb}\)和外接门极分压电阻R1、R\(_{2}\)来决定。实际上阳极电压VA要比门极电压V\(_{G}\)高出0.6V左右管子才导通,这个电压称为补偿电压VT。
2.PUT的特性曲线:图5为PUT的伏安特性曲线。图中所标:V\(_{P}\)—峰值电压,为PUT未导通前的最大阴阳极间电压。IP—峰值电流,为管子从截止区进入负阻区的转折电流值。V\(_{V}\)—PUT的谷值电压,为本器件由负阳区进入饱和区所对应的电压值。IV—可调单结管的谷值电流,对应于谷值电压V\(_{V}\)的阳极电流。

3.导通的瞬态过程:从图6所示的等效电路看到,可调单结管可视为由PNP和NPN两个三极管串接而成。当V\(_{A}\)>VP时PNP晶体管开始导通,而PNP管的集电极电流,又促成了NPN晶体管迅速导通。同时由于NPN的集电极电流的加强,反过来又促进了PNP晶体管的导通,二者形成正反馈。这时正向电流I\(_{F}\)突然增大,阳极电压反而快速下降。于是形成了特性曲线的负斜率段。和普通单结管与可控硅一样,这是一种负阻器件。

三、可调单结管的可调性
1.I\(_{V}\)和IP可调:由图6的已知条件经过推导后可得出关系式
IV=\(\frac{1+β}{_{2}}\)+β1·β\(_{2}\)-1×VG-V\(_{CES}\);RG,
式中:V\(_{G}\)=R1R\(_{1}\)+R2×V\(_{bb}\)=η·Vbb;
RG=\(\frac{R}{_{1}}\)·R2R\(_{1}\)+R2。
由此可见,谷点电流I\(_{V}\)对于某一支PUT来看,主要取决于外接电阻RG的大小。同时也影响着峰点电流I\(_{P}\)的大小。也就是说,RG的改变可以调变I\(_{P}\)和IV。
在长延时器中,参数I\(_{P}\)是影响时延长度的关键因素。下式给出了VG=10V时R\(_{G}\)—IP的相关函数。I\(_{P}\)≈KRG\(^{-}\)0.55,K为常数。这表明通过改变R\(_{G}\),可以得到要求的IP值,从而改变了延时器的时延。
2.V\(_{bb}\)可在较宽的范围内变动。因为VG的设定可由分压来调节。即使V\(_{bb}\)电压高,也可以通过R1和R\(_{2}\)的分压作用,使门极只承受较低的电压。
3.η可调。可调单结管的分压比η≈\(\frac{R}{_{1}}\)R1+R\(_{2}\),改变R1、R\(_{2}\)的值可很方便地改变分压比,这给整机调试和产品的互换带来了便利。总之,R1、R\(_{2}\)并联后的总阻值RG可影响I\(_{P}\)与IV,R\(_{1}\)与R1和R\(_{2}\)的串联后总阻之比可改变η。
四、可调单结管振荡频率的温度补偿
半导体器件的温度系数是影响器件稳定性的关键因素。PUT的补偿电压V\(_{T}\)和谷点电压VV都随温度的变化而有微小的变动。当要求用可调单结管做的脉冲振荡器有较好的频率稳定性时,就必须对器件加以补偿,以减小温度漂移。
V\(_{T}\)与VV的温度系数都是负的,二者相互作用的结果,致使综合温度系数变小。但仍存在着0.04%/℃左右的负温度系数。作为振荡频率的温度补偿方法,可以采用补偿V\(_{T}\)法和补偿VV法,图7给出通过V\(_{T}\)进行补偿的方法。电路中增加了二极管D1和电阻R\(_{3}\),可以通过改变Rg和R3来改变D\(_{1}\)的正向电流,使二极管的正向电压VD的温度系数和可调单结管的V\(_{T}\)温度系数相一致,这样就基本上消除了温度的影响。

五、应用实例
例一,自激驰张振荡电路:见图8,从R\(_{L}\)上输出波形见UOR,从振荡电容上输出锯齿波见U\(_{OC}\),从门极上取得波形见UOG。

例二,过压保护电路:见图9,这是一个直流稳压电源的过压保护单元电路。检测电压来自电源整机输出端SC\(_{+}\)及SC-,PUT管的门极接在分压点上,当分压点电压超过Z\(_{D}\)稳压值时,可调单结管接通了继电器电源,继电器吸合,控制接点切断了电源输出。稳压管抬高了保护电压的最小值,并减少了各种干扰的作用。电容C1、C\(_{2}\)是为了防止脉冲干扰而引起误动作。这个保护电路的过压保护范围可以在5至500伏之间调节。

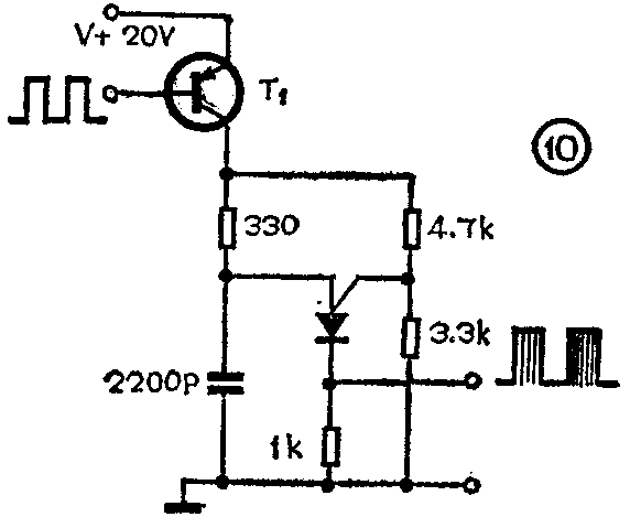
例三,压控振荡器:见图10,控制电压加至晶体管T\(_{1}\)时,可调单结管有了工作电源电压,同时产生振荡。当T1被控制电压截止时,该单结管失去电压而停振。因为它振荡与否取决于控制电压,所以称之为压控振荡器。控制电压来自专用电路。按图中所注C、R参数,可得到T=0.4ms、脉宽=8μs的脉冲串。

例四,电压比较器:见图11,从可控单结管的性能看,它具有比较功能,用它做电压比较器简易可行。当它未通时,T\(_{1}\)在截止态,输出低电平。当外电路电压升高到设定值时,分压点电压令单结管开通,T1立即饱和,输出跳到高电平,实际上就是U\(_{G}\)与UA相比较。这个比较器动作灵敏,带负载能力强,比较器的门限可以在很宽的电压范围内选定。

例五,脉冲整形器:见图12,当电路中触发脉冲的前沿不够陡直时,可采用可调单结管脉冲整形电路。当电容器充电至输入脉冲的峰值电压时,PUT导通。这个电路可以输出脉冲前沿为50~100毫微秒的脉冲串。电路中要求RC时间常数小于τ。

例六,可控电压斜波发生器:见图13,这个电路可产生斜波。电容经T不断充电,电压线性增长,当充电到达PUT峰点电压时,C放电。改变C和R都可以改变持续时间,持续时间正比于C的容量和U\(_{G}\)。当C=0.01μF,调UG则可得到持续时间为5.4ms的正向斜波。

例七,光控开关:见图14,当有光照时,光敏管内阻减小,U\(_{G}\)升高到与UA持平,PUT推动继电器吸合,反之释放。因为是由PUT直接带负载,继电器吸合电流应小于PUT的I\(_{CM}\),一般选小于100mA的微型继电器。光敏管的亮暗阻值比要大些。把光敏元件改成其它敏感元件,就可以得到相应的温度、压力、声音、湿度等控制器和报警器。(赵秋刚)
