电冰箱制冷系统的真空处理好坏,直接影响到电冰箱的工作状况和制冷效率。
制冷系统的真空处理,就是尽可能地排除水分和空气。水分的排除,主要是靠加热抽真空来实现。在抽真空时,对制冷系统进行加热,可以促进水分蒸发,更快达到高真空度。为达到这个要求,电冰箱生产厂家采用大型烘干设备和专用烘干房,但在其他修理部门,特别是个体修理店,就没有这样条件,更不可能将制冷系统与箱体分开去进行烘干处理。本人采取以下措施,获得了满意的效果,具体方法如下:
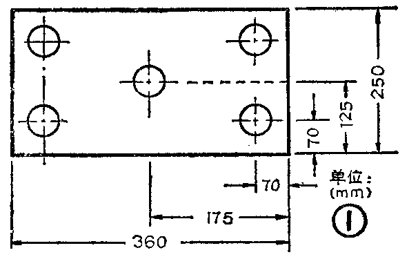
1.对蒸发器采用灯泡加热:取长350mm、宽250mm、厚10mm木板两块,每块板上按图1尺寸安装5个平灯头,插入25瓦白炽灯泡,将一块灯泡板放入蒸发器内,对上层烘烤;另一块放在箱内托盘上对蒸发器下层烘烤,如图2所示,将10个灯泡并联后用导线引出待用。


2.冷凝器采用喷灯加热(包括过滤器和部分毛细管):(1)取长1.8m、0.4m的一块薄白铁板,或用旧漆桶打开后拚制成,从0.9m处打折成V型,插在冷凝器上,如图3所示。它有两点好处:一是隔开箱体,避免温度过高损坏箱体背面的电源线和漆,二是能保温,同时可减少汽油的消耗。

(2)取长400mm、厚lmm铁板,卷成一端直径为φ30mm,另一端直径为15mm的锥状管,并用电焊将斜面接口处以及15mm孔封焊,管上每隔20mm处钻一个φ4.2mm孔,共19个,然后两端各做一个铁卡子,将锥管放在卡口内,多孔面向上对准冷凝器,其间距为50mm,再用喷灯对准φ30mm孔,根据不同电冰箱,用红砖来调整锥管和喷灯与冷凝器之间的高度。
使用时,将冰箱门关闭,用机械真空泵抽真空15分钟后,开启压缩机,同时将蒸发器灯泡接通电源烘烤,喷灯点燃后对φ30mm直径孔喷射。由于锥体所喷出的火焰是从19个小孔中放出,上升到冷凝器表面,又由于有V型铁皮罩盖,其热量基本上在V形铁皮内循环,从而在冷凝器上保持60~70℃的温度,此温度的高低直接受喷灯旋纽控制,而蒸发器的温升,由所用灯泡瓦数大小来控制,使其不超过50℃。然后将检修房间的门和窗关闭,减少热量外散,促使蒸发器、冷凝器及压缩机中的水分快速蒸发,并由真空泵抽出。实践证明,用一台YQ02.30型双线串联旋片式真空泵,只需1小时就可达到较好的真空度。
对于系统中的空气,可采用2次抽空法来排除,第一次抽空后,可注入少量R—12,使系统内压力达到标准压力或稍高于标准压力,再进行第二次抽空,可取得良好的效果。用空气压缩机打压检漏或充入制冷剂时,在压缩机前应装一个干燥过滤器,以去除空气和制冷剂中的水分。(李大洪)