SHARP GF-800Z双卡立体声收录机社会拥有量较大,该机功能也比较齐全。
然而根据对其电原理图的研究及实际使用感受,笔者认为该机在许多方面上有不尽合理和不够完善的地方:①调频接收灵敏度低;②录音电平低;③铬带录音时,没有改变录音均衡网络;④录音频响可进一步展宽。针对这些问题,笔者对该机进行了一些改造,如下所述。在不影响机器外观的前提下,增加了该机功能,明显提高了该机性能和适用性,而且其中一些改动也适用于其它一些型号的收录机。
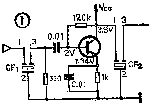
1.SHARP GF-800Z收音时,调频灵敏度明显偏低。离电台稍远,噪声就增大,立体声指示灯时亮时灭,接收很不稳定。根据分析,造成这种情况的主要原因是收音头缺少一级调频中放。调频中频信号从IC1(BA4402)⑤脚输出后通过调频中周T1及中频滤波器CF1后未经放大便直接进入IC2(AN7224)①脚进行中放与检波。因此考虑在IC1与IC2中间增加一级中放,以改善信噪比,提高接收灵敏度。具体电路见图1。三极管使用2SC380(0)或9018等截止频率较高的管子,β值应大于150;CF2是10.7MHz陶瓷滤波器,也可以用0.01μF的电容器代替,只是效果差些;+3.6V电压可由收音头上的电源经电阻降压后得到。这一部分电路接入,能大大改善调频接收效果。本电路也可用于SHARP GF-700Z、GF-500Z、GF-5454Z、SHARP QT-9O等机型,有的机器收音头上已空出了这一部分电路的位置,如700Z、5454Z等,改动时只要切断几根短路线,就可以直接安装在收音板上。

2.SHARP GF-800Z录制的磁带,录音后重放电平低,这既不利于改善信噪比,又不能充分发挥出磁带的性能。造成这种现象的因素有两个:一是机内ALC(自动电平控制)电路将录音电平压缩,二是音频信号由线路放大器IC301(M51544L)输出后,送到录音放大器IC302(M51544L)时受到由R401(402)、R405(406)组成的电阻分压器的衰减。信号被衰减了0.6倍,录音放大器输入电平低是使录制的磁带电平偏低的根本原因。对这两部分电路可作如下改动:(1)切断自动电平控制。ALC电路容易压缩动态,使录音电平偏低,难以发挥出优质磁带的性能,但为了在外接话筒时防止大信号失真,及防止用一般磁带录音时造成失真又需要ALC电路。根据这些要求,可利用机内差拍消除开关SW15来达到这些目的,把ALC电路(在IC301内)控制端⑤脚接到这只开关的B脚上,当开关拨到B档时,⑤脚接地,ALC被切除;需要ALC时,只要将开关拨到A或C档都可以。当然,这个开关作为差拍消除用,丝毫不会对机内电路有任何影响。这项改动能适用于各种型号的使用交流偏磁、交流抹音的收录机。电路图见图2。(2)加大录音放大器IC302的输入电子。在R401(402)上并联一个10kΩ电阻后就能满足录音电平与母带相同。因为M51544L的输入阻抗很高(27kΩ),这个改动不会对该机产生不良影响(因考虑后面扩展频响的要求,这个电阻实际取得略为偏小)。经以上改动后,录音质量明显提高,用SONY EF C-60N带复制的节目,电平充足,与母带无异。

3.铬带、金属带一类矫顽力(HC)大的磁带,高频特性好。它们的高频特性与补偿量与用普通带有很大差别,所需要的偏磁电流也不相同,这些都由磁带选择开关来控制。GF-800Z中,两卡都设置了磁带选择开关,但该机在对铬带录音时,仅改变了偏磁电流大小,录音均衡网络根本没有改变,也就是说该机不适于用铬带录音。由于铬带灵敏度比普通带低3~4dB,因此要相应增加录音电流,而且录音补偿曲线必须满足70μs的高频时间常数。利用图3电路能达到这两个目的,其中R\(_{1}\)使录音放大器反馈量减小,从而增大录音电流,R2与C组成的时间常数为70μs。该机虽然没有安装这一部分电路,但在相应的地方空下了这一位置,利用三极管作电子开关,根据磁带选择开关控制三极管导通与截止,来决定这一网络是否接入。接线图见图3。三极管用2SC1815BL或2SC2458CR,二极管用IN4148。GF-500Z与QT-90可作同样改动。

4.由于该机使用了LC串联谐振进行高频补偿,在高频提升时能获得每倍频程12dB以上的提升斜率,因而能获得较好的频率特性。这种电路频率特性如图4,高频补偿谐振峰f\(_{2}\)由LC串联谐振决定,f2=\(\frac{1}{2π}\)\(\sqrt{LC}\),起始提升频率f\(_{1}\)由RC的时间常数决定:f1=1;2πRC。该机因考虑到常速与倍速两种状态, 设置了Q311(312)作为电子开关,来改变两种状态下的谐振电容,改变补偿特性。本机两种状态下的高频补偿谐振峰分别是15.5kHz与25.8kHz,实际值比计算值略低些。普通带在常速时频响只有40Hz~12.5kHz(±3dB),倍速时则更差,这显然还不能满足高保真系统对频响的最低要求(31.5Hz~12.5kHz)。为此,对该机作如下改动:(1)增设低音补偿网络。见图5。补偿点是f=12πRC,现取R=8.2K,C=1μF补偿频率是20Hz。因为这一网络接入会对信号有所衰减,因此R401(402)上并联电阻取10kΩ,略提高输入电平。该机在IC302输入端已空下了这一部分电路位置,只要照图4把元件实装上去就可以了。(2)提高高频补偿谐振峰蝉值点。改变电感比较方便,故将L161(162)由6.8mH改为4.7mH,改动后该机频响指标得到改善。(夏励松)

