一台进口LOTUS牌16英寸彩色电视机出现场幅不满故障,经检查是场集成电路TEA2015A损坏。由于该集成电路目前在国内市场上不易买到,因此,我们考虑只能用其它电路代替集成电路TEA2015A。TEA2015A具有场振荡、场推动、场输出等功能,从故障现象可以断定TEA2015A内部的场振荡和场推动电路是正常的,只有场输出电路不正常,因此,如果单独制作一个场输出电路,就能继续使用TEA2015A。经过分析与实验,选用集成电路TDA1170制作场输出电路,与TEA2015A配合使用,效果与原来TEA2015A正常时的效果相同。具体修复方法如下:
(1)保留原来的集成电路TEA2015A,断开原机印刷板上的A、B、C、D、E、F点,见图1中的打“×”处。

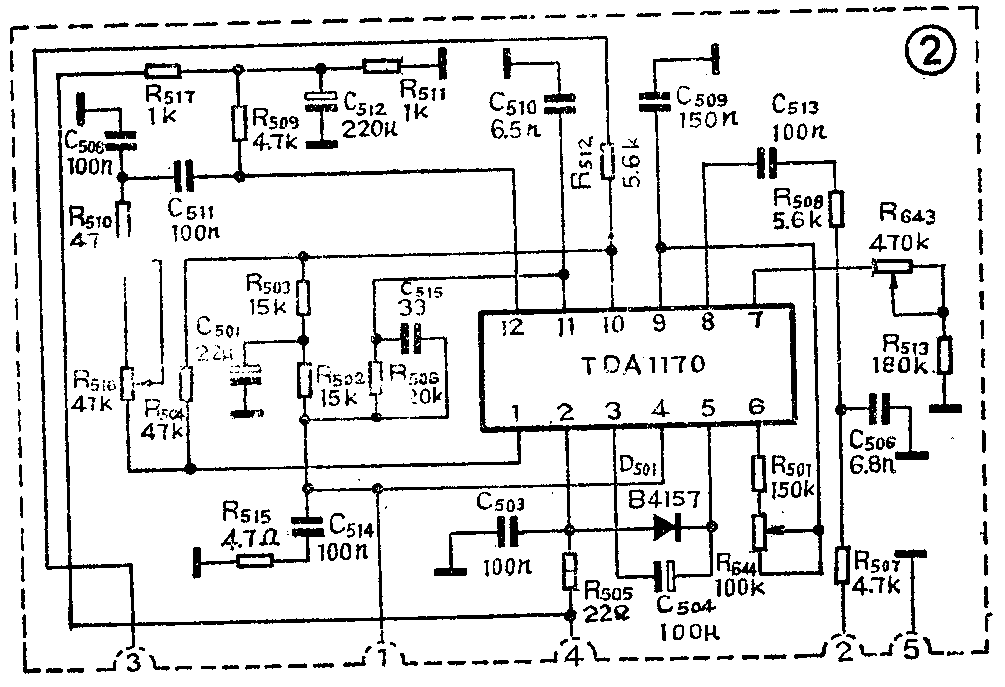
(3)将图1中的B点、C点、M点、N点分别与图2中的3端、1端、2端、4端用导线连接,图1中的M点与图2中的2端的连接线一定要屏蔽线,并且屏蔽层一端接地,图2中的5端用导线接到原机的接地端。
(4)当所有元件安装完毕即可调试。由于该机的底板带电,所以调试时使用的螺丝刀要绝缘,并且调试人应站橡胶垫上或站在干燥的木凳上。图2中的R\(_{516}\)是场线性调节电位器,R643是场幅度调节电位器,R\(_{644}\)是场频调节电位器,适当调节这几个电位器即可满足要求。如果屏幕上出现一条五彩横线,则应调整图1中的R314,直到满意为止。
(5)将制作调试好的印刷电路板固定在原机的电源进线侧架上,安装无误后,即可正常收看。(杨云松 吴庆远)

