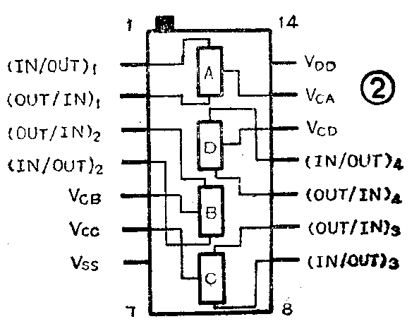
我们用一个三极管、一个555电路、一块四双向模拟开关和少量外围元件组成一个多用途逻辑笔,它的电路见图1。四双向模拟开关C544内含四个电子开关,见图2。每个开关有一个控制端(图2中V\(_{CA}\)、VCB、V\(_{CC}\)、VDC),当控制端电位为“1”时,开关导通;Vc电位为“0”时,开关阻断。


C544中的D、B开关和R\(_{4}\)构成二输入端与门,A开关和R6、3DG6和R\(_{5}\)分别构成非门。555电路及其外围元件构成多谐振荡器,其中R7的在路与否受控于C544中C开关的阻断或导通。R\(_{1}\)、R2给与门的一输入端提供合适的分压,R\(_{3}\)、R10用于限流,LED是工作指示。3DG6的发射结和接于基极的两硅管一起,共同形成测量外电路逻辑电平时的基准电平。
(一)三态声频逻辑笔
将带有双引线的耳塞插头插入CZ\(_{1}\),CZ1的2、3触点断开,插头上的双引线即为逻辑笔的正负探针。(双引线插头,图中未画出)。
负探针与被测电路“地”相连。合开关K,LED亮。
当正探针“空置”或“与被测点接触不改”:R\(_{1}\)、R2的分压点电位为高电平“1”,D开关导通。同时,因基流不足,呈截止态的3DG6集电极电位也为“1”,B开头导通,C544与门“全1出1”,经非门反相,555电路4脚为“0”,多谐电路被抑制,压电陶瓷HTD无声。
当正探针接触“1”:3DC6导通,集电极为“0”,B开关因“0”阻断,C544与门“有0出0”,经反相,555电路4脚为“1”,多谐起振,HTD发声。此时并在R\(_{7}\)两端的C开关因“1”导通,R7被短路,故多谐输出的声频较高,约1300Hz。
当正探针接触“0”;D开关因“0”阻断,与门“有0出0”,HTD发声。此时C开关也因“0”阻断,R\(_{7}\)在路,故声频较低,约700Hz。
可见,本文介绍的逻辑笔使用特点是:测量数字电路逻辑电平时只听不看,“高音”表示高电平,“低音”表示低电平,“无声”表示未接触。由此带来好处是维修及测试人员注意力可以完全集中在被测电路上,以免探针打滑短路集成电路引出脚,造成被测设备的人为损坏。
(二)作为声响式线号校对器
两探针的短接也造成HTD发声,因此上述逻辑笔同时又是一个声响式线号校对器。使用中若嫌HTD声音太小,可将一个扬声器接在一个耳塞插头上,插头插入CZ\(_{2}\),扬声器即取替HTD,音量也就足够用了。
(三)作为音频信号发生器
把插在CZ\(_{1}\)的插头拔出,CZ1的2、3触点接通,电路工作于作逻辑笔使用时的“0”电平状态,HTD发700Hz音频声。将插头插入CZ\(_{2}\),该音频即由双线引出,可充当维修一般音响设备时的简易信号源。
(四)555电路检测仪
原理图中的555电路不是用焊接,而是用插接方式参加工作的。只有完好的555器件插入插座,HTD才会发声。所以上述逻辑笔实际上又是一个555电路检测仪。
(五)作门笛用
平常,在未作上述四种应用时,本逻辑笔可充当门笛。HTD用8Ω扬声器取替,K不合,K两端用线引出,外接一常开按钮,按钮按下电路通电,扬声器发声。
制作与调试
C544的引出端功能见图2,此电路也可用C514、C574、CC4066代用。印板图见图3,制作时印板上只需按图打出安装开关、发光管、三个插座以及555电路插座, HTD透音用的眼孔,其它元件如阻容、C544等直接焊在铜箔面。3DG6管的穿透电流和饱和压降宜小,要求h\(_{FE}\)≥40。电源用6V小型迭层乙电4F22,也可由CZ3外接。

电路如图1安装无误后,一般即可正常工作。为尽量减少逻辑笔向被测电路吸取电流,应尽可能取大R\(_{3}\),方法是:①、用一个1kΩ电位器在两节5号电池上取得2.4V电压,以此作为手册规定的最小高电平信号源(指TTL与非门),通过CZ1将2.4V送入电路,调R\(_{3}\),使HTD刚好能发高声频,此时R3为最大。固定好R\(_{3}\),再把正探针在信号源上反复试几次,HTD应准确无误发高声频。②、调1kΩ电位器使之输出相当于最大低电平的0.4V电压(TTL),当正探针接触它时,HTD应可靠发低声频。如果不行,可在不改变R1、R\(_{2}\)总阻值条件下逐步增大R1对R\(_{2}\)的比值,直到HTD能正常发低声频时为止。
经以上调试,逻辑笔即能用于晶体管、TTL、CMOS逻辑电路的测试。这三类逻辑电路各自的高低电平电压范围见附表。

印板的另一面为仪器的面板,用3毫米厚的聚氯乙稀硬板做一小盒,将仪器装入并固定,制作即告完成。(熊攀)