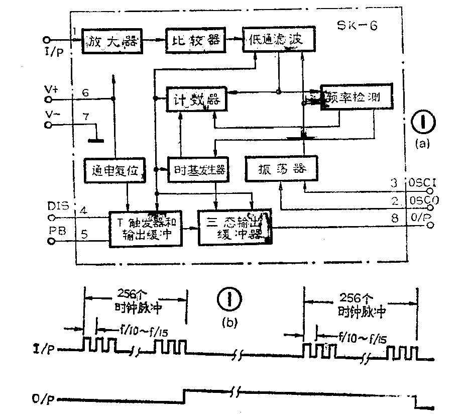
SK—6是一种大规模CMOS器件,它混合了模拟与数字电路单元,专门设计用于声频解码,可以广泛应用在电子玩具,遥控器具及类似场合。其特点是工作电压低(最小为2.7伏);外围元件少,只有一个外接电阻;控制简单;选频特性好;输出为双稳态,易与红外,声频及射频电路接口,器件的输入信号范围在0.3~30KHz内有效。SK—6为双列直插8脚塑封。图1(a)是SK—6的内部逻辑框图。图1(b)是输入、输出的波形图。

SK—6电路含有模拟信号放大器,比较器(进行波形变换),频率检测和脉冲计数,通电自动复位和控制逻辑等单元。电路工作原理简单地说,即输入信号要想有效地控制输出状态(指逻辑电平的转换)必须同时符合两个条件:首先输入信号频率范围应落在电路内部振荡器频率f(由电阻Rosc决定)的1/10~1/15内;其次输入信号的脉冲数量(连续值)不少于256个,二者缺一不可。在电路通电时,复位电路使计数自动清零,输出为低电平,此后接收到有效信号时输出转为高电平并保持至下一控制信号的到来。这里要注意一点,即电路的计数时间与设定选通频率二者呈反比关系;当设定的有效频率愈高,计数至计满256个信号的时间愈短、反之则长。具体到实用来说,如果以哨音进行控制,则不宜将频率选得太高,以免发出的哨音相对过长使输出产生多次翻转。换言之,要想使电路正确翻转,应使每一串脉冲的脉冲个数在256~511间,或者使其为256的奇数倍。在调制红外、射频电路时同样也存在这种问题。引脚4、5分别是“禁止”和“触发”控制端。当“禁止”端接至高电平时,输入端(引脚1)被封闭,输入信号对输出控制无效,当用于诸如声光互锁控制电路,或时间对接收的时基的锁定时,该引脚可做为锁定信号输入端使用。在“触发”端加上正脉冲信号(无指定频率要求),也可达到改变输出状态的作用,因为是CMOS电路,上述两个控制端控制电流仅1μA(最小值),极易与各种传感单元接口,例如“触发”端可用于人体感应触摸控制。电路的工作电压范围为2.7~5.3V,输出驱动电流0.4mA,最大静态工作电流50μA(在V=3V时)。

从SK—6的输入输出波形图可以看出,如果不间断地输入控制信号,电路输出电平会连续翻转,输入控制频率越高,输出翻转越频繁。利用这一特点,我们设计了一种声控开关电路,它除了平时可作为普通遥控开关使用外,还能配合闹钟构成催醒器,尤其适用于聋哑人和睡眠深沉者。如图2所示,调节选频电阻R\(_{osc}\),使电路的选通频率与用户闹钟频率一致。负载插座内可接上灯具,使用时,将闹钟与声控开关放在一起,闹钟铃响时,声控开关不断通断电,使灯泡发出耀眼的闪光,使睡眠者从梦中醒来。电路初通电时,SK—6自动复位,输出低电平,BG1、BCR截止,负载无电,发光管LED灭。当话筒收到有效信号或是用手触摸感应片M时,SK—6输出翻为高电平,BG\(_{1}\)、BCR导通负载得电。作为执行元件的可控硅应尽量选择触发电流小的型号,这样可减小C2的容量和电路的功耗。换用不同的可控硅时可适当调整R\(_{5}\),以保证触发可靠。(王维军)