巧用存储器插座

🏠 首页 《无线电》杂志 1989年 🔗 第1期 🔗 第31页 分类:技术市场 🔗 黄智伟 🔗

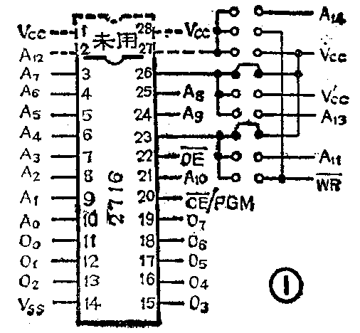
(黄智伟)用一个28脚插座,通过改变跳线的连接方式可以插入2716、2732、2764、27128、27256、6116及6264等多种存储器插片。各种存储器跳线连接方式如图1~7所示。

图1
图1 🔍原图 (506×468)
图2
图2 🔍原图 (569×485)
图3
图3 🔍原图 (515×485)
图4
图4 🔍原图 (488×479)
图5
图5 🔍原图 (523×467)
图6
图6 🔍原图 (506×472)
图7
图7 🔍原图 (605×466)