八十年代,我国一些大中城市的商店及菜市场相继出现了一种新颖的称量工具,即精度高、多功能的数显式全电子秤。它具有称重、计价、去皮、金额累计、清零、打印等功能,它的应用带来了明显的社会效益。本文将就市场上常见的DS—230型电子计价秤的电路原理作简要介绍。
图1是商用电子秤的原理框图,下面顺序对各部分进行讲述。

1.传感器:也称一次变换元件,它的工作原理是:将被称物的重量通过传力机构作用到金属弹性体元件上,使之形变。这时,已粘贴在弹性体表面上的应变片也随之发生形变,从而导致应变片电阻改变,这类传感器也称电阻应变式传感器,其特点是线性度好。商用电子秤大都采用双孔梁式的传感器,其剖面图见图2(a)。它的一端固定,另一端受被称物重力作用。测力用的应变片贴在R\(_{1}\)~R4所在的应变区部位,这样可获得最大的灵敏度。应变片的外形如图2(b)所示。补偿用(温度、蠕变等补偿)的应变片贴在非应变区。应变片接成桥式电路,如图2(c)所示,它在供桥电压作用下,随重量不同而输出不同的电信号。一般空载时,R\(_{1}\)=R2=R\(_{3}\)=R4=350Ω;加载后R\(_{1}\)与R3阻值增大,R\(_{2}\)与R4阻值减小。

DS—230型计价秤的供桥电压为12V,为了保证测量精度,它要经过二次稳压,图3是其电路图。一次稳压由μPC14315(相当于7815)担任,二次稳压采用了高增益的IC运放作调节器,LM308与5G28相似。这样可以保证供桥电压的精度在万分之一以上。

2.前置放大器(见图4):它可将传感器的输出信号放大,变换成可供A/D转换的模拟量。DS—230型计价秤采用由高精度低漂移双运放OP—10CY组成的高输入阻抗电路。在一般常见的电路中,A点都接地,则电路的闭环增益K\(_{F}\)=1+(R1/R\(_{2}\))。而图4中A点接的是一个电阻分压网络,此时电路输出变为Vo=(1+R\(_{1}\)/R2)Vin+V\(_{A}\)。微调VR1可改变V\(_{A}\),从而实现对放大电路零点的调整。接入积分电容C,是为了改善秤的动态性能。电路中的R1、R\(_{2}\)采用的是一致性很好的片状集成电阻,故匹配精度很高,图5是这种电阻的外形,R1-4表示1脚与4脚间测量的阻值,其余类推。


DS—230电子秤中采用了图6所示的由单位增益放大器构成的二阶有源低通滤波器,是为了对A/D转换部分的输出模拟量进行“净化”。所谓“有源”,就是指电路能利用放大器来对电阻产生的损耗进行补偿。

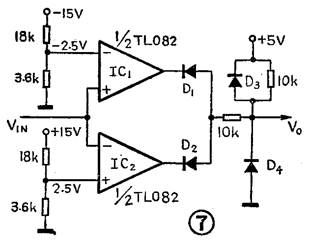
3.超、欠重判别电路如图7所示。它实际上是一个窗口比较器,当前置放大器的输出幅度在±2.5V之间时,运放IC\(_{1}\)、IC2均输出高电平,D\(_{1}\)、D2均截止,因此V\(_{o}\)为高电平。当前置放大器的输出幅度超出±2.5V范围,则其中的一只运放必输出低电平,于是D1或D\(_{2}\)导通,Vo为低电平,该电平经另外电路处理后送至单片机,去控制显示器是否对A/D转换的结果进行正常显示。除上述电路之外,在机械部分的承重机构上,还设置了超重限位装置,以保护传感器不致在偶然超载时受到破坏。

4.ADC与微处理器是DS—230计价秤的重要部分,A/D转换电路采用了专用ICμPC646D,它的工作原理与本刊曾介绍过的双积分式A/D片子的模拟部分相似。μPC646D的输出必须经单片机部分计数处理之后,才能变换成与荧光数码管上的显示值相对应的数字量。单片机采用了功能很强的MB88401,它一方面参与A/D转换,一方面对数字信号进行运算处理并译码,其译码驱动电路示意图见图8,MB88401直接输出供显示用的7段信号和6个位扫描信号,均经反相驱动器μPA80C输出至显示屏;四个位信号送至4—16译码器74LS154,其输出分成三组,分别作为重量、单价、金额三个显示屏的位信号,并送至相应的驱动器输出。

5.DS—230的电源部分主要包括由三端稳压器输出的±15V、+5V以及经过一只稳压管稳压输出的43V等,它们分别供给模拟部分,数字部分及荧光显示屏之用。这里不再赘述。(金宏)