一台“凯歌”4B18便携式7管三波段收音机,开机时有时出现“嘟嘟”、“朴朴”的“低频自激”,并且“自激”随音量增大而增大;在不“自激”时,又有时发生跑台,并伴有“咔啦”声;用手靠近中放级时,有中频自激现象。
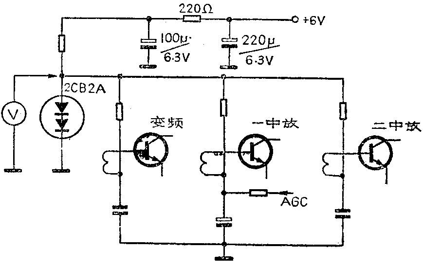
经检查,所有的退耦电容无一漏电。在中放级加中和措施也无效。但当测量双二极管2CB2A上的电压时(如图),发现在跑台及“自激”的同时,电压上漂约0.4V,并随机地来回波动。将双二极管2CB2A取下并换上两只硅开关二极管后,“自激”消除,也无跑台现象,收音完全恢复了正常。作为进一步的验证,用外电压6V,串一电阻及电流表,接到取下的2CB—2A两端(模拟其工作时的情况),可观察到电流有随机波动现象,说明该二极管内部接触不良或性能不稳定。

上述双二极管是为中放及变频级各管基极提供直流偏置的。其作用是当电源电压下降时,通过其正向导通特性维持较小的电压变化,保证收音机在电源电压下降时仍能稳定接收。当该二极管接触不良或性能(梁孙亮)