红外线传送音响装置包括具有红外线辐射器的发射机、红外线接收机、耳机。
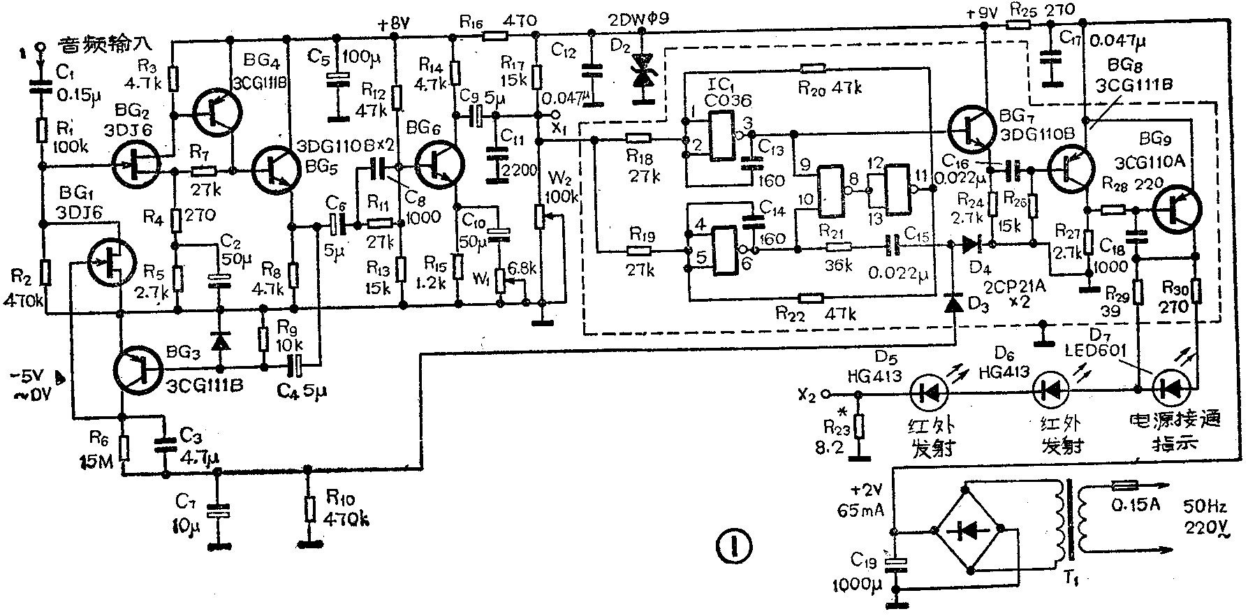
(一)发射机:发射机具体电路见图1。它由音频放大器、FM调制器、功放、红外线辐射器和电源组件构成。来自电视机耳机插孔输出的音频信号加到音频放大器输入端。音频放大器由晶体管BG\(_{2}\),BG4~6组成。利用AGC自动增益控制系统使音频放大器输出的电压保持在一定电平上。

AGC系统包含由R\(_{1}\)、R2和场效应管BG\(_{1}\)组成的可控电压分压器,后者受晶体管BG3控制。其工作过程如下:当输入的音频信号小于5毫伏时,BG\(_{5}\)射极输出电压低,BG3截止,C\(_{3}\)放电、BG1栅极上电压约为-5伏,BG\(_{1}\)漏一源间电阻非常大,这时可控分压器R1,R\(_{2}\)、BG1传输系数最大。随着输入音频信号的增大,晶体管BG\(_{5}\)射极上音频电压增大,BG3导通且其集电极电流对C\(_{3}\)充电。结果BG1栅极上负电压值减小,BG\(_{1}\)漏一源间电阻变小,这时可控分压器R1、R\(_{2}\)、BG1传输系数降低。于是可使BG\(_{5}\)射极上输出的音频信号电压保持相对恒定而与输入信号无关。放电回路R6,C\(_{3}\)的时间常数确定了AGC系统的恢复时间,可选得约等于50秒。
回路R\(_{11}\),C8用来确保音频放大器的幅频特性在高音频的提升(高频预加重回路)。
FM调制器是一个电压控制的矩形脉冲振荡器。它由集成电路IC\(_{1}\)构成。当无音频电压时,振荡器初始的脉冲重复频率由微调电位器W2决定,并使之等于95千赫。当从分压器R\(_{17}\)、W2加入音频电压时,振荡器的脉冲重复频率开始变化。也就是说,振荡频率为音频电压所调制。振荡器的最大频偏(30千赫)由微调电位器W\(_{1}\)确定。
振荡器输出的电压加到功放BG\(_{7}\)~BG9,由红外发光二极管D\(_{5}\)和D6构成的红外线辐射器作为功放的负载。因此发射机将辐射频率为音频电压所调制的红外光脉冲。载波频率约为95千赫。
发射机是用交流50赫、220伏电网电压经整流后得到的+12伏供电的。普通发光二极管D\(_{7}\)作为发射机接入电网的指示。将FM调制器输出的脉冲一部分经过二极管D3, D\(_{4}\)倍压整流后得到的直流电压作为AGC系统晶体管BG3集电极电源。
(二)接收机接收机电路见图2。它由光电二极管、放大—限幅器、频率检波器和功放组成。耳机接在功放输出端。

光敏二极管D\(_{1}\)将发射机辐射的红外光脉冲变成电信号加到放大器进行放大。放大—限幅器由BG1~BG\(_{3}\)构成。它的幅频特性在接收信号的上端频率(约125千赫)有提升,以补偿在该频率范围内光敏二极管幅频特性的跌落。
为了提高灵敏度,在接收机中采用了具有相位自动频率微调的检波器。用BG\(_{4}\)、BG5组成相位检波器,用双三极管BG\(_{6}\)和BG7组成直流放大器,用集成电路IC\(_{1}\)构成压控振荡器。电路中R19和C\(_{7}\)完成比例—积分滤波器的功能。电位器W2确定振荡器初始频率。
解调后的音濒信号经过低通滤波器R\(_{27}\)、C12和音量电位器W\(_{2}\)加到功放。功放由BG8~BG\(_{13}\)构成。BG10BG\(_{11}\)提供起始偏压给输出级BG12、BG\(_{13}\)的基极。回路R33、C\(_{17}\)在低于150赫的频率提升放大器的幅频特性,以补偿负载耳机在这些频率上频率特性的跌落。
接收机是用9伏电池供电。
(三)结构:发射机作成一个独立的附件(其中FM调制器的零件安装在屏蔽盒内),使用时放在电视机旁边。接收机则与耳机为一体化结构:若接收机元件放在左耳机处,那么9伏电池就放在右耳机处。
光敏二极管的光谱灵敏度是以发光二极管最大发光波长为最大灵敏度来设计的。但由于灵敏度特性扩展到可见光范围,所以周围环境光的照度会产生光敏二极管附加的噪声电流而对收听的音响节目产生干扰。为了去除这种可见光的干扰、结构设计时应用红色—绿色的滤光器封盖光敏二极管。
(四)装置的调试:
(1)装置的调试从发射机开始。参看图1电路。事先将电位器W\(_{1}\)、W2的滑动触点置于中间位置。在检测点X\(_{1}\)与地线间接入一个容量为0.022μF的电容器,将频率计接到检测点X2。后接通发射机电源,这时指示用发光二极管D\(_{7}\)应发光。用电位器W2调定FM调制器的脉冲重复频率在93~95千赫范围内。而后去除接入的0.022μF电容器并用示波器取代频率计。从音频信号发生器,将频率为12千赫的250毫伏电压加到发射机输入端,并在示波器上观察脉冲波形,利用电位器W\(_{1}\)使脉冲的宽度等于8微秒。
(2)接收机的调试。参看图2。在检测点X\(_{1}\)与地线间接入一个容量为0.022μF的电容器,将频率计接在检测点X2,接通接收机9V电源。用电位器W\(_{1}\)调定X2处脉冲重复频率在93~95千赫范围内。而后去除接入的0.022μF电容器。
(3)发射机——接收机联调:将发射机接到音频信号源(如电视机伴音输出插孔),这时接收机耳机应能收到悦耳的电视伴音。
(五)红外线传送音响装置的性能
(1)频率范围:20~16000赫;
(2)在频段80~6000赫内,幅频特性的不均匀性:12分贝;
(3)当声压为1巴时,1千赫频率处谐波系数:1%;
(4)发射机载波频率:95±2千赫;
(5)当接收机输出端相对信/噪比为30分贝时定向接收距离:8米;
(6)发射机消耗电网功率:4瓦;
(7)中等音量对接收机的电流:6毫安;
(六)红外线传送音响装置的特点
(1)接收距离与接收角度:红外线传送音响装置具有一定的方向性,故在电路设计以及使用时都要注意到这一点。
与阵列天线相似,红外辐射器的单元越多时,方向图越尖锐,这时在最大指向方向上收听的距离就越远。辐射器的单元越少时,方向图就越钝,这时收听的角度越大。因此在电路设计时要综合考虑到这二种因素。例如,用一个发光二极管红外线辐射器时接收距离为4~4.5米,用二个时约为10米,用三个时约为15米。为了能在较广阔的角度内收听音响节目,一般多使用二个发光二极管相隔适当距离并排排列的辐射器。这时发射方向图如图3所示。由此图可见,有效的收听角度约为30°,有效收听距离约为10米,在收看电视时是完全能满足要求的。

(2)本红外线传送音响装置实际上是一个无线耳机系统,这是它的最突出优点。
由于它输入的是音频信号,故不仅可以用来“封闭地”收听电视伴音,而且可以用来“封闭地”收听录音机等音响节目,具有较大的灵活性而又不影响他人的工作和学习。
由于它输入的是音频信号,故可以接收任意频道的电视伴音而装置本身无需再作任何调整。这是本装置的另一特点。(倪振忠)