第六届全国运动会早已结束,但作为其主场馆的天河体育中心,却给人留下了深刻的印象。这个占地总面积为56万平方米的现代化体育中心主要由大型灯光体育场、大型室内体育馆和大型室内游泳馆组成。无论在建筑设计或各种设备选用方面它都具有八十年代国际水平。本文只对其音响设备系统结构作简略介绍。
大型灯光体育场的音响设备
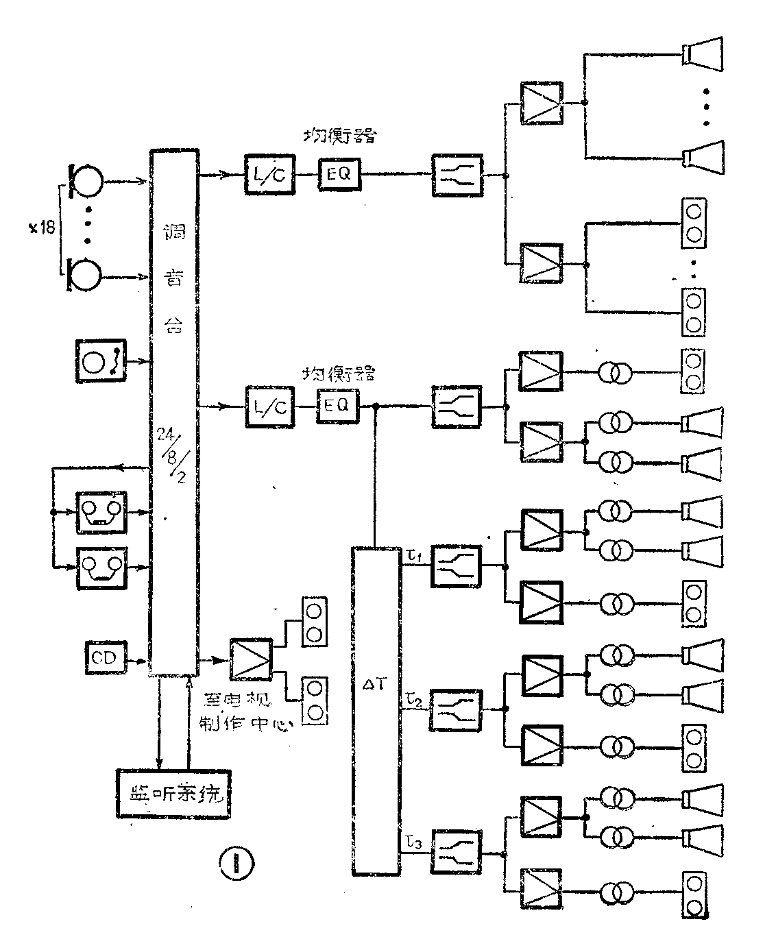
该场建筑面积65651m\(^{2}\),能容纳六万观众。音响系统分别由观众席扩声系统、比赛场扩声系统、公众广播传呼系统和紧急备用系统组成。整个场内的发声系统由24组分散扬声器群和一组大型宽指向扬声器群组成。其中24组分散扬声器群的每组又分别由3~4个方型高指向高音和2~3个中低音全天候扬声器组成,声轴指向观众席,使各方位观众席的频响和声压基本均匀。另有一组独立的大型宽指向扬声器群设在主席台中央两逢顶部,声轴指向运动场,它由30多个高指向全天候扬声器组成,能使场内各方位的频响和声压基本平均。每组扬声器都由独立功率放大器推动,24路调音台分别提供18路话筒,包括4路无线话筒、2路录放音座,一路直驱唱盘和一路激光唱机的信号输入。经调音台调整后的信号分两路输出,送至专业均衡器作声场频率补偿后,再分别送到功率放大器作音频放大,从而推动各扬声器。整个处理系统、调音和扩音系统都设计在一个设备控制室内,控制人员在调音操作时可目睹全场气氛,从而灵活准确地控制。场内扩声效果可以反送到控制室的监听系统中以便及时掌握,也可送到电视制作中心作电视伴音信号。系统各部分都有严格的安全保护装置,控制室内设备的排列是根据人体工程学设计的,便于工作人员更为灵活操作控制。体育场主音响系统方块图如图1,场内扬声器分布如图2。


体育场主要电声技术指标(实测):观众席和运动场最大声压级分别为:80~10kHz102dB和80~10kHz 98dB;声压不均匀度:80~10kHz 4dB;场内频率传输响应:125~8kHz ±3dB, 100~12kHz ±6dB:
功率余量:大于150%
总谐波失真:<5%
语言清晰度:>85%(相对噪声=70dB)
系统最高耗电量:62kVA峰值
天河体育中心的平面广播系统可作传呼及播放背景音乐用,整个系统由全天候的号筒式扬声器及音柱组成发声系统,分散安装在全中心露天场合的通道上。主机柜包括四路全自动循环带盒式录放音座、无线 AM/FM广播接收机、功率放大器等。该场的音响设备是由音响顾问有限公司承担的。
大型室内体育馆的音响系统
该馆建筑面积25600m\(^{2}\),能容纳8千观众,馆内顶部采用开蔽式网架结构,并吊有吸音材料。馆中央顶部有一组吊架扬声器群,并能垂直上下移动,以便检修时用。这组扬声器群设有四组独立的三路二分频发音系统,可按不同需要作分区放音,整体使用时可对全馆360度范围内的观众席作声频覆盖。它能使观众席得到大于120分贝的声压和40-18kHz的频响。吊架扬声器群底部设有一组场中投声系统,由一个独立送声通道控制,可提供需要的声音给运动场内。
由16组二分频扬声器组成的环绕效果扬声器群,装设在天花马道下面,每组负责不同区域,使观众席每处的声压基本均匀。 50~18kHz频响内可达115dB的声压输出,当配合中央吊架扬声器群系统时,利用系统的延时设备,可制造共同声源感。而每组扬声器可单独控制工作,接通矩阵控制台可作效果扬声器用。另外,声频信号也可送至视频制作中心,作为录象带的伴音信号用。同时,视频制作中心送出的声频信号也可以反送到音响控制室,经过处理后放送。
演出移动扬声器系统由四套独立音箱组成,可满足各种不同节目演出对效果的不同要求。每组由四路三分频单元组成,可达35~20kHz的频响,宽指向100度和102分贝的声压输出,也可作立体声扩音使用。
体育馆音响控制室由立式机柜和多功能控制台组成。立式机柜装有多路功率放大器、均衡器、分音器等设备;多功能控制台上设有32路输入八路辅助输出调音台,并有两路主输出供录音和电台、电视台实况转播用。8×8矩阵分组输出可为特殊需要作组合控制用,并设有盘式广播录音机、卡式录音座、数码激光唱盘、无线接收/话筒、数码延时发生器,数码回声/残响发生器和系统均衡限幅器等。还有一台可移动24路调音台,作文艺演出现场调音用,设有8组全频扬声器作舞台反送,给表演者作效果监听。体育馆音响系统方块图见图3,整个体育馆内还设有传呼,背景音乐系统,可作为分区广播传呼以及作为应急广播、播放背景音乐用。

大型室内游泳馆的音响系统
总建筑面积23016m\(^{2}\),能容纳三千观众,设有观众席扩音系统,新型水下音响系统,公众传呼及背景音乐系统,紧急备用广播系统。由于游泳馆的建声效果受游泳池和它特殊的建筑设计影响,特有的噪声和空气湿度使音响设计大受限制,为了尽量提高音响效果,在观众席顶部天花板上分散装有十组二分频宽频带扬声器群,每组的频响从50~18kHz,可达108dB声压,声轴指向观众席。在馆中央顶部天花板上设有一组扬声器群,声轴指向游泳池,每组扬声器均可独立控制。池中设有铝合金水下扬声器作传呼和背景音乐,用于水下表演扩声(如水上芭蕾等)。
控制室设有一台16路调音台、开盘式录音座、6通道无线话筒接收器、均衡器、功率放大器、延时混响器、电源控制监察系统和场内效果反送监听系统等。游泳馆的扬声器分布图见图4。

天河体育中心体育馆、游泳馆的音响系统,视频制作系统、公共天线系统和保安电视监视系统经国内外多个专业公司投标,最后是由安恒利(国际)有限公司中标承造的。
天河体育中心的音响系统先进技术和设备给这座现代化体育中心增添了色彩,也为第六届全运会的圆满结束,立下了汗马功劳。(黄汉光 张振昭 李如羡)