初学者在看电路图时,往往会提出这样的问题:电路图中的接地符号为什么有的接电池正极、有的接电池负极?下面我们来谈谈这个问题。
人们为了测量的方便,需要对电路图中各点电压同取一个公共参考点,并设参考点的电位为零,这样引入了接地符号,也称接机壳符号,如图1(a)所示。就象地面上的物体比较高低时,总是把同一平面的大地当作参考点并认为它的高度为零一样,所以人们形象地把这种公共参考点叫做机器“地”。一张电路图中有好几个接地符号,凡是与接地符号连接的元器件的那个引线脚,在实际中都要用一根导线把它们连接在一起,所以这些点的电位都相同。

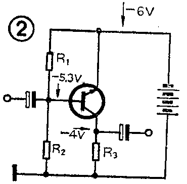
电路图中的参考点实际上是可以任意选的,就好象测量室内悬挂的灯泡高度一样,可以以底层地面作为参考点测量,也可以以二楼地板作参考点测量。当然参考点的改变,会引起一个灯泡高度的测量值不同,但测出的两个灯泡的高度差却是不变的。电路图中也有这种情况,例如图1所示的典型NPN管放大电路,是以电池负极接地作参考点的。我们也可改用电池正极接地作参考点,如图2所示。这两种电路实质相同、但所标注的各点电位数值和符号都不相同了,然而电路中任意两点间的电压不变,如基极到发射极的电压都是+0.7伏,Vce都是+2V,所以实质都是一样的。PNP管放大电路也有相同情况,既可以以电池正极接地,也可以以电池负极接地,分别如图3、4所示。



从上面四个图中,我们可以看到图1和图3的接地方式不因选用PNP管、NPN管而发生明显的不同,给人一看就知道这两种电路都是共射极晶体管电路。所以,目前收音机电路中,PNP管较多的电路中地线符号大多是接电池正极,而NPN管较多的电路中,则地线大多是接电池负极的。(李振华)