利用超声波或红外线去遥控风扇的开关及调速,使用起来十分方便。本文要介绍的遥控调速开关可以完全取代风扇上的四档调速琴键开关,既可遥控,也可轻触手控,是一种产品化的遥控开关。使用本遥控开关也可用于遥控调光。控制范围达10米,可带负载达600W。
电路原理
发射机电路见图1。主要由4011完成振荡及驱动功能,通过超声波换能器辐射出超声波去控制接收机。其中门1与门2组成可控振荡器,当AN\(_{1}\)01按下时,振荡器起振,调整W101可改变振荡频率。超声波换能器工作于38kHz,故振荡器亦振荡于38kHz。振荡信号由门3、4去驱动超声波换能器。AN\(_{1}\)01未按下时,IC101的静态电流极微,不必另加电源开关。

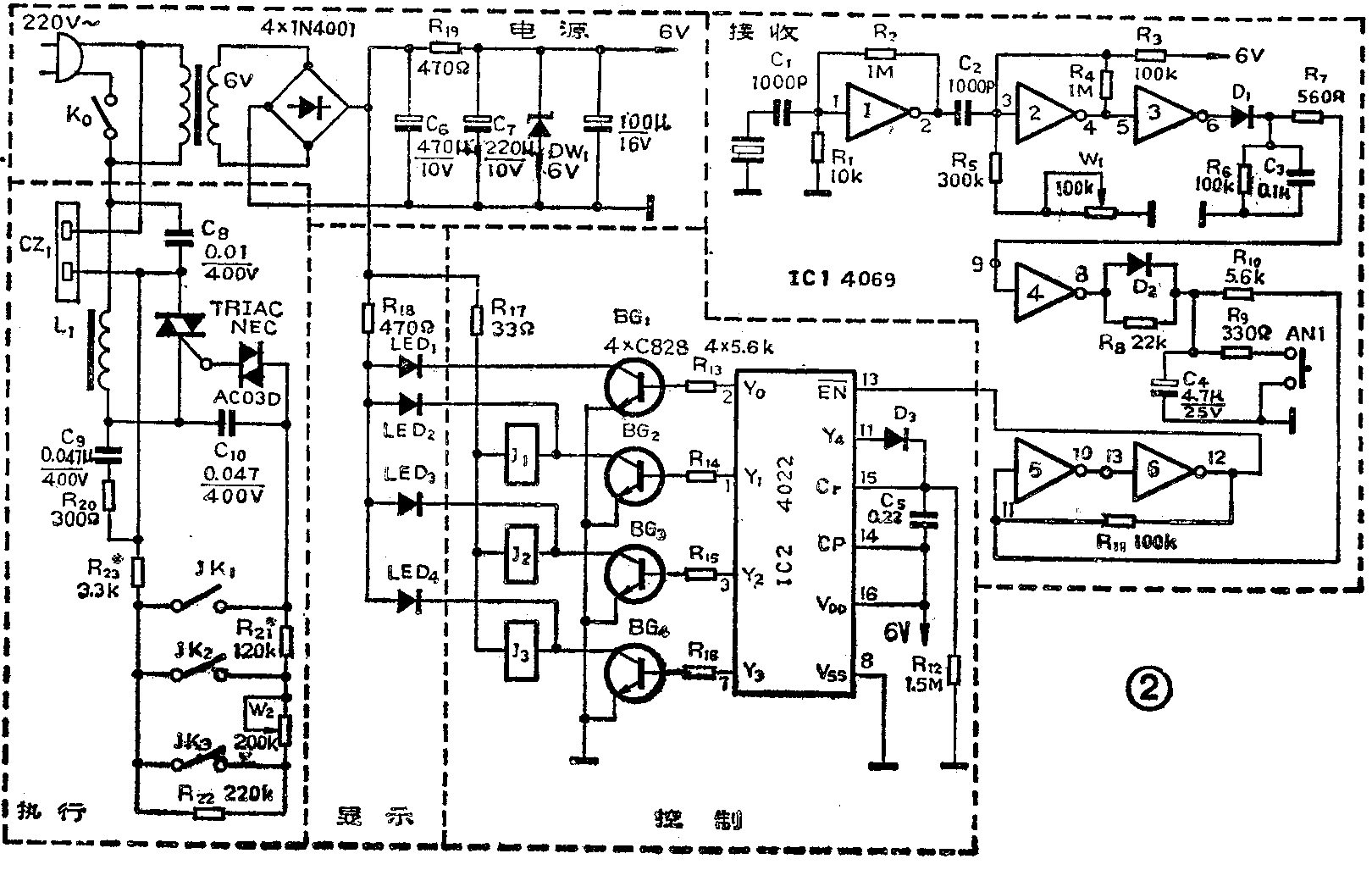
接收机电路见图2,接收机由接收、控制、执行、电源及指示部分构成。接收部分由4069担任。其中门l、2均接成交流放大器使用。超声换能器接收到信号后转换成电信号由C\(_{1}\)耦合到两级交流放大器的输入端,放大后再经门3送至由门4组成的单稳态电路,其中R6、C\(_{3}\)为单稳暂态的定时元件。门5、6则组成施密特触发电路,对单稳态电路的输出波形进行整形,然后送到控制部分控制八位计数器计数。AN1为轻触式顺序控制按钮,使用AN\(_{1}\)可以取代普通调速用的琴键开关。

控制部分由IC\(_{2}\)4022及BG1~BG\(_{4}\),继电器J1~J\(_{3}\)组成。4022为八位计数器。C5、R\(_{12}\)为开机置0电路,保证刚接上电源时只有Y0输出高电平,三个继电器均不吸合,风扇处于关状态。当有负脉冲送入E-N端时,计数器开始计数,Y\(_{1}\)变高,BG2、J\(_{1}\)工作,风扇开,并置快档。第二个负脉冲到来时,Y2变高,BG\(_{3}\)、J2工作,风扇处于中速档。其余类推。当第4个负脉冲送入E-N时,Y\(_{4}\)变高,通过D3使复位端Cr变高,计数器复位,Y\(_{0}\)重新变高,完成一个循环。
指示部分由LED\(_{1}\)~LED4及限流电阻R\(_{18}\)组成。LED1发绿光,其余发红光,绿灯表示关,其余三个发红光的LED分别表示快、中、慢三种状态。自制时也可以采用红、橙、黄三色。
执行部分由双向可控硅TRIAC、触发二极管、三个继电器的常开触点以及触发二极管的限流电阻R\(_{21}\)、R22、R\(_{23}\)、W2组成。当JK\(_{1}\)接通时,只有R23串入触发回路,触发电流较大,TRIAC处于全导通状态,对应为快档。当JK\(_{1}\)释放,JK2合上时,触发电路串入R\(_{21}\),触发电流减小,TRIAC处于半导通状态,对应为中档。当JK1~JK\(_{3}\)均打开时,触发电路中的电流最小,TRIAC处于截止状态,此时对应为关。
元器件的选择与制作
电源变压器可采用1~2W小型的。TRIAC自制可用3A500V的双向可控硅。L\(_{1}\)在φ6×20mm的高频磁芯上用φ0.6的漆包线双层密绕共48匝。BG1~BG\(_{4}\)可用一般小功率NPN硅管代替。J1~J\(_{3}\)采用电压为6V的。
调整
接收部分的调整:接收部分4069的各脚电压见附表,其正常与否直接影响到接收灵敏度。其中接成交流放大器使用的门1、2的各点电压均应为1/2V\(_{DD}\),以保证有较大的动态范围。如不为1/2VDD,可检查偏置电阻并调整W\(_{1}\)01使各点电压符合附表所示数值。按下AN1,指示灯应轮流亮灭,继电器轮流吸合,表示后面控制显示部分正常。

发射部分的调整:业余条件下,可把发射超声换能器发射面正对接收超声换能器的接收面,按下AN101,调整W\(_{1}\)01,使接收部分的J1~J\(_{3}\)动作。然后拉开距离再细调W101,使接发距离最远。一般元器件正常E\(_{1}\)用9V,遥控距离可达10米以上。利用墙壁的反射,发射头不必正对接收面,也能控制。
执行部分的调整:①快档:从电源插座CZ\(_{1}\)插入220V40~100W的灯泡或电风扇,如插入电风扇时,风扇琴键开关置快档。用250V交流电压表并于风扇两端,并操纵遥控发射器使J1吸合,或按下AN\(_{1}\)使J1吸合。此时LED\(_{2}\)亮。改变R23的数值,使万用表的读数接近电源电压,此时TRIAC处于全导通状态。(注意:由于R\(_{23}\)上带市电电压,调整时需特别小心,以免触电;另外TRIAC散热片上也有高压,用电位器代替R23时,需串入1~2K的防短路电阻。)②中档:操纵发射器或按下AN\(_{1}\),使J1释放,J\(_{2}\)吸合,改变R21阻值,至合适的亮度或风速时固定R\(_{21}\)即可。③慢档:操纵发射器或AN1,使J\(_{2}\)释放,J3吸合,调整W\(_{2}\)至合适的亮度或风速便可固定W2,④关档:操纵发射器或AN\(_{1}\),使J1~J\(_{3}\)均释放,调整R22使电压表读数接近0V此时灯全灭或风扇停转。
使用:风扇或灯不用时,可直接打开K\(_{0}\),不必拔除电源插头。如K0合上,操纵遥控器或AN\(_{1}\)使灯关、风扇停也可以,但此时整机仍在工作,仍要消耗小量电能。某些地区深夜电压太高时需注意安全。
使用同一套主电路,只要把超声波换能器换成红外线发射接收二极管,便可以改变成为红外线遥控开关。由于红外线遥控的文章介绍得比较多,在此不再赘述。两种产品有相同的功能及相同的控制距离。(石湖)