场同步脉冲:当场频为50Hz时为VBL·V0+V2+VC·V5+H4+H5-当场频为60Hz时为VBL·V0+VI+VC·V2·(H4+H5)-对应的计数关系为50Hz时,垂直计数208~211,水平计数16~63,60Hz时,垂直计数为480~483,水平计数16~63,脉冲宽度为47μS。
2 视频数据发生电路
此电路的功能是将内存读来的数据变换成亮度信号(包含色度信号)送给显示设备。由视频地址发生部分可知,视频电路读RAM的周期是与LDPS-信号一致的,大约0.98μS,每一次读一个字节数据。在这一段时间里,屏幕上正好扫描一个字符(文本模式)的宽度。因此,视频数据发生电路的核心是一个并—串变换电路,即将RAM读来的并行数据变换成串行数据发送出去。现就各模式详细说明如下:
(1)、文本模式下的视频数据发生电路:此模式下将RAM读出的ASCII码数据变成相应的字符点阵输出。每个字符点阵为7个点宽、8行扫描线高。经过简化的电原理图见图4。其中EPROM2716为固化有字符点阵的只读存储器,它的高八位地址线A\(_{3}\)10接到经过锁存后的RAM数据(BD0~BD7),而低三位地址A\(_{0}\)2接VA~VC。BD0~BD7用来决定ASCII码字符,而VA~VC在每个字符显示过程中变化8种状态,组成一字符的8行扫描线。例如,字符“A”的ASCII码为C1,其点阵如图5。当屏幕扫描到某位置时,BD0~BD7为C1,VC~VA为000,则2716数据端D\(_{0}\)~D6(D\(_{7}\)未用)输出0000000,当扫描线到达下一行该位置时,BD0~BD7仍为C1,VC~VA变为001,则D0~D\(_{6}\)输出0001000,以此类推,当VC~VA变到111,则字符“A”的点阵状态就全部输出。


输出的点阵数据送到移位寄存器74LS166,这是一个并行输入串行输出的移位寄存器。当其LD-端为低电平时,在时钟上升沿,A~H的数据打入寄存器,Q\(_{H}\)=H;当LD-端为高电平时,它处于移位状态,打入内部的数据将随着时钟从QH端移出。由于LD-端接LDPS-,时钟为7M(14M信号仅改变时钟脉冲的宽度),而LDPS-是一个1M的信号,故每个LDPS-脉冲打入一个点阵数据,然后在7M时钟作用下移出7位,形成一个字符的串行信号。
最后,此信号和闪烁/反相信号相异或,送给74LS151八选一数据选择器,74LS151用来选择不同显示模式的信号。被选中的信号经14M同步后送往混合电路,与同步信号等混合,形成了全电视信号。
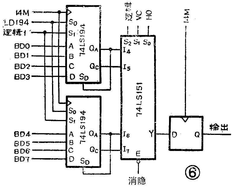
(2)、低分率图形模式下的视频数据发生电路:此模式下将RAM读出的一个字节数据在屏幕上表现为两个色块,其简化原理图见图6。其中74LS194是一个四位移位寄存器,具有并行打入、串行输入、左移、右移等功能。在图中情况下,当LD194为高电平时,该器件处于并行打入状态,RAM数据在时钟脉冲的上升沿被分为两个四位分别打入两个移位寄存器。当LD194为低电平时,该器件处于移位状态,打入的数据在寄存器内部循环移位,此时从Q\(_{A}\)或QC可输出串行信号。

输出的串行信号有四路,由数据选择器74LS151选择,选择过程是:V\(_{C}\)信号每扫描4行改变一次,它决定选择哪个移位寄存器来的信号。因此每扫描4行,就改变了半个字节的选择,形成了每个字节在屏幕上显示两个色块,每个色块由半个字节决定。另外HO信号可以决定选择从QA端还是Q\(_{C}\)端取信号。这种选择的设置是因为每个色块的扫描时间周期为3.5个色同步周期,因此奇色块列和偶色块列之间色度信号相差0.5个色同步周期,即180°。为了在不同的色块列上显示相同的色彩,需要同时输入串行信号(包含色度信号)每隔一个色块间隔倒相一次。而移位寄存器的QA端与Q\(_{C}\)端相差两个多位脉冲周期,移位脉冲频率(14M)又恰为同步信号频率(3.5M)的4倍,故QA与Q\(_{C}\)的输出正好满足这个条件。
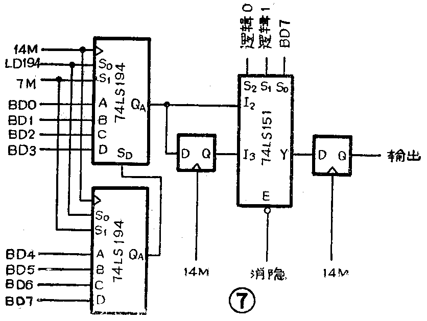
(3)、高分辨率图形模式下的视频数据发生电路:此模式很类似于低分辨情况,其简化原理图如图7、此时两个移位寄存器已串联成8位移位寄存器,移位频率为7M。每当LD194变高时,RAM数据就被打入移位寄存器。由于LD194频率为1M,故每次打入的数据只被移位次,其中bit7并没有出现在串行信号中,但这一位却控制了数据选择器74LS151,当BD7为0时,选择74LS194的Q\(_{A}\)输出的信号;当BD7为l时,选择经D触发器延迟后的信号,此信号延迟了一个14M周期,这点延迟恰好为90°位相滞后。因为当bit7变化时,便改变了显示的色彩。

NTSC-PAL制式转换电路
众所周知,在彩色电视信号中,色彩信息是利用彩色副载频信号发送的。这个彩色副载频信号的相位决定了色彩的色调,其强度决定了色彩的饱和度。为了确定其相位,在全电视信号中又加入了一个参考相位,即色同步脉冲。由于传送彩色副载频信号和色同步脉冲的方式不同,就产生了不同的彩色制式。
图8是XMF—Ⅰ型机制式转换电路框图。8.867MHz的晶振信号经过分频及分相网络后,产生4.4336MHz的色同步参考信号和16种不同相位的彩色副载波信号,这些信号经过PAL开关后就产生出符合逐行倒相要求的色同步信号及各种彩色副载波信号。PAL开关由行同步脉冲的分频脉冲控制。色同步参考信号送入色同步发生器后,在每个行同步脉冲后沿送出一串包含约十个周期的色同步脉冲信号。而16种彩色副载波信号则送入控制电路。另外,从主机送来的NTSC制的串行信号(VIDEO DATA),则先进行一串行——并行交换,得到的共行数据送入解码电路,由彩色参考信号CR进行同步解码,解码结果则控制着PAL制16种彩色副载波信号之一输出,这时的输出即为PAL制色度信号,而原来的VIDEO DATA信号则变成FAL制亮度信号。亮度信号、色度信号、色同步信号和行场同步信号(与NTSC的行场信号相同),被送到混合电路,按比例混合成PAL制的视频电视信号,再由一高频调制器进行调制,可送往电视机天线插口。(陈光梦)
