在数字控制系统以及各种数字仪表中,对数字信号的计数和显示多分别采用不同功能的多个单元电路,使用很不方便。本文向读者介绍两种目前应用较广泛的CMOS计数—锁存—译码驱动与LED数码显示器组合器件,它将上述五种功能集于一体,通常称为“五合一”电路。
一、一位显示组合器件
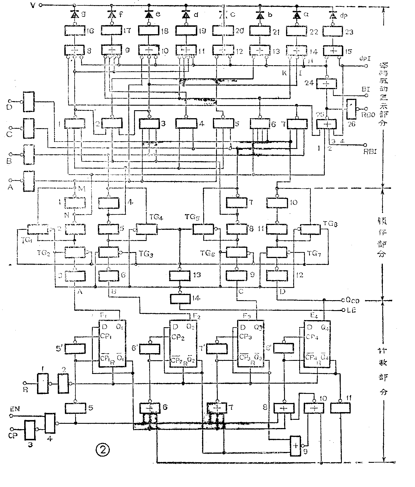
图1是CL102的逻辑框图,内部逻辑电路如图2所示。它由二—十进制计数器、四位数据锁存器、七段显示译码器及驱动器、LED数码显示器以及消隐电路构成。下面分别介绍各部分电路的工作原理。


1.二—十进制计数器:图2中,D触发器F\(_{1}\)~F4以及门1~门11组成二—十进制同步计数电路。它有两个时钟输入端:CP和EN。如果要用时钟脉冲的上升沿触发,则脉冲由CP端输入,并将EN接高电平“1”;如果用时钟脉冲的下降沿触发,则脉冲由EN端输入,并将CP接低电平“0”。计数器的计数单元是由D触发器(D、Q-端相连)构成的T型触发器。T型触发器的逻辑功能是:从CP端每输入一个时钟脉冲,触发器状态就翻转一次,即:Qn\(_{+}\)1=Q-n。现假定计数器的初始状态为“0000”,若把时钟脉冲CP的作用也考虑进去,四个T型触发器(F1~F\(_{4}\))控制端的控制方程分别为:

由控制方程可总结出计数与进位的规律:对于触发器F\(_{1}\),每输入一个CP脉冲,F1就翻转一次。仅当Q\(_{1}\)=1,Q4=0时,每输入一个CP脉冲,F\(_{2}\)就翻转一次。当Q1=Q\(_{2}\)=1时,每输入一个CP脉冲,F3就翻转一次。而当Q\(_{1}\)=Q2=Q\(_{3}\)=1时或者Q1=Q\(_{4}\)=1时,F4才在CP脉冲作用下翻转一次。下面具体分析1~10的计数过程:清零信号过后,Q\(_{4}\)~Q1的计数状态为0000,称原始状态。第一个CP脉冲来到时,F\(_{1}\)置1,Q1=1;Q-\(_{1}\)=0,Q4~Q\(_{1}\)的计数状态为0001。由于Q1=1,Q-\(_{4}\)=1,这就为下次触发F2做好了准备。第二个CP脉冲来到时有两个作用:①使F\(_{2}\)置1,Q2=1,Q-\(_{2}\)=0;②使F1置0,Q\(_{1}\)=0。计数状态为0010。因为第三个CP脉冲过后,计数状态为0011,即Q1=Q\(_{2}\)=1,所以第四个CP脉冲来到时,使得:①F3置1,Q\(_{3}\)=1;②F2置0,Q\(_{2}\)=0;③F1置0,Q\(_{1}\)=0,计数状态为0100。第八个CP脉冲来到时,F4翻转,Q\(_{1}\)=Q2=Q\(_{3}\)=0,计数状态为1000。第十个CP脉冲来到时,因在此之前Q4=1,故CP脉冲的上升沿不能触发F\(_{2}\),F2仍为0,又因在这之前Q\(_{1}\)=Q4=1,故CP能触发F\(_{4}\),使F4置0,Q\(_{4}\)=0,电路恢复“0000”原始状态,同时从Q4端输出一个进 位脉冲。如此循环下去,便完成了二—十进制计数。
从以上分析可以看出,在输入CP脉冲作用下,能够翻转的触发器总是同时翻转的,属同步计数器,它的特点是具有较高的计数速度。
2. 数据锁存电路:它包括四路数据锁存电路,传输门TG\(_{1}\)、TG2以及非门1、2、3组成Q\(_{1}\)数据锁存电路,TG3、TG\(_{4}\)以及门4、5、6组成Q2数据锁存电路,TG\(_{5}\)、TG6、门7、8、9为Q\(_{3}\)数据锁存电路,TG7、TG\(_{8}\)、门10、11、12为Q4数据锁存电路。下面以Q1数据锁存电路为例,介绍锁存电路的工作原理。
在数据锁存电路中,传输门的导通或截止是由锁存控制端LE的电平状态控制的,而每个传输门又有两个控制端,如Q\(_{1}\)锁存电路中,TG1左边的控制端加正极性控制电压,右边的控制端(带小圈)加负极性控制电压,TG\(_{2}\)导通,其上下两端可实现(双向)数据传送。当TG1所加控制电压与上述相反时,TG\(_{1}\)则截止,不能传送数据。当LE为“0”电平时,经门14反相后变为高电平,此高电平加到TG2的正极性电压控制端和TG\(_{1}\)的负极性电压控制端;LE的“0”信号经门14、13两次反相后变为低电平,此低电平加到TG2的负极性电压控制端和TG\(_{1}\)的正极性电压控制端,使TG2导通,TG\(_{1}\)截止。这样,计数单元中F1的Q\(_{1}\)端的数据信号通过门1~3及TG2传送到输出端M和N,即:M=Q-\(_{1}\),N=Q1。当控制端LE为高电平“1”时,TG\(_{1}\)和TG2所加控制电压与上述刚好相反,TG\(_{1}\)导通,TG2截止。由于TG\(_{2}\)截止,Q1端的数据信号不能传送到MN端,但是,由于TG\(_{1}\)的导通,M=Q-1将通过TG\(_{1}\)反馈到门2的输入端,经门2和门1反相后使MN端仍为原来状态,也就是保持了原来已传送的数据信号,从而实现了数据锁存。其余三路锁存电路的结构原理完全相同。整个锁存电路的功能是,LE=0时,计数器Q1~Q\(_{4}\)端的数据信号可以传送到锁存器的输出端,也就是译码器输入端,LE=1时,Q1~Q\(_{4}\)端的数据信号不能传送到译码器输入端,但原来已传送的数据被锁存,不再随计数器的状态而变化。
设置锁存器的目的是为了避免在计数过程中出现不停地跳数现象,以利于读数或记录。例如,在数字频率计中,计数器是每秒计数一次,计满1秒计数器自动清零,然后再重新计数1秒,不断重复。若无锁存器,当计数器清零时将显示全零状态。看上去显示的数码就有不停地跳动现象。若在计数器清零前通过特定电路向LE端送入“1”电平,则原来数据被锁存,计数器清零后仍显示原数据,待计数器计满1秒后再向LE端送入“0”电平,将新数据送入译码器,这样显示的数码就没有跳数现象了。
3.译码、驱动、显示电路:译码器为四线至七段译码器,显示字形笔划如图3(引线排列图)所示。它由译码部分的门1~22组成。其功能就是将计数器的BCD码译成阿拉伯数码。译码器是一种组合逻辑电路,其输出状态仅取决于此时输入状态。现以笔段a为例说明一下笔段方程式的写出方法。图2中,a=C-=K+I-…①,K=DCBA-…②,I=CBA-… ③,将式②③代入①,得a=C-=ACBD+ABC-。这里需要说明的是,门14的三个输入端中H是消隐电路的输出端,在正常显示情况下H=1,因此,上述方程式①中没有考虑H。按上述方法由图2不难写出各笔段的逻辑表达式(布尔代数式):


根据上述表达式也很容易得出对应于各种数据状态下七段a~g的状态。例如,当计到第七个数时,DCBA=0111,各笔段的状态分别为:a=1,b=1,c=1,d=c= f=g=0。即 a、b、c段亮,d、e、f、g不亮,显示字为7。当计数器从“0000”~“1001”变化时,显示器显示0~9。
由于CMOS门电路的输出电流较小,本电路驱动级(门16~23)为MOS管与双极型晶体管复合而成,如图4所示,当输入端V\(_{I}\)=0时,MOS管TN截止,T\(_{P}\)导通,TP漏源电流I\(_{DS}\)注入双极型晶体管T的基极。T导通,使显示单元LED发光。当VI=1时,T\(_{P}\)截止,TN导通,T的基极为低电平,T截止,LED不发光。这种电路最大驱动电流达几十毫安。

4.消隐电路:消隐电路有三部分,一是显示的强迫消隐,二是小数点消隐,三是无效零消隐。强迫消隐电路比较简单,由图2可知,当消隐控制端BI为高电平“1”时,或非门24输出低电平,并同时加到门8~15的输入端,使它们均输出高电平,使门16~23均输出低电平,各显示单元均不亮,实现消隐。当dPI=0时,小数点dp被消隐。此位不是小数位将dPI接低电平“0”即可。所谓无效零消隐就是将数码中没有用的零数码灭掉。例如,一个数字仪中显示八位数0015.1020,这里15前的两个零以及最后一个零就是无效零。经无效零消隐电路后就显示为15.102,这才符合我们的书写和阅读习惯。由图2可见,如果本位不是小数点位,则dPI=0;如果我们人为地将RBI 端也接“0”电平,则门25的第3个输入端为低电平零;如果本位恰好为零数码,计数器为“0000”状态,则门25的第1、2个输入端也为低电平。也就是说,当本位为0,也不是小数点位,且RBI=0时,门25 的四个输入端全部为低电平,输出端为高电平,经门24反相后变低电平作用于门8~15的输入端,使它们均输出高电平,门16~23输出低电平,各显示单元均不亮,从而实现无效零消隐。此零是否为无效零,则应通过各位间的RBO与RBI端的正确联接确定,这一问题我们放在CL102的多位级联一节中介绍。
另外在图2中,R端为清零端,当R=1时,各计数单元F\(_{1}\)~F4均被置“0”,计数器为“0000”状态,电路显示0。ABCD为BCD码输出,分别为2\(^{0}\)、21、2\(^{2}\)、23代码,供信号检测或记录之用。V端为显示器公共阳极,改变V端电位可以改变显示器亮度。
顺便指出,CL102中计数部分与CC4518相同,译码部分与CC4511相同。
当某一装置需要多位计数显示时,可将CL102级联使用。级联时主要是考虑时钟、进位以及无效零消隐问题。进位端的连接应是低位进位端Q\(_{CO}\)与相邻高位的负脉冲时钟端EN相接,利用QCO的下降沿使高位计数。若将Q\(_{CO}\)与高位的CP端相连,利用上升沿计数,则得不到“逢十进一”的结果。这是因为当计数器计到第8个数时,QCO就有一正脉冲输出(Q\(_{4}\)由“0”变为“1”),若用它作为高位的CP信号完成的将是八进制计数。但当计到第十个数时QCO却有一负脉冲输出,因此,低位的Q\(_{CO}\)与相邻高位的EN相连完成的是十进制计数。但最低位可用上升沿也可用下降沿计数。图5是这种典型的级联方式。自动零消隐电路是这样连接的:在小数点前,最高位的RBI接“0”电平,高位的RBO与低位的RBI相连;小数点后,最低位的RBI按“0”电平,低位的RBO与高位的RBI相连。现在我们假设译码后的数码为:015.010,由于最高位RBI=0,dPI=0,且为零数码,满足消隐条件,最高位被消隐。且该位RBO=0,为相邻低位消隐提供了一个RBI=0的条件,第5位的dPI=0,但有一条件不满足就是该位不为零,故正常显示。且第5位RBO=1,这就表明第4位不能消隐。第1位RBI=0,dPI=0,且该位为零,故第一位消隐。且该位RBO=0,为第2位消隐提供了RBI=0的条件,但第2位不为零,将正常显示。且第2位RBO不为“0”,这表明第3位不能消隐,尽管它为零,所示上数就显示为15.01。(未完待续)(沙占友 苏长赞)
