MH8841是CMOS四位单片机,能够按人们的需要,控制电饭煲的做饭程序。
功能及特点:MH8841有六个煮饭程序:吸水、加热、保持沸腾,焖饭、再加热、保温。它能按每一程序控制电流的大小,得到最适当的温度。能自动测量饭量,再安排各程序的时间,确保米饭色香味美并且最省电。
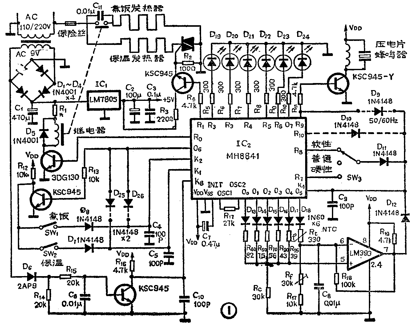
工作原理见图1,SW\(_{1}\)是煮饭开关,当开关闭合时,K2 脚为高电平,R\(_{0}\)脚输出为高电平,BG1导通,继电器吸合,接通煮饭加热器。SW\(_{2}\)是保温开关,当开关闭合时,K1脚为高电平,R\(_{1}\)脚输出高电平,射极跟随器BG2将双向可控硅触发导通,保温发热器接通保温。当饭熟时,06脚输出为高电平,BG\(_{3}\)导通从而切断SW1和SW\(_{2}\)开关,停止加热和保温。继电器和双向可控硅都设计在零相位,以延长寿命和减少噪音。测温单元由运算放大器LM393、Rt、Rf、R17、R、Rc构成的电桥电路组成,电桥平衡时,LM393的7脚输出为0,电桥平衡破坏时,LM393的7脚输出信号经D\(_{11}\)、D12加到SW\(_{3}\),决定是否再加热。按800瓦来计算,电路上的Rc和Rf是30kΩ~50kΩ,最好用30kΩ。各电阻可以按NTC热敏电阻的规格来计算,有误差可以调节Rf解决。SW3是一个单刀三位选择开关,可根据米的种类,决定再加热的时间。电源变压器次级的交流频率作为时基信号,经BG\(_{4}\)放大后送到IC2的K\(_{8}\)脚,当电源是50Hz时将D9接通(60Hz时则不用)。为了缩短调试时间,测试时把D\(_{1}\)0连接起来,这时时基加快十倍。D25和D\(_{26}\)是用来选择显示方式的,可以使D19~D\(_{24}\)在“吸水”、“加热”“沸腾”、“焖饭”、“再加热”、“保温”各状态分别点亮。当饭熟和保温时,蜂鸣器发出频率为500Hz的音响。在正常煮饭程序中,如果从40℃升到50℃的时间超过1000秒,煮饭功能会自动停止并且长时间发出1kHz声音,直到电源关闭为止,此程序是防止热感器接触不良或失效造成意外而设置的。

程序主要分正常程序和不正常程序,其流程图参看图2。正常程序是当电源接通时,IC\(_{2}\)马上自动复位。当煮饭开关接通,IC2会记录从40℃升到50℃的时间,从而判断饭量的多少,再按饭量控制相应的吸水时间,然后发热器再加热,直至温度升到90℃,保持沸腾,IC\(_{2}\)会决定所需要的时间,饭好后自动切断SW1电路,在SW\(_{2}\)接通的情况下,将保温焖饭,温度保持在70℃左右。

不正常程序,当煮饭开关接通时,如果测得温度高于40℃,则在最初60秒内不停地测温,如60秒内降到40℃以下,则开始按正常煮饭程序工作。(杨明生)