YS414是一种常用的直放式收音机集成电路,它具有外围电路简单、耗电省和增益高等优点。由于这种集成电路性能价格比较高,故被广泛应用于各种微型收音机中。如手表收音机、打火机收音机、钢笔收音机等。有关用YS414装制微型收音机的电路本刊在1988年第6期介绍后,收到很多读者来信。根据读者要求,本文详细分析一下该集成电路的性能及参数,并且还介绍一些用YS414来实现其它功能的电路。
YS414原理分析
YS414采用标准TO-92型封装,其体积大小与普通小功率晶体管一样。虽然它只有三个引脚,但内部却比较复杂,集成了五级高频放大器及各级间的耦合电容器。其中第一级的输入阻抗竟达4MΩ,第五级经过适当偏置组成了一个性能优良的检波器。值得一提的是YS414只需极少数的外围元件即可得到70dB以上的功率增益和20dB以上的自动增益控制范围。图1是YS414的内部框图与引脚标记,图2为YS414的参数测试电路及外型图。图2中R\(_{1}\)为偏置电阻、R2是自动增益控制及负载电阻,C\(_{2}\)是高频旁路电容器。图3及附表是YS414的性能参数。由图3可知YS414的增益及自动增益控制主要由R2决定,它的阻值通常在0.5K~1K间选择。R\(_{2}\)阻值确定后,C2的值可以根据经验公式:C\(_{2}\)=\(\frac{1}{2}\)πR2×4×10\(^{-}\)3(μF)来近似选取。只要R\(_{2}\)、C2的值选配得当即可得到较佳的增益与自动增益控制特性。下文介绍几种实用电路。




收音机电路
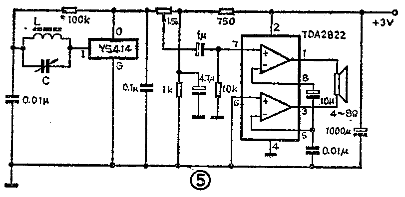
用YS414装制收音机的电路很多,这里再向读者介绍两个效果较好的电路。图4为用YS414装置的微型收音机电路,其特点在于耦合电容器取值较大,又增加了音量电位,末级放大管使用超线性型9014晶体三极管。故使音质大为提高,适当提高了信号的动态范围,避兔了阻塞失真,而且由于使用了R\(_{5}\)、C7组成的简单的滤波网络,即使电池快没电时也不会产生啸叫,耳机使用64欧立体声耳机,单只或两只并连均可,从而大大降低了电路的耗电,为使用钮扣电池创造了条件,且音质较好。本刊1988年第6期曾介绍了一种由YS414做前级,TDA7050做末级的放音电路。由于TDA7050价格较高又难购买,而且是偏平封装不易焊接,故这里提供一种用TDA2822的电路,如图5所示,图中TDA2822也接成其标准的BTL形式,使用3伏电源,在4Ω负载上可得到350mW的输出功率。


对讲机等应用电路
由于YS414体积小,工作频率范围宽,增益高并兼有自动增益控制特性,故可以用来充当外差式调幅收音机、对讲机的中放电路,使用YS414后在保证增益及选择性的前提下,电路十分简洁。图6即是一种使用YS414装制的微型对讲机线路图,由图可见,整个中频放大器及检波部分只有集成电路本身和一只三端陶瓷滤波器,其余参数已标注在图中。

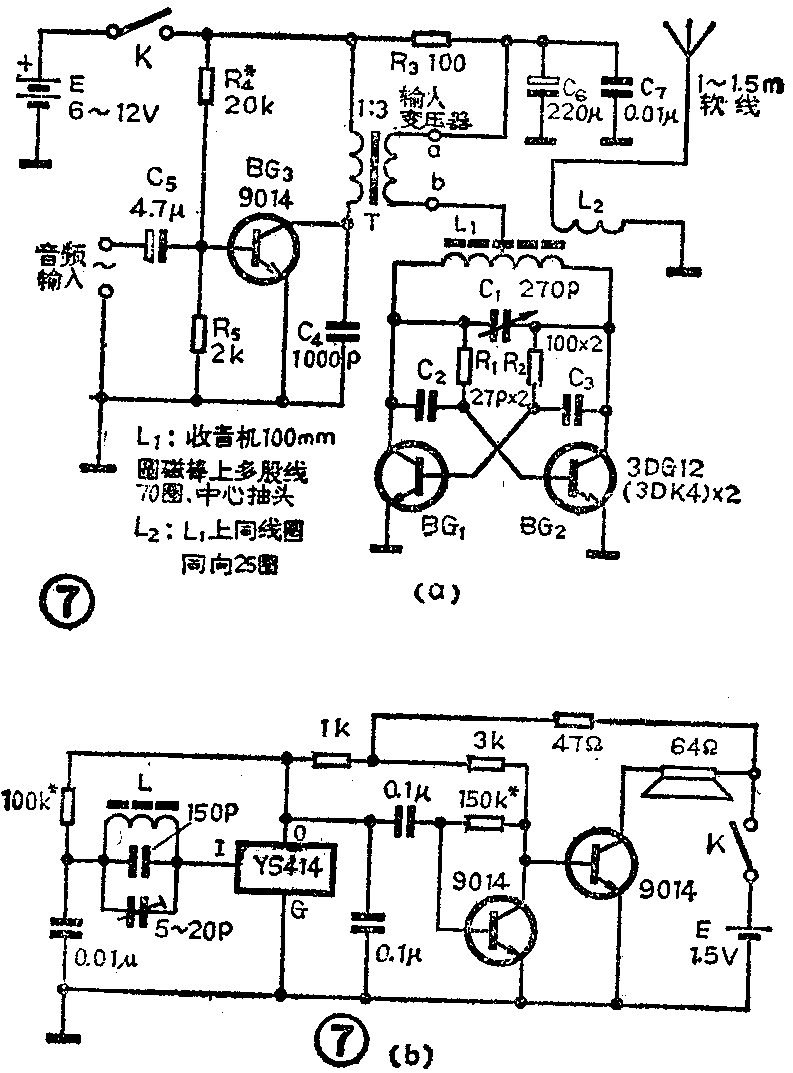
图7是一种以YS414为核心的无线耳机系统,这个系统可以配用廉价的高阻耳机或普通小型立体声耳机,每只耳机用一节五号电池。图7(a)为发射机电路,其中BG\(_{1}\)、BG2构成推挽振荡电路,调节C\(_{1}\)可以使振荡频率落在调幅波段的空频道上,BG3是音频信号放大级,放大后的信号经调制变压器T对BG\(_{1}\)、BG2产生的振荡信号进行幅度调制。该电路装好后无需调,使用时从输入端送入音频信号,然后微调R\(_{4}\)及输入信号的幅度使接收机收到的信号稳定且失真最小即可。图7(b)与图4电路十分相近,只是调谐电容用普通固定瓷片电容罢了。

YS414的工作频率及输入阻抗都比较高。所以设计时要注意外接元件的排布,应尽量靠近集成块安装,以免产生自激。(付兴华)