一台日立CEP-321D18英寸彩色电视机出现无光栅无伴音故障,经检查发现是厚膜电路STR6020S损坏。这种厚膜电路的内电路不太复杂,如果找不到备件,可采用分立元件来代换。
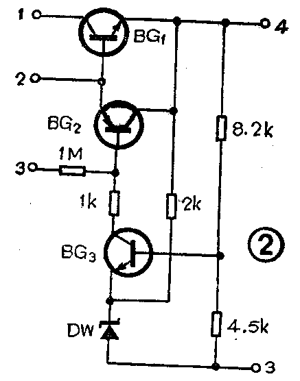
厚膜电路STR6020S的内部电路如图1所示,按此电路用分立元件来代换,代换电路如图2所示,印刷电路板如图3所示。



元件选择:BG\(_{1}\)用C1942,β≥15,BG2用3CG5D,BG\(_{3}\)用3DG130C,两管的放大倍数β≥45,电阻选择耗散功率大于1W的,稳压管选用2DW7B。
电路调试:将代换电路的引出脚按号码用导线连接到原厚膜电路的电路板上。安装无误,即可开机调试,如果图象有轻微的抖动,可适当调整取样电阻。如果图象有严重的扭动,则有可能是BG\(_{1}\)管质量不好,可更换一个新管试试。如果产生自激现象,可在BG3的集电极与地之间接一个100pF的电容器,这样自激即可消除。
注意事项:电源开关管BG\(_{1}\)必须加散热板,散热板的面积是80×40mm\(^{2}\),厚度为2mm。代换电路板可用小支架固定在原厚膜电路旁的空位上。(冯晨光)