激光电视唱片上记录着彩色图像信号和声音信号。激光电视唱机用光学扫描系统检出这些信号后,必须经信号处理系统进行各种处理,才能重现原来逼真的图象和声音。为了有助于对信号处理过程的理解,首先简单地说明一下激光电视唱片上所记录的信号。
1.激光电视唱片记录信号:激光电视唱片用一条轨迹记录两路声音信号(立体声音乐或两种语言)和一路彩色图象信号。彩色图象信号带宽为4.2MHz,两路声音信号带宽为20kHz,它们均被加到各自调频调制器,进行频率调制。对于NTSC制,彩色图象信号调频载频为8.5MHz,频偏为1.7MHz,白电平为9.3MHz,同步头为7.6MHz;两路声音信号分别调频调制在2.3MHz和2.8MHz的载频上,频偏为100kHz。声音调频载波的幅度约为图象信号载波的2/3。经过调频调制后的三路信号用加法器相加而得到和信号,经限幅整形成矩形波,即刻录信号。如图1所示。矩形波的重复频率等于图象信号的FM调制波的频率,占空比变化的重复频率等于声音信号FM调制波的频率。唱片上表示信息的小凸起与矩形波相互对应。

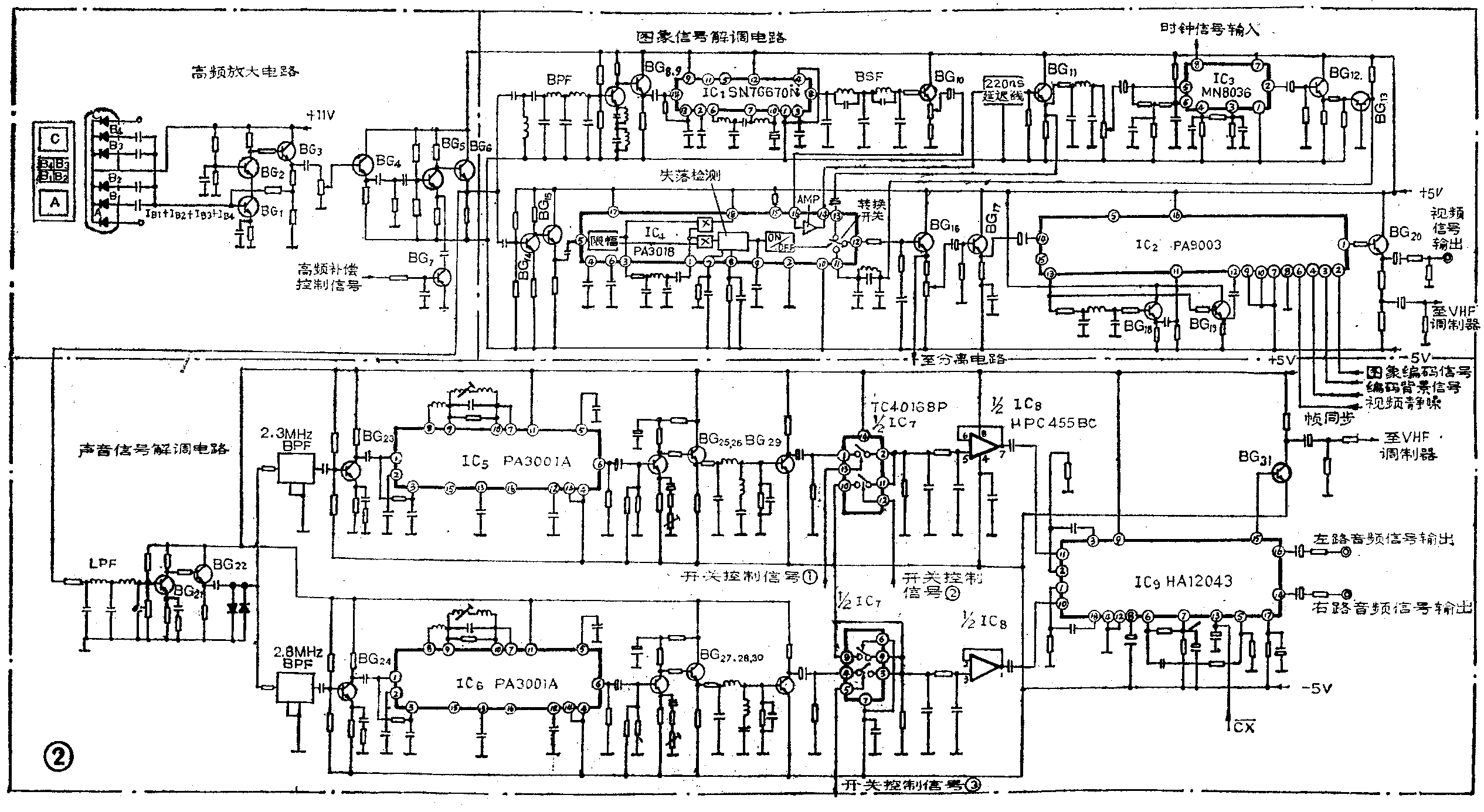
播放时,光学扫描系统把记录在唱片上的信息检测出来,检出信号同刻录信号相对应(参考本刊《激光电视唱机光学扫描系统》一文),该信号中包含有两路声音信号和一路彩色图象信号。激光电视唱机信号处理系统的主要任务是把这三路调频信号分离、解调,以重现原来的图象和声音信号。图2为信号处理系统的原理图。信号处理系统的电路主要包括高频放大电路、彩色图象信号解调电路和声音信号解调电路。

2.高频放大电路:光学扫描系统中光电探测器的四个光敏二极管把从激光电视唱片上检测到的信息变换成电信号,这四路电信号通过隔直流电容后混合在一起,得到和信号(I\(_{B1}\)+IB2+I\(_{B3}\)+IB4),波形如图1(f),该信号加到BG\(_{1}\)和BG2组成的共发——共基极电路进行放大,使光敏二极管输出的微弱电信号达到一定的幅值。经过放大后的高频信号由隔离级BG\(_{3}\)的发射极输出加到BG4、BG\(_{5}\)组成的高频补偿电路。
高频补偿电路除对高频信号放大外,还要对高频损失进行补偿。由于唱片内圈的周长比外圈短,所以越到内圈空间频率越高。空间频率越高,物镜在光敏二极管上成象的明暗差越小,光敏二极管产生的电信号幅度也小,结果就出现了图3所示的曲线。本电路进行高频补偿的方法是用代表高频信号幅度信息的直流电压(即外加的高频补偿控制信号)控制BG\(_{7}\)的导通,从而改变BG5的负反馈,达到在高频段对信号提升的目的。

3.图像信号解调电路:高频补偿后的调频信号经过L、C组成的3.5~15MHz带通滤波器BPF,滤除2.3MHz和2.8MHz的声音调频信号后,加到BG\(_{8}\)、BG9组成的直接耦合放大器进行放大。BG\(_{8}\)的发射极接有两个串接着的并联谐振回路,并联谐振频率分别为2.3MHz和2.8MHz,进一步滤除两路声音调频信号,减小对图象的干扰。
BG\(_{9}\)发射极输出的图象调频信号加到IC1和外围电路组成的视频解调器,把图像调频信号解调成视频信号。解调后的视频信号经LC组成的带阻滤波器BSF、三极管BG\(_{1}\)0和IC4内部的放大器AMP以及220ns延迟线加到BG\(_{11}\)的基极。带阻滤波器用于滤除图象载频信号,220ns延迟线用于补偿IC4内转换开关动作时引起的响应时间。
激光电视唱片在制造和使用过程中,由于灰尘、划痕、唱片中的气泡等原因,都会使高频信号产生部分失落。信号失落时间一般小于一个扫描行的时间(在数微秒以内),如果不对这一失落进行补偿,画面上就会出现干扰,所以在图象解调电路中增加了视频失落补偿电路。
视频失落补偿是利用相邻扫描行的图象信号具有高相关性的特点,用经过延时1行扫描时间的上1行图象信号(无失落)代替下一行发生失落的图象信号。这样经置换的信号在荧光屏上产生的图象同原来图象在视觉上几乎无差别。
失落补偿电路由延时器(IC\(_{3}\))和IC4中的失落检测器及转换开关组成。由BG\(_{11}\)射极输出的已解调视频信号,一路直接加到IC4的13脚;另一路加到IC\(_{3}\)的5脚,经过该延时器延时1行扫描时间后,再加到IC4的11脚(转换开关的一个引脚)。这样加到IC\(_{4}\) 的11脚的视频信号,就是13脚(转换开关的另一脚)所加视频信号的前一行视频信号。当IC4内失落检测器检测到信号失落后,立即控制转换开关使它的12脚与11脚接通,则12脚便输出前一行没有失落的视频信号,从而实现了对失落信号的补偿。失落过后转换开关复原,电路恢复正常状态。
RG\(_{11}\)发射极输出的视频信号加到IC4的13脚,经IC\(_{4}\)内部开关和由BG16、BG\(_{17}\)组成的放大器,再加到IC2的14脚,在IC\(_{2}\)内对视频信号进行如下处理:①在播放的起始和结束期间静噪。②在视频信号中加进图象编码信号和图象编码背景信号。唱片上记录的图象采用数字编码以供微机进行自动检索,为了帮助用户判断荧光屏上显示的图象是否为所需的编码号,在视频信号中加进相应的图象编码信号。为了使编码字符和所处位置的其它图象颜色区别开来,在视频信号中加进图象编码背景信号,保证编码字符在屏幕上清楚可见。这些信号是由控制电路产生的。
经IC\(_{2}\)处理后的视频信号,由BG20的发射极输出,直接输入到监视器的视频输入插孔。为了用普通电视机观赏激光电视唱机播放的图象,视频信号还送到VHF调制器,调制在某一电视频道的高频载波上。
4.声音信号解调电路:因为唱片记录着两路声音,所以解调电路分为独立的两个调频解调电路,如图2所示。这两部分电路根据两路声音信号的载波频率不同(2.3MHz和2.8MHz)而采用了不同频率的带通滤波器。
经过高频补偿的两路声音调频信号由BG\(_{6}\)的发射极输出,经过低通滤波器LPF把图象信号滤掉。再经BG21和BG\(_{22}\)进一步放大后分成两路,一路通过2.3MHz带通滤波器;另一路通过2.8MHz带通滤波器,又分别经BG23和BG\(_{24}\)放大后加到各自调频解调器IC5和IC\(_{6}\),对声音调频信号进行解调而恢复原来所记录的声音信号。这两路信号又分别由BG25、26、29和BG\(_{27、28、3}\)0放大后,再通过音频控制开关IC7、双运算放大器IC\(_{8}\),分别加到双通道放大器IC9的11脚和10脚,经过IC\(_{9}\)进一步放大后输出左右声道的两路声音信号。
声音控制开关IC\(_{7}\)的作用是为了切断某一路声音信号,通断方式由面板上开关控制。例如播放的是立体声,则开关的①和②、③和④接通,⑩和断开,则两路声音为独立的左右声道输出。如果两声音分别为两种语言,根据收听者的需要使开关的⑩和接通,使①和②或③和④断开,这对一路声音作为两路输出,即只能听到其中一路语言的声音。
从IC\(_{9}\)的15脚输出的两路左右声道的声音信号,经BG31放大输出送到VHF调制器,供普通电视机接收。为了能用双伴音电视机欣赏立体声音乐,有的激光电视唱机声音解调电路加有声音多重调制器,对双伴音声音信号进行多重调制后变成立体声信号,再送到VHF调制器。
如果高频信号存在失落,重放声音就会产生很难听的咔嚓声,因此必须对失落的声音信号进行补偿。一般情况下失落连续时间很短(数微秒),在这样短的时间内音频信号电平变化不会很大,因此在调频解调器(IC\(_{5}\)、IC6)中采用了前置保持型失落补偿电路。在声音信号失落期间,由集成块IC\(_{5}\)和IC6内失落检测器把失落信号断开,后级电路中保持电容器(IC\(_{5}\)和IC6的5脚接的电容器)存储的电压,即为失落前的声音信号电压,即代替了失落期间的电压。这种补偿办法不影响收听效果。
为了改善音频信号特性,进一步扩大动态范围,欣赏Hi—Fi音乐,声音信号解调器中还采用了CX噪声校正电路。它与磁带录音机中杠比降噪系统不同,CX噪声校正系统是对整个音频范围都具有降噪效果。电视唱机中由控制电路进行噪声校正的控制。(蔡瑞书)