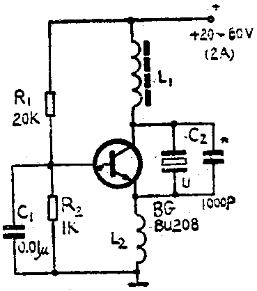
图中L\(_{1}\)为振荡线圈,用1mm漆包线在15mm的高频材料骨架上平绕40圈,骨架内有φ10×25的中频磁芯。L2为高频阻流圈,用0.5mm漆包线在10mm骨架上平绕20圈。U为压电晶片,谐振频率为1.7MHz。电源最好为20~60V连续可调,以便改变输出功率;同时应有40W以上的功率储备。调试时,在水槽中放适量水,通电后,缓缓调整L\(_{1}\)磁芯,使振荡频率处于1.7MHz附近,此时BG的集电极应有80~120V波形规则的正弦振荡电压,同时激出的水柱带雾量最大。(孙行船)

图中L\(_{1}\)为振荡线圈,用1mm漆包线在15mm的高频材料骨架上平绕40圈,骨架内有φ10×25的中频磁芯。L2为高频阻流圈,用0.5mm漆包线在10mm骨架上平绕20圈。U为压电晶片,谐振频率为1.7MHz。电源最好为20~60V连续可调,以便改变输出功率;同时应有40W以上的功率储备。调试时,在水槽中放适量水,通电后,缓缓调整L\(_{1}\)磁芯,使振荡频率处于1.7MHz附近,此时BG的集电极应有80~120V波形规则的正弦振荡电压,同时激出的水柱带雾量最大。(孙行船)
