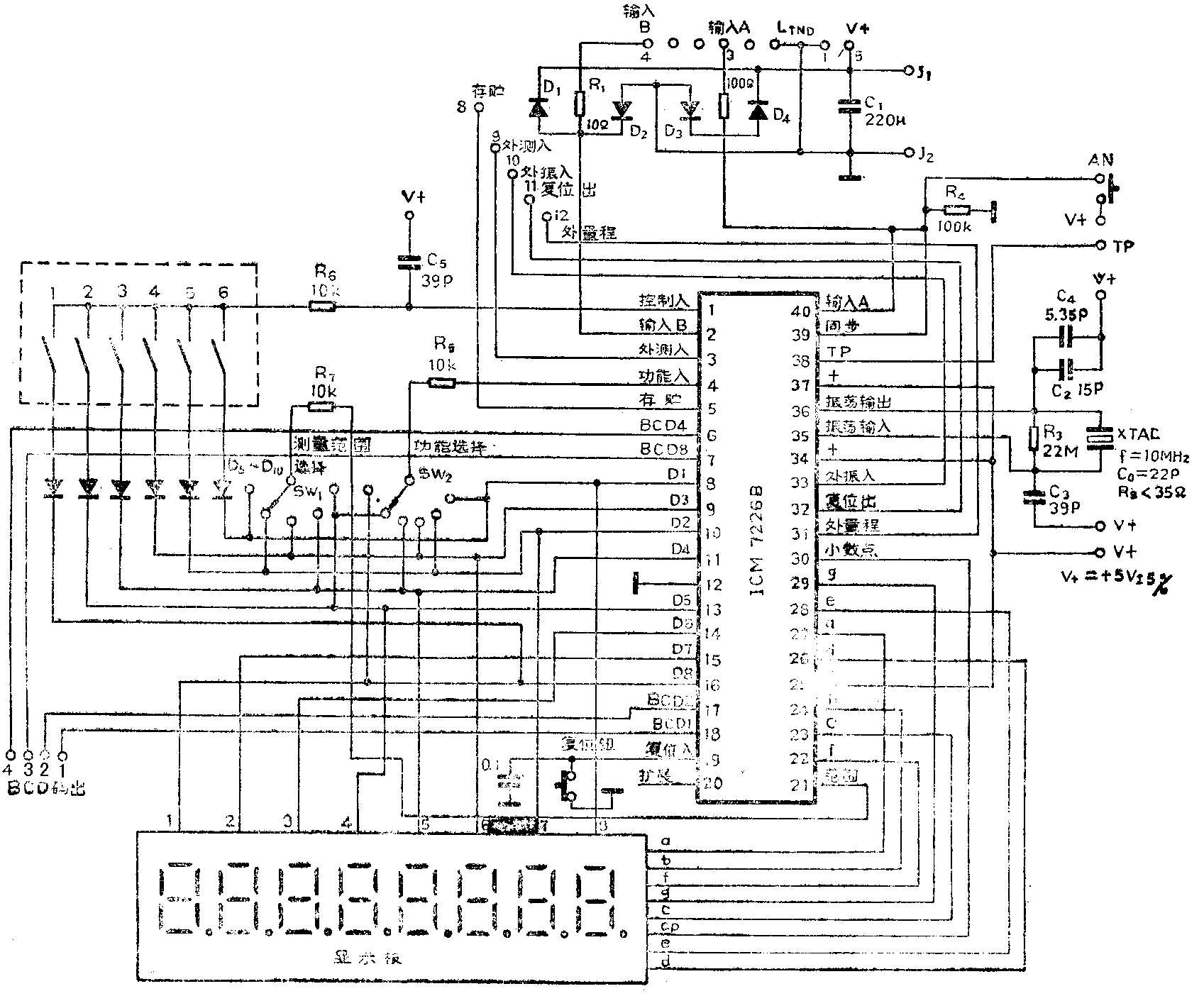
随着大规模集成电路LSI技术的发展,为测量仪表的集成化提供了方便。ICM7226B就是一大规模通用频率计集成电路,它外接元件少功耗低,功能齐全,可用来测频率、周期、频率比、时间间隔等,最大计测频率达10MHz。河北省承德市普乐电器公司以ICM7226B为主体加上少最电子器件组装在一块14×65cm\(^{2}\)印制板上构成了PL7226B通用计数器系统,如图2所示。下面简单介绍一下该系统的性能与使用注意事项等内容,有关ICM7226B芯片的详细参数等我们以后再做介绍。

一、系统的主要特性:①采样时间有0.01秒、0.1秒、1秒、10秒四档。②由10MHz石英晶体提供时基信号。③8位0.3英寸高LDE数字显示。④双面印刷线路板且设有用户开发区。
二、系统的检查与使用:①旋转范围开关至0.01秒位置。②旋转功能开关至振荡频率(OSC)位置。③将1号拨动开关至ON位而其余至OFF位置。④引入至少有300mA容量的+5V电源至端子J\(_{1}\)和J2之间。⑤通电后显示八位数字“8”。若出现超过300mA的供电电流或显示错误应断电排除故障。⑥将1号开关拨至OFF位,显示应变为9999.9或10.000.0。
以上介绍的PL7226B通用计数器系统,普乐公司有成品、散件和主要元器件供应,同时配有详细使用说明。成品邮购价365元,散件330元,ICM7226B每片165元,共阴LED数码管3元。地址:承德市旅游路喇嘛寺,帐号:承德市中行007007,电话:2956,电挂:2867。(陈庚芬)