问:一台金凤18英寸彩电,57V供电部分的二极管D\(_{8}\)04(RU2)及保险电阻R805(12W10Ω)损坏,请问用何种型号的国产元件或其它代用品代替?
答:二极管D\(_{8}\)04在该电路中作高频整流用,由于开关变压器的工作频率为15625赫,且57V供电绕组电压的峰值较高,因此该管应选用高频高压整流二极管。原D804采用RU2硅高频二极管,其最高反向峰压为600V,平均整流电流为1A。因此,我们可选用国产二极管2CZ20D代替之,它适合频率为50千赫以下的整流电路,参数刚好与RU2相同,即600V1A。如选用2CZ20E~2CZ20G就更好了,因为耐压更高。考虑到电路的实际情况,也可用2CZ19C~ZCZ19F代替,其参数为600~1200V、0.5A。
当然也可用和RU2特性相近的其它进口元件来代替,如:HF1A~HF1C(600~1000V、600mA),V0~9G(600V、800mA)等均可。
保险电阻是彩电专用元件,正常工作时,它同一般的电阻,一旦过流时则和保险熔丝一样,在短时间内就烧断,从而保护电路其它元件不被烧坏,因此它不能用普通的电阻代替。应急修理时,可用75%数值的熔丝串原阻值的电阻代替,保险熔丝的取值可按公式:
I=0.75P\(\frac{\sqrt{P}}{R}\)来计算。
式中:P为原电阻的耗散功率(W),R为原电阻的阻值(Ω)。
如R\(_{8}\)05是12W10Ω的保险电阻,则选用保险丝的额定电流为:
I=0.75\(\sqrt{.}\)510=0.17A
即可选用0.2A的保险丝串一只12W10Ω电阻来代替原R\(_{8}\)05电阻。(李蒙)
问:我地有一批我国台湾省产的彩电,现有部分机子中的下列集成电路损坏需调整,它们是:56A138—1、56A247—1和IX0037CE。但是长期购不到同型号集成电路,也查不到有关的特性参数及代换资料,望贵刊帮助提供可代换它们的集成电路型号。
答:56A138—1是图象中频和伴音系统集成电路,它与日本东芝公司的TA7680AP及我国的D7680AP(无锡微电子联合公司产)属同类品,它们均可直接互换。56A247—1是视频、色度信号处理及扫描系统集成电路,它的功能、主要性能及引脚排序等均与国产D7698AP(产地同上)和日本东芝的TA7698AP相同,这三种器件都能直接互换。IX0037CE是日本夏普公司产的电子调谐器专用稳压集成电路,其稳定电压典型值为33V,最大工作电流为10mA,温度系数极小,为-1~+1mV/℃(典型值0mV/℃)。国产SW574J(上无七厂)、 XG574J(四川新光电工厂)、 TB574J(天津半导体器件厂)及国外的μPC574J、AN156、HZT33等型集成电路均可直接代换IX0037CE。(申薇)
问:标有1-439-363—115K25的彩电高压包能否用标有1-439-363-117N15的高压包代换?这类日产零件在代换时应注意哪些问题?
答:标有1-439-363-115K25与标有1—439-363-117K15的高压包是日本产彩电KV—1882CH和KU-2092CH等机型上采用的,它们可以互换使用。日本生产的元器件,为便于用计算机管理,除元器件本身型号之外,还用一组8~9位的数码来表示。我们把这一组数码叫做“零件号码”。一个零件号码只对应一种型号的元器件。用户在购买零件时,要先知道零件号码(可在维修手册中查到),只要零件号码相同的零件就可直接代换。上述两种高压包,它们的零件号码均为1-439-363-11,用此,可以互换。而零件号码后面的5K25与7K15等属于工厂制造时,用来区别前一批产品与后一批产品的标记,与零件本身性能无关,可不必考虑。(杨保安)
问:一台黄山牌12英寸电视机,画面上有几条活动的黑白点组成的线条,场不稳有抖动现象。请问怎样解决?
答:根据上述现象可判断为是高压部分打火电晕所致。这种故障发生时,一般高压包和高压嘴都没有打火的痕迹,因而很容易造成错误的判断。该机是早期产品,硅柱大都是人工装配的,在生产过程中硅粒难免被污染,并且封装也不一定严实,因此,时间一长,很容易发生电晕。发生该故障,更换新硅柱,故障即可排除。(曹飞宝)
问:一台金星C37—4O1型14英寸彩电,出现无光无声故障,在关机时出现啸叫,啸叫声从大到小,并且延续数秒钟后才消失,再开机关机仍重复上述现象,不知何缘故?应如何解决?
答:这种现象一般来说是开关电源正常,行输出电路有短路现象。关机出现啸叫声,不是从扬声器内发出的,而是因阻尼二极管D\(_{7}\)02击穿造成的,D702的型号是GH-3S,反向耐压V\(_{RRM}\)=1100V,平均整流电流I0=1.6A,若找不到原备件,可用国产2SN6N(上无十七厂生产)、BZ2H、BZ2I BE3I(陕西商县八十七厂生产)和市面上常见的进口玻璃化硅整流二极管(选用2A1000V以上的)直接代换。(陈克军)
问:我有一台港产丰采9922型双卡收录机,在按了B卡放音键的瞬间有声,随即就无声,但磁带运行正常。有时用改锥伸进调磁头孔内,轻轻将磁头架向上拨动,放音便会恢复正常,但不稳定,故障常常复发。这是什么缘故?
答:造成这种故障一般有两种可能,一是与B卡放音键联动的机内转换开关接触不良,另一是录放磁头的引线时断时通。当按下放音键时,开关或磁头的接触可能在按键冲击力的作用下保持良好,使放音瞬间正常一下。随着冲击力的消失,开关或磁头的接触便断了,因而造成无声。若用改锥拨动磁头架,可能使原先时通时断的临界接触保持一段时间的稳定接触,但没有根本解决问题。检修此种故障时,只要先查一下磁头上的引线是否脱焊或断裂。若是,重新焊牢便可;若不是,则说明转换开关接触不良,一般用无水酒精清洗一下就可解决问题。(申沅)
问:一台漓江TR—853型立体声收录机,使用半年后电子稳速电路部分晶体管损坏,用有关国产管代换,工作正常。但使用一段时间后发现,无论是放磁带还是收音,扬声器里都出现鼓点声或“2声,仔细分辨L声道大,R声道小,请问如何检修该故障?
答:从来信所述,首先应分清电子稳速电路晶体管损坏是不会影响到收音的。从所述现象看收音、放磁带左声道均有“2杂声,估计是左声道低放公用通道出现故障。常见为左声道里有关晶体管或集成块损坏,或有关防自激反馈电容器脱焊或失效所致。具体判别故障部位,可用一个10微法电解电容器一端接地另一端分别接到左声道低放公用通道各级输入端和输出端(即所谓交流短路法),其短接顺序为:从前级到后级,逐级短接,当短接到某一级输出端时“2声消失,故障即在该级。然后对有关元件逐一检查,故障是能排除的。特别应指出的是:录音机的功能开关和录放开关有关刀位接触不良也会造成这种“2自激声。(彭贤礼)
问:一部凯歌牌4B20型调频调幅立体声汽车收放机,收音正常,放音只有轻微沙沙声。经查放音时电机不转,放音磁头位移受阻不能贴近磁带。不知何因?怎样修理?
答:从故障现象看,一是放音时电机供电未加上,毛病出在收放供电转换微动开关上。二是机械部分毛病,放音位,磁头滑动锁键未松开所致。
若微动开关内部触头经测量未损坏。说明是由于簧片疲劳,未能达到断“收”接“放”的目的;可以适度放松一下乌头板控制微动开关的压力拉簧即可。
放音磁头位移受阻,可以检查一下放音仓盒落下后,若因凸头磨损缩短顶不开滑动锁键的话,只有设法换新。但是相当一部分机子是因为放音仓盒起落固定螺钉磨损松脱,使仓盒起落不灵或变位,导致凸头顶不开滑动锁键;此时可以利用加垫片或小心更换固定螺钉的办法解决。(刘正成)
问:一台L601型录音机,最近经常出现刚开机时工很正常,运转一小时后便不走带了。一小时后再开机故障现象又重新出现,检查电路及机械部分均无故障。这是什么原因?
答:这种故障主要是飞轮轴与飞轮配合不紧密松动引起的,一般不易觉察,但是录音机运转一段时间后,仔细观察可以发现:机内温度升高时,电动机、飞轮都仍在转动,飞轮轴却不转动。这是因为飞轮是热膨胀系数较大的合金铸件,飞轮轴是热膨胀系数较小的钢件,如果飞轮与轴原来配合不太紧密,但尚可工作。一旦温度升高,飞轮受热膨胀较快,便产生松动现象。当关机一段时间机内温度下降后,飞轮收缩较大,且能卡紧在轴上,录音机便能正常工作,但工作一段时间后,温度升高到一定程度,轴又不转动了,所以磁带便停止前进。检修时可将飞轮从机器上拆下来,用木锤或木块将轴砸紧就行了,如果松动太大,可将轴从飞轮中拨出来,用钢冲在飞轮轴与飞轮配合处,冲一些轴向槽纹,然后将飞轮加温(轴不加温),趁热将轴压入飞轮内,这样装入机器故障便可排除。当然能换一套新飞轮组件就更好了。(梁怀斌)
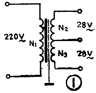
问:一台50W×2立体声扩音板,需用附图所示的电源变压器。已购120VA(32×42)电源变压器铁芯一副。请问:如何用它绕制变压器?

答:根据所提供的变压器铁芯规格为E型芯片。舌宽(中心片)为32毫米,迭厚42毫米,则铁芯截面积S=4.2×3.2=13.44厘米\(^{2}\),这时可用简化公式N=55/S,求出每伏匝数为N=4.1匝/伏,从而可求出初级绕组匝数为N\(_{1}\)=220×4.1=902匝,次级绕组匝数为N1+N\(_{2}\)=28×2×4.1=230匝。初级绕组可选用Q型漆包线,其外径为0.51mm,次级绕组应选用Q型漆包线其外径为1.08mm。
为了使次级N\(_{2}\)、N3两个绕组的电压相等、两组线圈的内阻值相等,因此绕制时采用双线并绕,当需要28伏电压时,二绕组应并连:即头与头,尾与尾相接如图(2)。当需要2×28V电压时,两个绕组应串连:即N\(_{2}\)绕组的尾与N3绕组的头相接。另外,为了防止出现交流声,应在电源变压器初、次级间加静电屏蔽层。(陈怀斌)
