现在,许多音响设备上装有频谱显示器,这种装置为设备增色不少,令人耳目一新。现介绍一种很新颖的频谱显示电路。本电路一改传统的条形发光电平显示,代之以点电平显示,使表示音乐各频段电平的光点连成一条不停地跳动着的曲线。这条曲线即使在音乐电平全为0时也不会中断,而是停在显示器的最下方,一但随着音乐跳起来的时候,最下方亮起一串绿色灯,这做为座标横轴,使显示器更加直观,色彩更加鲜明。
本电路使用了行、列发光二极管矩阵驱动电路,同一瞬间只点燃1或2只发光二极管,再加上大量使用CMOS器件,使本电路非常省电,总电流在30mA以下。电源电压使用范围很宽,5~18V均可正常工作,但低压时亮度差些。本电路和使用十组或八组驱动器直接驱动的显示器相比,造价也有所下降。参考后面的变通资料,要想改变发光矩阵点数非常容易。所以本电路具有其它电路所不具备的优越性,颇有实用价值。
电路工作原理
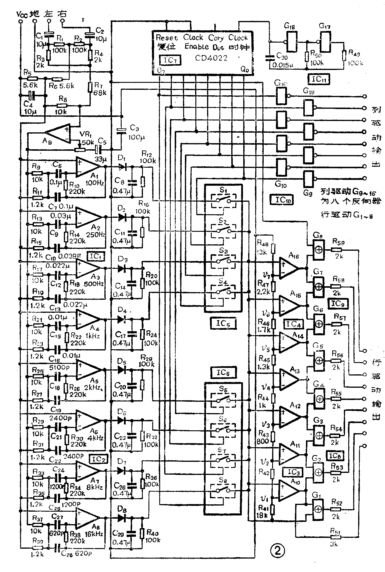
请参看电路框图(图1)和电路图(图2、3)。立体声信号在R\(_{3}\)、R4处混合,进入运算放大器A\(_{9}\)放大。VR可以调整A9的增益。



\(_{9}\)放大的混合信号直接进入由A1\(_{8}\)八个运放组成的通带滤波器,得到了100,250,500,1K,2K,4K,8K,16K(Hz)等8个频段的音频信号。带通滤波器由运放组成,见图4,其中心频率可用下式计算:
f(Hz)=\(\frac{1}{2π(}\)C\(_{a}\)+Cb;2)\(\frac{\sqrt{1}}{R}\)\(_{c}\)(1;Ra+\(\frac{1}{R}\)\(_{b}\))

这样,读者可用这个公式,按自己的兴趣计算阻容值,安排中心频率。
运算放大器A\(_{1}\)8输出的是中点电压为1/2电源电压(1/2V\(_{CC}\))的脉动直流信号。为了便于后面电压比较器的工作,将这个脉动直流信号进行整流和滤波(时间常数τ=1.1 RC=1.1×0.47×10\(^{-6}\)×100×103≈0.05秒),就得到了各频段的直流电平信号,是A1\(_{8}\)输出的峰值信号,其变化幅度为(1/2VCC—0.7V)至(V\(_{CC}\)—1V)。直流电平信号的变化幅度对后面比较器的参考阀值的设计产生相当大的影响。
八个频段电平直流信号送入了八选一选通开关,从八个频段电平直流信号中选出一个送到比较器中。八选一选通开关的开关元件是由CMOS电路CD4066中的双向开关担任,当它的控制端接高电平时,开关接通,相当一个200欧左右的电阻,可以通过V\(_{DD}\)~VSS之间的音频信号;当其控制端接低电平时,开关开路。两块CD4066中一共有八个这样的开关(S\(_{1~8}\)),它们受八进制计数器CD4022控制。当CD4022的时钟端输入端输入一定周期的脉冲,则它的八个输出端将按顺序依次出现高电平。其复位状态是第一个输出脚Q0为高电平,其工作状态如图6所示。Q\(_{0}\)~Q7这八个脚依次出现高电平。这些高电平分别加至CD4066的控制端,使八个开关轮流开通。脉冲为300Hz。

同时,Q\(_{0}\)~Q7输出的高电平也加到八个反相驱动器(G\(_{9}\)~G16)上,使八个反相器依次出现低电平,构成列驱动信号,加到图3的LED矩阵。
为了讨论方便,假设八选一选通开关送出的是500Hz的电平直流信号。即CD4066的Q\(_{2}\)为高电平,八选一开关S3开通,列驱动G\(_{11}\)为低电平。
500Hz的电平直流信号送入由七个运放A\(_{1}\)016组成的电压比较器,即同时送入七个运放的正输入端。A\(_{1}\)016的负输入端则接入由八个电阻R\(_{41}\)~R48组成的分压式阀值设定网络。阀值的设定可以根据个人的喜好选择,例如装成直线式、对数式,甚至指数式。应注意的是:各个分压点应分布在(\(\frac{1}{2}\)V\(_{CC}\)—0.7V)~(3;2VCC)之间。按图2所示的R\(_{41}\)~R48的值为最合人的听觉习惯的对数式。假设500Hz电平直流信号的电位在v\(_{4}\)、v5之间,这样,A\(_{1}\)013输出均为高电平,A\(_{14}\)16输出为低电平。A\(_{1}\)016输出的电平加到行驱动器上,以驱动表示500Hz的发光二极管显示其电平高度。
行驱动器由G\(_{1}\)~G8的八个异或门组成,异或门的两个输入端电平相异时输出高电平,输入电平相同时输出为低电平。所以G\(_{1}\)~G4的输入端均为高电平,输出为低电平;G\(_{6}\)~G8的输入端均为低电平,输出亦为低电平;只有G\(_{5}\)的与A13相连的输入端为高电平,与A\(_{14}\)相连的输入端为低电平,所以输出高电平。
现在请看图3的发光管矩阵。列输入500Hz线为低电平,行输入第五条红线(接G5输出)为高电平,行输入水平座标绿线(接A\(_{1}\)0输出)亦为高电平,其余行输入均为低电平。所以LED21发红光,LED\(_{17}\)发绿光。其余管均不发光。图2中电阻R51~59是发光管限流电阻,图中所给数值欲改动应十分慎重,防止因过载而损坏CMOS电路。
如果500Hz电平低于v\(_{1}\),本电路不是象常规电平表那样一个发光管也不亮,而是点亮最下面一个发光管,即LED17发红光。
当时钟给出下一个脉冲时,计数器进位,Q\(_{3}\)为高电平;列驱动器G12输出低电平;八选一选通开关S\(_{4}\)开通;频谱显示器显示1kHz的电平高度。这样频谱显示器在各列发光管上显示各频段的电平,当转换速度很高时,人眼睛看上去并无闪动,而成为一条连续的曲线。
安装与调整
主机的各元件全装在一块线路板上,用一个八脚和一个九脚插件与发光管板相连。由此可见本电路在音响整机如音乐中心等上的安装是非常方便的。
在整机电路中,本电路应安排在图形均衡器和音量调节之间。
可调元件只有放大器增益调整用的VR\(_{1}\),这个元件调整时不能调得太靠近与C3连结的一端,以免引起自激。调好后可用阻值相近的固定电阻取代VR\(_{1}\)。如果输入本电路的左右声道叠加信号足够强,可以将A9输出端和负输入端短接,同时将VR\(_{1}\)和C3拆除。
由于器件制造厂家不同带来的差异,通过二极管整流的电平下降不一定正好是0.7V,运放特性也不尽相同,以及双向开关的压降不一定相同,以致于比较器工作可能不正常,那么只要对R\(_{4l}\)进行很小的调整就能解决。
本电路的变通应用
1、功能变通:可将发光管换成电灯泡,驱动器改用可控硅。电源要交流电,灯泡要中上二极管才能正常工作。
可将比较器A\(_{1}\)016直接接至行驱动总线上,便成了条形发光表组成的频谱显示器。如果使用图12的电路,对图2中相应部分进行改动,可方便地进行点/条发光的显示方式转换。但应注意这时列驱动器的电流负载能力,应用两块CD4049并在原来的IC\(_{1}\)0、11上,以扩大一倍负载能力。如果改用8只3DG12三极管来代替原来的IC10、11则又可大大降低成本。在条发光显示时,最下一行发光管LED\(_{1、9、……57}\)发橙色光。此时限流电阻R51、53~59应减小一点。

2、形式变通:即改变阵点数目。若要扩大其列数为十列,IC\(_{7}\)应改用CD4017,列驱动器增为十个反相器。
若要减少其列数为七列,将IC\(_{7}\)(CD4022)的复位端(脚15)不再接地,而改接它的第八输出脚Q7(脚10)。若要减少为五列,将IC\(_{7}\)的15脚短接其4脚即可。驱动器的反相器相应减少。
若要改变本电路发光管行数也是十分容易的,本处不再多讲。
若要改变其比较器的分压形式(推荐为对数式),讲参照前面说明,本处亦不多讲。本电路对所有的电阻、电容器无特殊要求。
IC\(_{1~4}\)为四通用运算放大器LM324,如图7所示。IC5、6为四双向模拟开关电路CD4066,如图8所示。IC\(_{7}\)为八进制计数器CD4022,如图5所示。IC8、9为四异或门CD4070,如图9所示。IC\(_{1}\)0、11为六反相缓冲器CD4049,如图10所示。


变通时所用电路为两块四与门CD4011,如图11所示,以及十进制计数器CD4017。其它还有两块和IC\(_{1}\)0、11一样的CD4049。(乜云峰)
