目前,国内家用录象机大多数为大1/2英寸机型,也有一些小1/2英寸机型,它们都没有后配音功能,给使用者带来极大不便。若具备后配音功能,则单机就可以进行配音。如放映外文原版资料片或节目片,可以在原版上直接进行翻译配音。对摄制完的节目,通过剪辑就可以在剪辑好的原带上直接进行配音合成,否则必须用双机复制配音,这样可大大地提高录象片的色度和清晰度,录象机就成为简单的编辑机了,这样不但给录象机增加了后配音功能,而且给使用者也带来了方便。为此,笔者经过多次试验,对NV——450/250型等机进行改装,使用效果良好。下边对机器的改装过程作一些介绍:
1.音频电路简介:为了增加后配音功能,首先对录象机的音频电路有关部分作些简单介绍,以便弄清改装的原理。附图示出NV——450/250型机的音频电路。

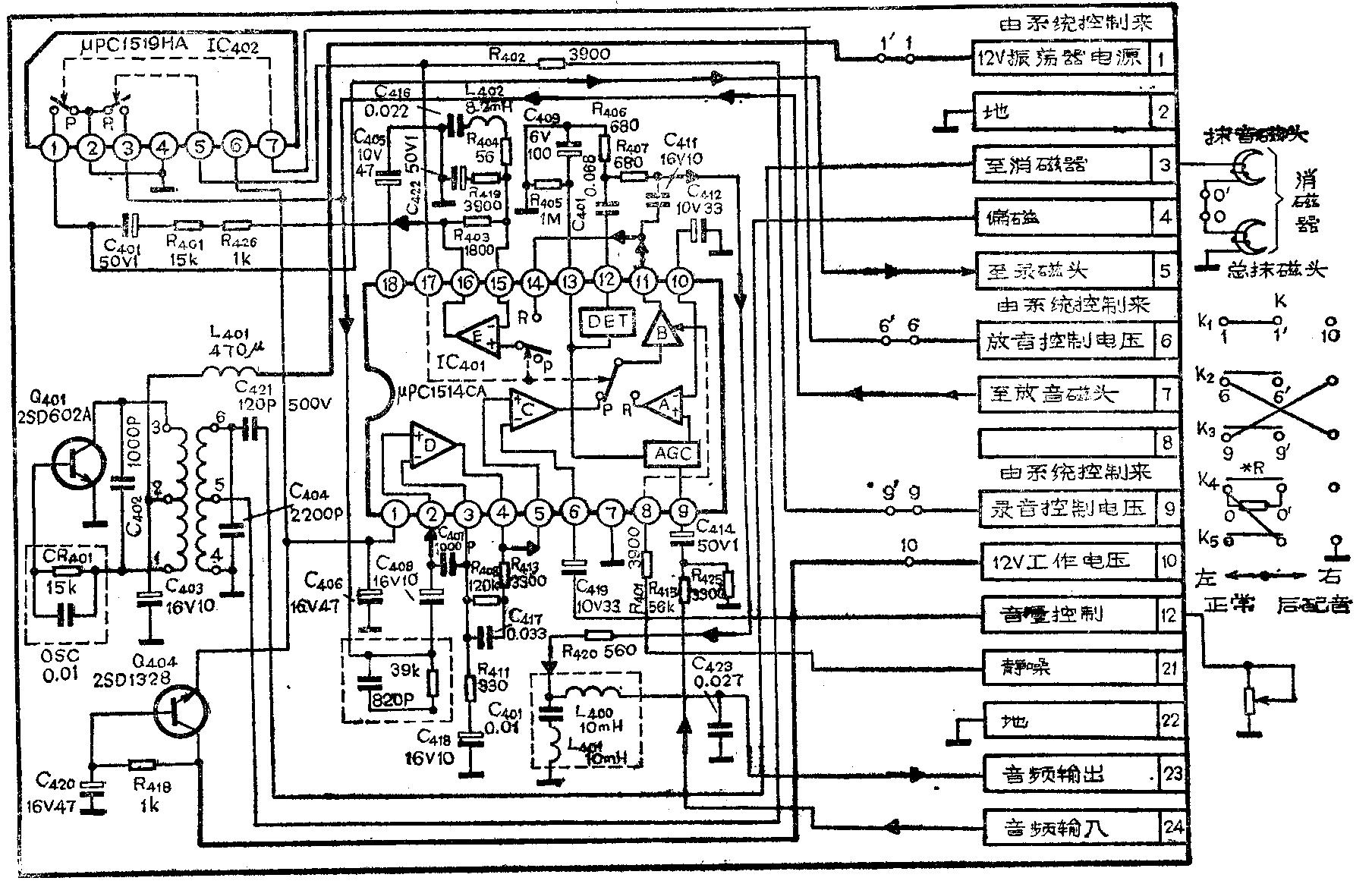
由集成块IC\(_{4}\)01(μPC1514CA)及外围电路组成录放音频信号处理电路。在记录状态时,被记录的音频信号由9脚输入,经过自动增益控制和A放大器放大后,加到录放选择开关的R端,(本图在重放位置,P端为放音状态,R端为记录状态。)再经过公用放大器B由11脚输出。输出信号分三路:一路经过C411、R\(_{42}\)0和由C400、L\(_{4}\)00、L401(虚线方框内元件)及C\(_{423}\)组成的滤波器后送给音频输出系统,使对所记录的音频信号随时监听;另一路经C411、R\(_{4}\)07和C410由12脚输入,经过DET电路再加到自动增益AGC电路,实现自动音量控制;第三路直接由14脚输入。经选择开关加到均衡放大器E上,15脚和16脚之间外接元件是频率均衡网路。由16脚输出经过补偿的音频信号再经R\(_{426}\)、R401、C\(_{4}\)01与Q401高频振荡器产生的交流偏磁信号一起加到音频记录磁头上。由16脚输出的信号同时加到音频信号控制集成块IC\(_{4}\)02(μPC1519HA)的1脚。
在重放状态时,由音频放音磁头拾取下来的音频信号加到集成块IC\(_{4}\)02的3脚和IC401的2脚。加到IC\(_{4}\)01的2脚的重放信号,送入重放放大器D进行放大,并进行低频提升频率校正,接在3、4脚之间的元件为校正网路。校正以后的重放音频信号由4脚输出又从5脚输入到放大器C进行放大。在6脚接有音量控制电位器。放大后通过录放选择开关P端,由公用放大器B再进行放大。经放大的音频信号由11脚输出,这与在记录时一样被送到输出和监听系统。
集成块IC\(_{4}\)02组成音频信号控制电路。由上述可知记录时音频信号从1脚输入,而重放时音频信号从3脚输入,分别接到录放控制开关的接点P和R上,第2脚是零电位(接地)。开关控制电压从5、7脚输入。高电位时开关动作接点合上;低电位时开关断开。例如:重放时,由系统来的放音控制电压使7脚为高电位(4.8V),由系统来的录音控制电压使5脚为低电位(0V),重放开关P合上,记录开关R断开,则第1脚为零电位,重放信号可由放音磁头加到IC401的第2脚,这时整个系统处于重放状态;记录时第5脚为高电位(4.8V),第7脚为低电位(0V),记录开关R合上,重放开关P断开,第3脚为零电位,这时,来自IC\(_{4}\)01第16脚的音频信号和来自交流振荡器的偏磁信号一同加到录音磁头上,机器处于记录状态。
交流消磁信号和偏磁信号由同一个振荡器产生,即由Q\(_{4}\)01和变压器T401及其它元件组成的。变压器次级第5抽头输出信号直接加到消磁器上;第6抽头输出信号经C\(_{421}\)去录音磁头作偏磁信号。消磁器由抹音磁头与总抹磁头串联而成。
12V电源分两路供给:一路通过由Q\(_{4}\)04构成的电子滤波器后,分别加到IC402的第6脚和IC\(_{4}\)01的第1脚,另一路由控制系统来,加到振荡器上,重放时不供电,记录时供电。
2.加装后配音功能:录象机在正常工作时,录象与录音、放象与放音是同步进行的,这是由控制系统控制。加装后配音功能就是解决在重放时进行录音(即音频电路处于记录状态)。为了不使其它系统电路受到影响,只从音频电路进行改装。
电路图右边的开关K为改装时增加的六刀双掷开关,向左边搬为正常,向右边搬为后配音。其中K\(_{1}\)为电源开关,将电路中的两点1和1′之间断开,与K1的对应接点1和1′用导线连接,再将电路中点10与K\(_{1}\)的接点10连接。当K1掷向右边时接通12V电源,振荡器工作,使音频部分处于记录状态。
从上分析得知IC\(_{4}\)02的5和7脚高低电位的变换,便控制1和3脚录放开关的通断。将电路中的点6′、6和点9′、9之间断开,分别接到K2、K\(_{3}\)的对应接点6′、6及接点9′、9上,K2、K\(_{3}\)两组开关的左右接点互相交叉连接。这样由控制电路来的录放音控制电压交叉供给。当K2和K\(_{3}\)掷向左边时6、6′及9、9′接通,电路恢复正常工作。即电路处于声象重放状态。当K2、K\(_{3}\)掷向右边,因录象机仍处于重放状态,录放音控制电压没有变。这时系统来的录音控制电压加到IC402的7脚为低电位(0V),使重放开关P断开;系统来的放音控制电压加到5脚为高电位(4.8V),记录开关R点接通,第3脚为零电位接地,电路处于音频记录状态。由于IC\(_{4}\)01的17脚与IC402的5脚直接连接,由以上分析得知K\(_{2}\)和K3掷向右边时,则IC\(_{4}\)01的17脚也为高电位(4.8V),IC401内部录放开关动作,R点连接,P点断开,集成块IC\(_{4}\)01也处于音频信号记录状态。需要记录的音频信号从录象机后边的输入口输入,便可进行后配音。
消磁器是由抹音磁头和总抹磁头串接而成,在进行后配音时,必须将总抹磁头断开,否则就会将图象抹掉。按图将消磁器的点O′和O之间断开,用双芯隔离线与开关K\(_{4}\)、K5对应接点O′与O接好。当K\(_{4}\)和K5掷向右边时,抹音磁头的O′点通过R与地相通,总抹磁头的O点断开,总抹磁头此时不工作。
总抹磁头圈数约50匝,阻抗为200~300欧,消磁电流为80mA左右,总抹磁头和抹音磁头是串联的,此时必须用一个假负载代替总抹磁头才能使电路正常工作,这里用一个1K可调电阻(图中的※R)代替。在改装前使机器处于记录状态,先用高内阻万用表或数字万用表的交流电压档测量一下抹音磁头的电压,改装后边调K\(_{4}\)上的※R,边测量抹音磁头电压使之与原电压尽量接近,同时反复录音抹音,与正常时比较,两者都达到最佳状态,这时再将可调电阻换成固定电阻即可。有条件也可用示波器观察开关K搬到左边和右边时抹音磁头上的幅度大致相等。
整机改好后,装带入机按下重放键,在需要后配音的地方按暂停键,然后将新安装的六刀双掷开关搬向后配音一方,把需配音的音频信号从音频输入口输入,再按一下暂停键恢复放象,便可进行后配音。配音工作完毕,必须将后配音开关及时搬回正常位置。(陈振华)