激光电视唱片以一个个小凸起存储信息,这些小凸起从里圈到外圈排列成螺旋形,为了准确无误地拾取信息,必须实现:①激光束聚焦后的焦点(焦深约为3μm)始终落在唱片的反射面上。②激光点始终跟踪螺旋形信息轨迹。③唱片的转速符合要求。
为此,除对激光电视唱机的机械结构、光学扫描系统以及唱片的制造等提出一定要求外,在伺服机构及电路上采用了三维高精度伺服系统,即聚焦伺服、经向跟踪伺服及时基伺服(或切向跟踪伺服)。
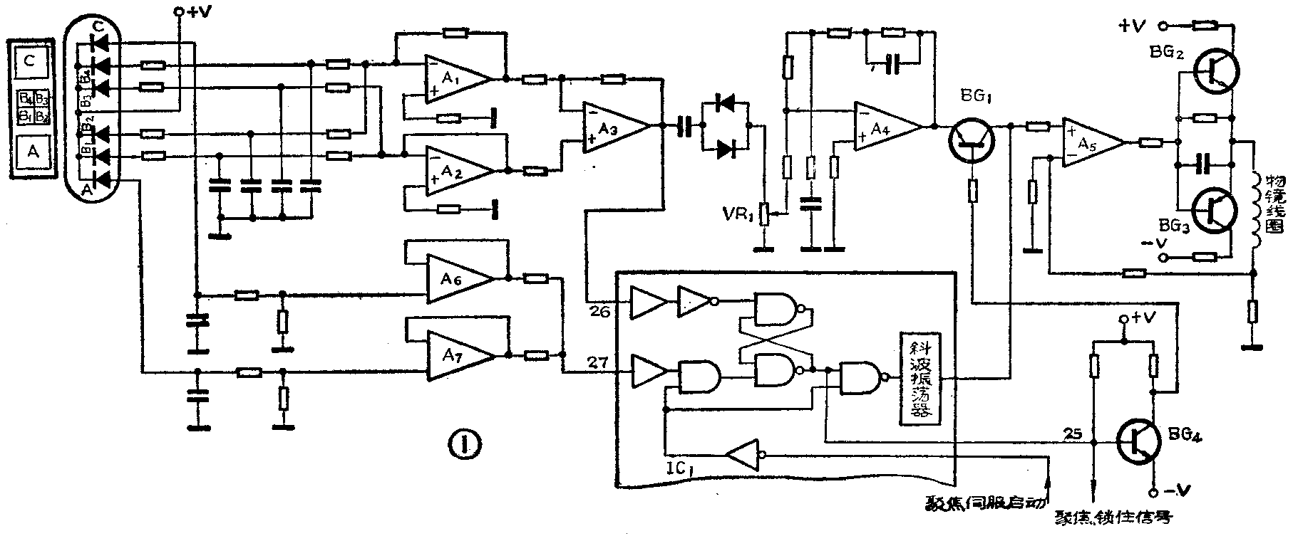
1.聚焦伺服系统:激光电视唱机(在放象)时,光学扫描系统要把激光束聚成小于1.5μm的光点照射在唱片上,光点焦深仅为2μm,唱片和物镜之间的距离误差不能大于焦深。因为唱片上信息轨迹间距仅为1.67μm,当唱片和物镜之间的误差超过2μm,则落在唱片信息面上的光斑就会明显变大而同时照在几条轨迹上,从而无法检测信息。要保证唱片和物镜之间的相对距离误差小于2μm,单纯用机械方法很难实现,因为主轴马达(带动唱片旋转)不可能没有抖晃,外径为20或30cm的压塑唱片也不可能做得绝对平整。根据实测,激光电视唱片旋转时最大要产生约1mm的上下抖动。为此,激光电视唱机中采用聚焦伺服系统,以便调节光学扫描系统中物镜上下位置,保证物镜的焦点跟踪信息面。
图1是聚焦伺服工作原理图。放象时物镜和唱片之间距离发生的偏差,被光学扫描系统立即检出,由光电探测器中间四个光敏二极管(B\(_{1}\)2\(_{3}\)4)产生聚焦误差电流。光敏二极管B\(_{1}\)3光电流加在运算放大器A\(_{2}\)的负端,B2\(_{4}\)光电流加在运算放大器A1的负端。A\(_{1}\)2的输出分别作为运算放大器A\(_{3}\)的正负端输入,以进行减法运算,从而产生(IB1+I\(_{B3}\))-(IB2+I\(_{B4}\))聚焦误差信号。

运算放大器A\(_{3}\)输出的聚焦误差信号经可变电阻VR1、运算放大器A\(_{4}\)、三极管BG1、运算放大器A\(_{5}\),加到BG2和BG\(_{3}\)组成的功率放大器和物镜线圈,带动物镜上下移动,保证物镜的焦点始终跟踪唱片信息面。
图1中可变电阻VR\(_{1}\)用以调节聚焦增益,以使整个聚焦环路增益达到要求。运算放大器A4同反馈电阻、电容组成补偿放大器,实现符合要求的特性曲线。BG\(_{1}\)为聚焦伺服环路开关。正常放象时,BG1导通,聚焦伺服环路正常工作。
聚焦伺服电路除主环路之外,还有由A\(_{6}\)7、IC\(_{1}\)和BG4等组成的辅助电路,以供开机时启动物镜用,物镜安装示意图如图2所示。激光电视唱机不工作时,物镜线圈中无支撑物镜悬浮的电流,物镜处于最低位置。开始放象时,控制系统发出聚焦伺服启动命令,IC\(_{1}\)中斜坡振荡器振荡,其输出加到运算放大器A5,再由功率放大器加到物镜线圈,带动物镜上升。

一旦物镜上升到正确位置,即焦点正好落在信息面上时,唱片上的反射光到达光电探测器上。B\(_{1}\)4光敏二极管产生聚焦误差信号;A、C光敏二极管产生径向误差信号,这两个信号分别加到IC\(_{1}\)的26、27脚,使IC1的25脚由高电平变为低电平,BG\(_{4}\)截止,BG1导通,聚焦伺服环路接通。与此同时,斜坡振荡器停止振荡并向控制电路发出聚焦锁住信号,保证了聚焦伺服系统正常工作。
2.径向跟踪伺服系统:激光电视唱片虽然同密纹唱片一样,以螺旋形轨迹记录信息,但密纹唱片具有沟槽,播放时由沟槽保证唱针沿螺旋形轨迹移动。而激光电视唱机采用无机械接触的光拾取,必须采取一定措施,即采用径向跟踪伺服系统来保证激光束沿螺旋形轨迹移动。径向跟踪伺服系统包括滑板马达伺服和径向反光镜伺服两部分。
激光电视唱机播放的唱片有两种:一种为恒角速,即播放时唱片旋转的角速度必须不变;另一种为恒线速,即旋转的线速度必须恒定。对于恒角速唱片,激光扫描系统沿唱片径向移动的速度不变,约为2.5mm/分。对于恒线速唱片,由于外圈的周长比里圈长,播放里圈信息轨迹时,唱片转速要比外圈快3倍。因此,激光扫描系统在最里圈沿径向移动的速度是最外圈的3倍,并且为无级变速。
激光电视唱机具有随机检索功能,要在几秒钟内找到激光电视唱片上记录的任何一帧内容。因此,要求激光扫描系统能沿唱片径向快速移动。激光扫描系统装在可沿唱片半径方向移动的滑板上,如图3所示。由传动机构把滑板同滑板马达(即径向伺服马达)连在一起。由径向跟踪伺服电路给出滑板马达伺服信号加在滑板马达上,通过控制滑板马达的转速来控制激光扫描系统沿唱片半径方向移动的速度。

激光电视唱片由塑料压制而成后,两片背靠背粘在一起制成一张完整的唱片,即使采用精密机械,也会出现偏心。对于直径为30cm的塑料唱片,不同心度为100μm已经比较小了。另外,唱片成型时,塑料径向收缩不一致性,会产生不圆度,主轴马达也会抖晃。激光电视唱片信息轨迹间距仅为1.67μm,如果不及时修正激光束发射在唱片上的位置,激光束就会扫描到其它轨迹上去。唱片转速为25转/秒,使这种轨迹经向偏差为无规则瞬变,因而采用了惰性小、反应灵敏的径向反光镜伺服。由径向跟踪伺服电路给出径向跟踪伺服信号加在径向反光镜线圈上,带动径向反光镜对应径向伺服信号转动,使径向反光镜反射的激光束沿唱片半径方向快速摆动,以跟踪信息轨迹的无规则瞬变。
图4示出经向跟踪伺服电路:光学扫描系统中A、C光敏二极管产生径向跟踪伺服信号,分别加到运算放大器B\(_{1}\)2,再由运算放大器B\(_{3}\)进行减法运算。如果激光束对准信息轨迹,B3输出为零;如激光束偏向轨迹的里圈或外圈,则输出为正或负。

运算放大器B\(_{3}\)输出的径向跟踪伺服信号经可变电阻VR3、运算放大器B\(_{4}\)5、三极管BG\(_{5}\)、运算放大器B6组成的推动级和BG\(_{6}\)、BG7组成的功放级,到达径向反光镜线圈,从而使径向反光镜摆动。
可变电阻VR\(_{3}\)用于调整径向跟踪伺服增益,以使环路增益符合要求。运算放大器R5和反馈电阻、电容组成均衡放大器,以实现符合要求的径向跟踪伺服开环增益特性。三极管BG\(_{5}\)为径向跟踪伺服开关,用以接通或断开径向跟踪伺服环路。
径向跟踪伺服信号包含有交流成分和直流成分。交流成分是轨迹偏心等瞬变产生的,直流成分是激光束在整体上沿径向偏离螺旋形轨迹某一边而产生的。其中交流成分推动径向反光镜转动,直流成分由反馈电阻R\(_{1}\)取出,经运算放大器B7\(_{8}\)进一步放大,再由BG8、BG\(_{9}\)组成的功放级推动滑板马达转动,使光学扫描系统移动速度与扫描轨迹的径向变化速度相一致。运算放大器B7和反馈阻容组成均衡放大器保证滑板马达伺服稳定工作。
利用径向跟踪伺服实现特技播象:激光电视唱机采用无机械接触的光检测方式,很容易实现静止图象、慢放、快放等特技放象功能。实现这些特技放象的基本方法是在帧消隐期间激光束向里圈或者外圈跳过一条轨迹。特技放象时,控制电路根据需要发出跳跃脉冲,该脉冲由B点加到运算放大器B\(_{6}\)上,经BG6、BG\(_{7}\)和径向反光镜线圈,控制径向反光镜摆动,把激光束迅速移到另一条相邻轨迹上。在跳跃的瞬间,控制电路还发出径向跟踪伺服环路断开信号,由A点加到BG5的基极上使它截止,径向伺服信号不起作用,确保跳跃正常进行。
检索时,控制电路产生扫描信号,该信号由D点输入加到运算放大器B\(_{8}\),再由BG8、BG\(_{9}\)组成的功放级推动滑板电机快速旋转,以带动光学扫描系统迅速检索出所需要的内容。检索时,控制电路还产生滑板马达伺服断开信号,该信号由C点加到三极管BG10基极使它导通,把运算放大器B\(_{7}\)短路,以减小径向伺服信号对检索的影响。
3.时基伺服系统:为了控制唱片的转速,再现图像的鲜明色彩,激光电视唱机中还采用了时基伺服系统。时基伺服系统包括主轴马达伺服和切向反光镜伺服两部分。
如前所述,激光电视唱片有恒角速和恒线速两种。对于恒角速唱片,要求带动唱片旋转的主轴马达以恒定的速度旋转;对于恒线速唱片,为了保证扫描不同半径信息轨迹的线速度相等,从里圈向外圈播放时要求主轴马达进行无级减速。因而,激光电视唱机采用了主轴马达伺服,以控制主轴马达的转速符合要求。
由于轨迹存在着不同心、不圆度等因素,即使唱片转速符合要求,但各点轨迹线速度也会发生变化,信号时基也发生变化,如果偏心100μm,则最大时基误差约为10μs,对于NTSC信号,所允许的时基误差为5ns。因此,必须要有能把误差压缩到1/2000的切向反光镜伺服。
图5为时基伺服系统电路。时基伺服系统中有一基准信号发生器产生基准行频信号。主轴马达伺服信号由全电视信号(来自激光电视唱片)中分离的行同步信号与基准行频信号经鉴频、鉴相后产生。如果主轴马达转速比所要求的转速快或慢,全电视信号中分离出来的行同步信号的频率或相位就会与基准信号不同,鉴频鉴相器输出就会发生变化,这一变化作为主轴马达伺服误差信号,该信号经加法器、补偿放大器、主轴马达伺服环路开关、功率放大器,对主轴马达的转速和相位进行校正,使重放图像行同步信号和基准行频信号的频率和相位完全一致。

切向反光镜伺服信号由基准行频信号同经色同步信号校正的行同步信号鉴相产生。由色分离器分离出来的重放色同步信号经过限幅器限幅整形,再经倒相器倒相产生一个用色同步信号相位规定的时基前沿的行同步信号,这一行同步信号比未经校正的行同步信号更准确地代表了全电视信号的时基。该信号经帧消隐处理器加到鉴相器,同基准行频信号进行相位比较。如果色同步信号相位同基准信号相位二者有误差,则鉴相器的输出发生变化,即产生切向反光镜误差信号。该信号经过补偿放大器、切向反光镜伺服环路开关到达可变增益放大器和功率放大器,加到切向反光镜线圈上,推动切向反光镜沿唱片信息轨迹的切线方向摆动,使重放色同步信号相位同稳定的基准信号相位始终保持一致,保证了重放图像彩色不失真。
由于帧消隐期间没有色同步信号,帧消隐处理器在此期间进行补偿。切向反光镜伺服环路开关用于保证在主轴马达伺服不正常时,切断切向反光镜伺服环路,以保护切向反光镜。可变增益放大器用于补偿播放唱片里圈和外圈信息时切向反光镜伺服增益差。锁住检测器是用于在重放行同步信号与基准信号一致时,控制切向反光镜伺服环路开关接通,并向控制电路提供主轴马达伺服正常信息。加法器除对鉴频鉴相器输出信号放大外,还要将切向反光镜伺服中的直流成分一起放大,以补充控制主轴马达的转速。主轴马达伺服补偿放大器是为了保证伺服环路稳定可靠地工作。速度控制电路和F—V交换器,启动主轴马达并保证正常运转。(蔡瑞书)