EPROM可擦除只读存储器工作稳定可靠,抗干扰能力强,有着广泛用途。在APPLE-Ⅱ微机上只有2K ROM区供用户选用,专用的EPROM卡市场上也不多见,因此笔者设计了一种16K EPROM卡,经使用效果良好。
图1是APPLE-Ⅱ的存储空间分配图,从$D000~$FFFF12K ROM空间全被系统本身的BASIC解释程序和监控程序占用了,本EPROM卡如占用这部分存储空间势必会浪费软件资源,因此不宜占用这部分存储区。由图1我们很自然会想到本EPROM区占用APPLE-Ⅱ的RAM空间。

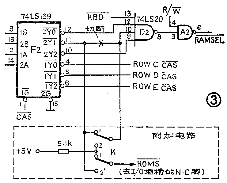
APPLE-Ⅱ微机的RAM地址译码是分区进行的,每个区为16K,三个区共48K。第一区$C000~$3FFF16K空间包括0页存储区、堆栈区、文字显示缓冲区等,这些存储空间大多为监控程序等系统程序频繁使用;$8000~$BFFF这16K空间的大部分空间($9600~$BFFF)又被磁盘操作系统DOS3.3占用,因此这两个区都不能占用;因此我们决定占用第二区$4000~$7FFF这16K中间区。图2中,EPROM为2732,存储为4K×8位,因此需4片2732组成16K EPROnM存储板。2732的CE-和OE-接起来作为片选端,哪一片被选中,由地址译码器74LS138(三—八译码器)决定。其输入信号是φ\(_{1}\)、R/W-和ROMS-,φ1和R/W是APPLE-Ⅱ的系统控制信号,ROMS-是我们从主机板RAM译码器中引出的,引出见图3。图3是苹果Ⅱ主机板上RAM地址译码电路的部分电路。图中74LS139为双二—四译码器,它的第一译码器作RAM的列地址译码;第二译码器是RAM/键盘转换器译码电路的一部分。当$4000~$7FFF这16K RAM被选中时,2Y-\(_{1}\)端产生选通脉冲(低电平,而2Y-0和2Y-\(_{2}\)则分别在其它两个区被选中时才产生选通脉冲)。因此我们选择2Y-1,通过开关K接到EPROM卡的ROMS-端,就可实现RAM和EPROM卡的切换。K置1—1′位置时,RAM工作;K置于2-2′时,EPROM卡工作, 这时第二区16KRAM可作“只写存储器”用。


与APPLE—Ⅱ的连接:APPLE-Ⅱ的第1~6号I/O插槽的第19脚和第35脚为空脚(NC),来自2Y-\(_{1}\)的ROMS-信号可从其中一处引入。在APPLE-Ⅱ主机板F2位置上找到74LS139,切断2Y-\(_{1}\)与74LS20第10脚的连线,接到开关K上(见图3)。开关K和电阻可固定在主机板的小布线区上,使用的连线宜尽量短。EPROM卡检查无误后,插入主机板1~6号槽。
编程时,可用下述语用转入EPROM工作:
①在DOS3.3或BASIC下,键入CALL16384-;
②在监控状态下,键入4000G-;
③在汇编程序中,把语句JSR$-4000写入程序中。(石忆)