随着人民生活水平的提高,各类中、高档家用电器不断普及到每个家庭。近年来,由于电网零线断路使220V市电升高到380V所造成大量家用电器烧毁的事故在国内屡有发生。为此除了对人身设备要进行漏电、触电保护外,对于家用电器的过压保护也显得特别重要。
本文介绍一种兼有过压、漏电双重保护功能的保护器及业余条件下的制作方法。该保护器过压保护简便有效,同时由于直接采用了可控硅作控制驱动元件,正常运行时不消耗电能,触发部分采用了倍压整流电路,所以整机灵敏度可作得较高,根据需要能制成漏电动作电流分别为:6mA、10mA、15mA、30mA的过压、漏电保护器。(依国标GB6829—86)。
漏电保护工作原理
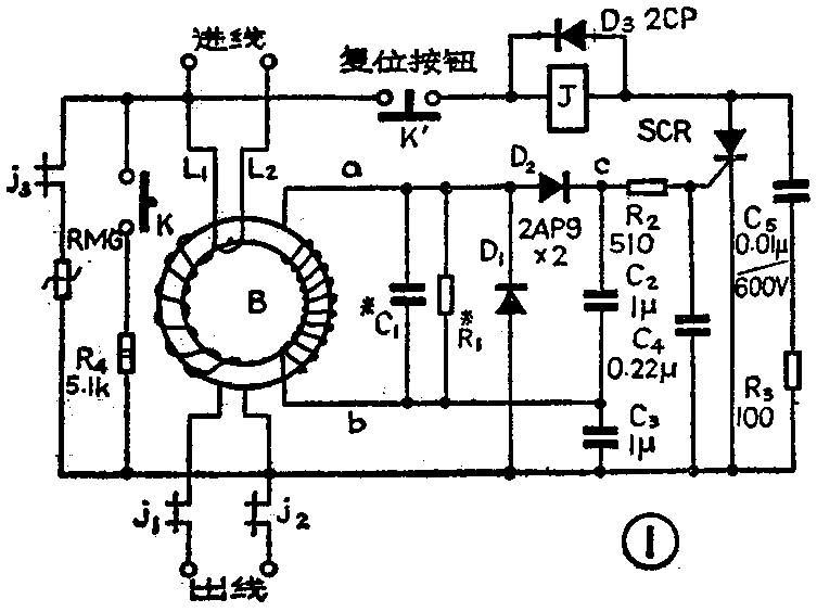
详见图1,当接通电源时,由于互感器B原边L\(_{1}\)、L2(双线并绕)通过的电流向量和为零,副边L\(_{3}\)无感应信号,当被保护线路发生触电或不平衡漏电时,原边出现剩余电流,感应到副边即输出交变漏电信号。设信号正半周时为a正b负,D2导通使C\(_{2}\)充电至\(\sqrt{2}\)Uab;负半周时为b正a负,D\(_{1}\)导通,使C3充电至2U\(_{ab}\),于是在串联迭加的C2、C\(_{3}\)两端c、d处便得到Ucd=2\(\sqrt{2}\)U\(_{ab}\)。显然采用此倍压整流触发电路,可以提高保护器的漏电动作灵敏度和降低对零序电流互感器的灵敏度要求。经倍压整流后的直流信号Ucd再由R\(_{2}\)、C4滤波,直接触发可控硅SCR导通,驱动继电器J吸合,常闭触头j\(_{1}\)、j2断开,将被保护线路切断,从而起到漏电、触电保护作用,为防止继电器J线圈的反电势将SCR击穿,采用了由R\(_{3}\)、C5组成的阻容吸收保护电路,续流二极管D\(_{3}\)用作对SCR的二次保护。


过压保护工作原理
在以上介绍的漏电保护原理基础上,我们利用压敏电阻具有的象稳压管那样的伏安特性,即压敏电阻的电阻值在超过某一临界电压后急剧变小这一原理,将压敏电阻RMG两端跨接于L\(_{1}\)、L2上,使之构成一个模拟漏电回路。市电正常时,由于压敏电阻的阻值极大,该回路上只有很小的微安数量级的泄漏电流流过。当市电电压因故突然升高到设定的临界电压,即保护器的过压动作值以上时,压敏电阻迅速由高阻抗变为低阻抗(响应时间为毫微秒数量级)类似于稳压二极管的工作击穿状态,过电压便以放电电流的形式在RMG上流过。此漏电流就是互感器原边的剩余电流,感应到副边后,同样输出漏电信号,经倍压整流、滤波后触发SCR导通,驱动继电器J吸合。j\(_{1}\)、j2断开,使保护器输出端脱电。为防止长时间的过压会引起RMG的发热,故在RMG电路上串接一常闭触头j\(_{3}\)过压开始时,RMG上流过剩余电流致使J吸合,j3断开后,该模拟电路将由导通的SCR、J的线圈和K的通路所取代,使得继电器继续牢牢保持吸合,避免了RMG因过压长时间通电而发热烧毁。这样,该保护器便起到了过压保护的作用。
元件的选择及业余制作
该保护器的关键元件SCR,应选用I\(_{GT}\)≤0.1mA的单向可控硅,可采用市售1A/600V的;D3用IN4007(1A/1kV)或类似的二极管;RMG用标称值为360V~390V之间的氧化锌压敏电阻器,其过压保护动作值在260V~300V间。电容C\(_{1}\)~C4尽量采用非电解质电容器。业余制作时也可采用CD11型电解电容器,但要注意极性为上正下负)、耐压6.3V便可。零序电流互感器B的铁芯,在工厂产品中采用了国内领先水平的非晶态软磁材料,业余制作时可用市售品M2000(24×12×5)等铁氧体磁环代用,具体绕制互感器的方法是:先绕L\(_{3}\),用线径φ0.18~φ0.21mm高强度漆包线在磁环上穿绕800匝~1000匝,头、尾用玻璃丝套管套好直接作引出线使用。穿绕时力求将线匝均匀分布在磁环周围,以利提高互感器的平衡特性。L3绕好后再绕两层黄蜡绸作组间绝缘,接着用较粗的平行双股胶质线(线截面积要求达到1平方毫米)在其上穿绕5匝。破开头、尾胶质线的双股后,即可作为L\(_{1}\)、L2的进、出线端。在整机调试时,如觉得灵敏度太低,可将此双股胶质线再加绕几匝,信号便可大大提高。继电器可选用线圈电压为直流110V,要求有三组常闭触头。常闭按钮K'作为保护动作后的复位之用。常开按钮K是用来模拟人体触电,定期检验保护器有否失灵的。二者不可合用一组带有常开、常闭触头的按钮。
调试和安装使用
电容C\(_{1}\)的取值直接影响该保护器的抗干扰度,一般选取在0.1μF~0.47μF之间,业余条件下可用火花干扰法试验,按照保护器不误动作来选取。电阻R1是调整额定漏电动作电流值的衰减电阻。一般在1kΩ~51kΩ之间,阻值越小,灵敏度越低,反之灵敏度则高。电路装毕后,按试验按钮K,继电器应能在0.1秒钟时间内迅速动作,并使保护器的进、出线端断开,否则说明电路或继电器存在故障。
过压保护动作值的测定可借助于两只自耦调压器进行。按图2接线,此法可使市电220V升高到280V以上,缓调B\(_{2}\)手柄将电压升高到设定值时,保护器应能可靠动作。如不动作,说明压敏元件取值不当或接线有误。
在按图进行安装、调试时,因各元件直接连接在市电高压上,务需注意安全。安装调好后应连同继电器装到一个绝缘盒子里,谨防在被保护线路的上端头触电。使用本保护器时,应在进线端前加装熔断保护器。为中间继电器常闭触头容量不够时,可将多余的常闭触头并联使用。(夏士华)