固态继电器(SSR)最初是作为一种高性能的新型继电器问世的,但它对被控电路优异独特的通断能力使它的使用功能迅速地从继电器技术的范畴扩大到电源开关技术的范畴,即直接利用它的控制灵活、工作长寿可靠、防爆耐震、无声运行的特点来通断电气设备中的电源,通断的功率从数值上讲也从按继电器模式使用时的小功率扩展到按电源开关使用时所要求的中等功率(数千瓦至十数千瓦)。实践证明,在SSR的使用中,正确的接线是使用成功的关键。本文从实际应用光电耦合型SSR为例介绍一些简单有效的使用电路。
SSR是一种具有开关功能的器件,它的基本使用框图如图1。下面分别介绍它的各部分电路。

控制信号电路
这部分电路的设计要点是满足SSR输入端的工作条件:要使SSR输出呈通/断态时必须满足输入端回路工作电流的要求,推荐值为5~10mA(通)/小于1mA(断);亦可用输入端工作电压的要求来保证输出端呈通/断态,此电压值视各厂产品而异,最小不低于3V(通)/小于1V(断)。
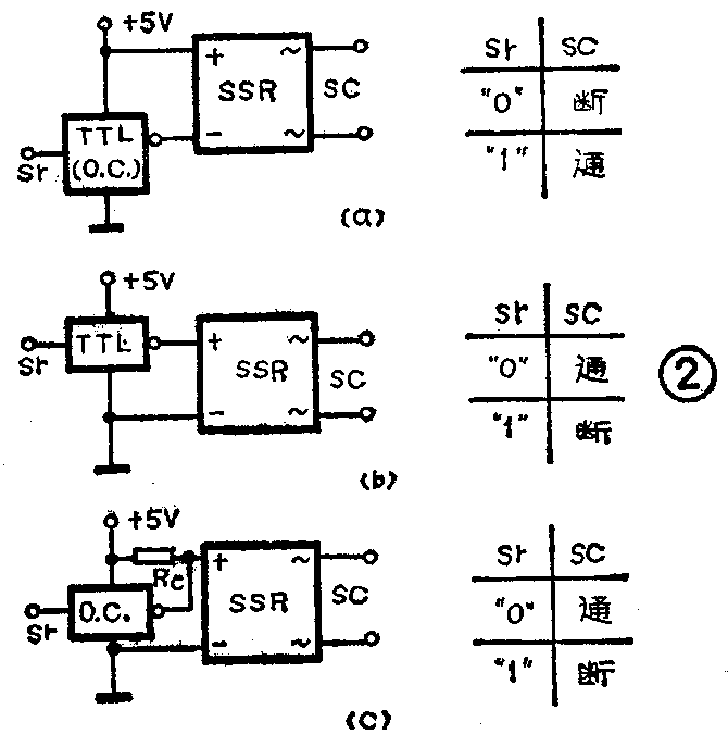
图2为用TTL数字集成电路驱动SSR的方法。图2(a)中当TTL输入为“0”时SSR关断,反之开通。图2(b)的控制逻辑与图2(a)相反。TTL反相器中还有一类集电极开路的所谓OC门,它带负载的能力较强,最适宜用来驱动SSR,电路见图2(a)和(c)。图2(c)的接法中Rc是OC门的集电极负载电阻,选择Rc时应使OC门输出“1”时SSR输入回路中的电流为5mA左右,实际上Rc可取390~470Ω。

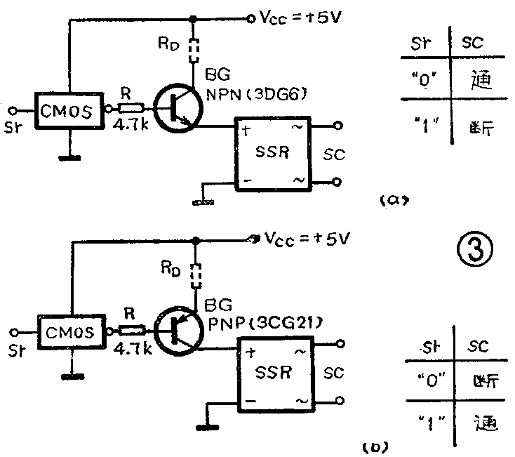
图3是用CMOS电路驱动SSR的方法。为安全使用,用晶体管作缓冲。图3(a)和(b)的导通逻辑相反。若Vcc大于+5V,则可斟增R并考虑加入限流电阻R\(_{D}\)。

图4是用脉冲信号触发SSR的方法。在输入端A加正脉冲信号时,脉冲的前沿使SCR触发进入导通状态,SSR输出端导通,该状态即使脉冲消失后仍可保持不变;若此时在输入端B加以另一个正脉冲,三极管BG导通,SCR截止,SSR输出端变成断态。R\(_{D}\)是限流电阻,依V的高低选配。

被控制电路
这部分电路的设计要点是使电源、负载和SSR的输出端相串接,并考虑SSR作为“开关”时能承受的功率,再加上起保护作用的吸收回路,以保证SSR的正常工作。
图5为用SSR推动大功率可控硅时的电路,(a)和(b)效果一样。用工作电流为2A的SSR足以触发1000A以下的大功率可控硅管正常工作。

图6是用SSR控制仪表中常用的伺服电机的接法,电感L可以省略。当K分别置Ⅰ和Ⅱ时,伺服电机的转向相反。

图7为在SSR额定工作电压低于实际工作AC电源电压时,用二个相同的SSR串联以提高其总体工作电压使用时的接法。

图8为用SSR带动大功率交流接触器的接法。由于接触器是有触点的,因此最好远离SSR(图中虚线表示该部分引线可用长线,以拉开距离),防止接触器触头火花的射频干扰。

此外,用三个SSR同步工作可以直接控制△型或Y型接法的三相交流异步电动机,以此为基础,用六个(或五个,甚至四个)SSR就可组成控制三相交流电动机正、反转的电路,这部分设计留给读者去实践。
使用注意事项
①由于制造简繁的原因,交流型的SSR有“过零”和“非过零”二种类型的产品。在使用于要防止射频干扰产生的场合,则选“过零”型为妥;有的场合不必考虑射频干扰影响的,则可选用“非过零”型的产品,因其价格略低。另外,在高速通断的场合选择“过零”型SSR要考虑由于实现过零控制会使输出端动作时间相对于输入信号有一个延时,延时时间可按不大于被控交流电源正弦波的半个周期计。
②交流型SSR是按在工频下工作而设计的。应用时被控交流电源的频率一般允许在40~60Hz范围内,波形要求是正弦波。如在此频率范围外或波型不是纯正弦波(如夹有方波成份)的情况下,能否正常工作要视具体情况(产品适应性、相应辅助电路)而定,不能一概而论。
③从电性能指标上选用SSR最重要的是考虑它额定工作电压和额定工作电流与实际工作的电压、电流是否相配。目前SSR产品的工作电压、电流值标法尚未统一,有的制造单位给出的是额定值,额定值是由所采用的开关器件的标称耐压值(电流值)乘上一个考虑了SSR的工作原理、其它元件的耐压问题和工作条件、结构型式之后而得的小于1的系数规定的;有的制造单位按主要器件的标称耐压值、电流值来给出SSR的工作电压与工作电流的标称值。显然这二种标值方法是大不相同的,使用者要事先搞清楚。从确保使用安全的角度出发,可以用“标称工作电压(电流)×\(\frac{1}{(1.5~2)}\)\(\sqrt{2}\)=额定工作电压(电流)”来换算。在使用中,即使对额定值也要视各类不同性质的负载决定是否满额使用,例如对重感性负载或开关频繁的场合,建议只按额定值的0.3~0.5使用。
④SSR的电流容量随工作环境温度的升高而下降。故使用SSR时要注意减少其本身发热和加强散热必需在较高温度下使用时要按制造单位提供的使用特性减少负载电流并加强散热措施。
⑤交流型SSR输出端的吸收电路是必需的。近年有些制造单位已将R、C回路作为一个部件制入SSR中,使用时很方便。一般讲,在使用前要搞清该型SSR内有否R、C回路,如没有,可按附表的数值选配。但要注意回路离SSR输出端越近越好,以减少引线电感。一般认为加此回路的SSR用于纯阻性或轻感性负载(如中间继电器、小型接触器,小型电磁阀)时已可正常工作;在重感性负载场合应用时,应再增加压敏电阻。压敏电阻的标称工作电压值可按SSR工作电压有效值的(1.7~1.9)倍选取,安装时亦应尽量减短引线长度。

还有一点应加以说明:交流型SSR输出端的断态漏电流的典型值为5~10mA。其实漏电流的相当部分是以该R、C回路为通路的,并未流经SSR的本体部分,未加R、C回路的SSR,其断态漏电流要小一些,典型值为2~3mA。
⑥使用中注意与SSR输出端串接工作的负载绝不准短路。(梁建宁)